Curiosii for ever!
: Car repair manuals for everyone.
Home
>>
Hyundai
>>
1997
>>
Tiburon L4-1.8L
>>
Repair and Diagnosis
>>
Diagrams
>>
Electrical Diagrams
>>
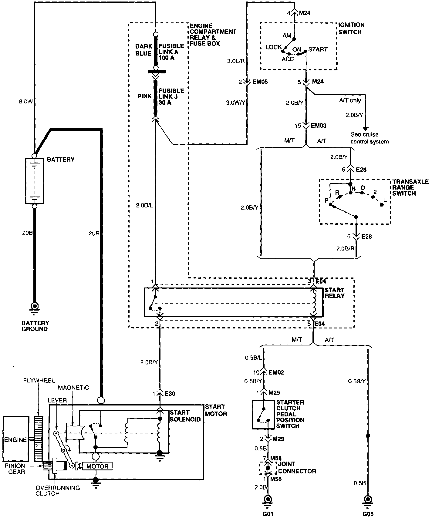
Starting System
Starting System
Starting System: