Curiosii for ever!
: Car repair manuals for everyone.
Home
>>
Hyundai
>>
1997
>>
Sonata L4-2.0L
>>
Repair and Diagnosis
>>
Heating and Air Conditioning
>>
Relays and Modules - HVAC
>>
Control Module HVAC
>>
Diagrams
>>
Electrical Diagrams
>>
Compressor Control Module
>>
Blower and A/C Compressor Controls (Automatic)
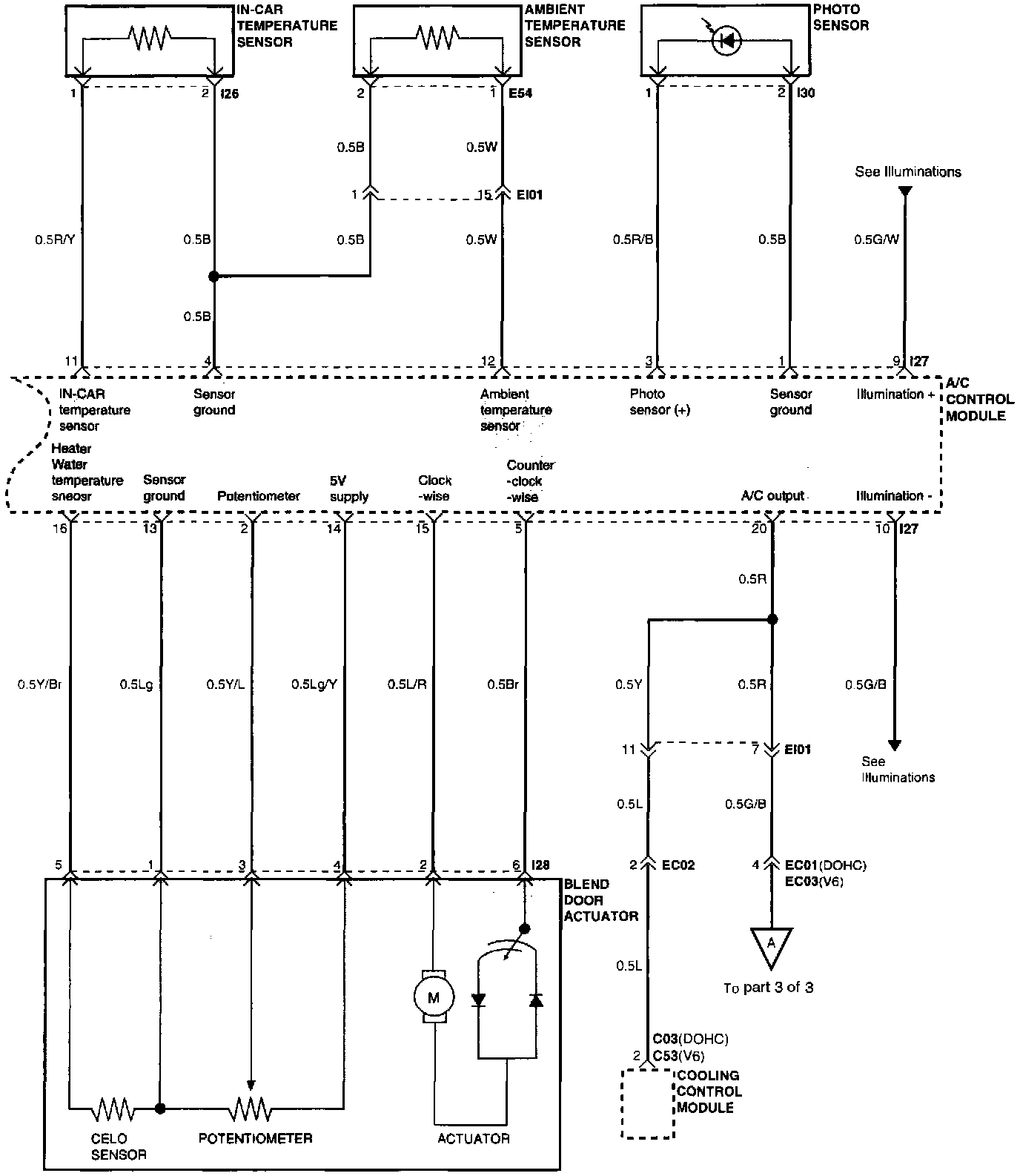
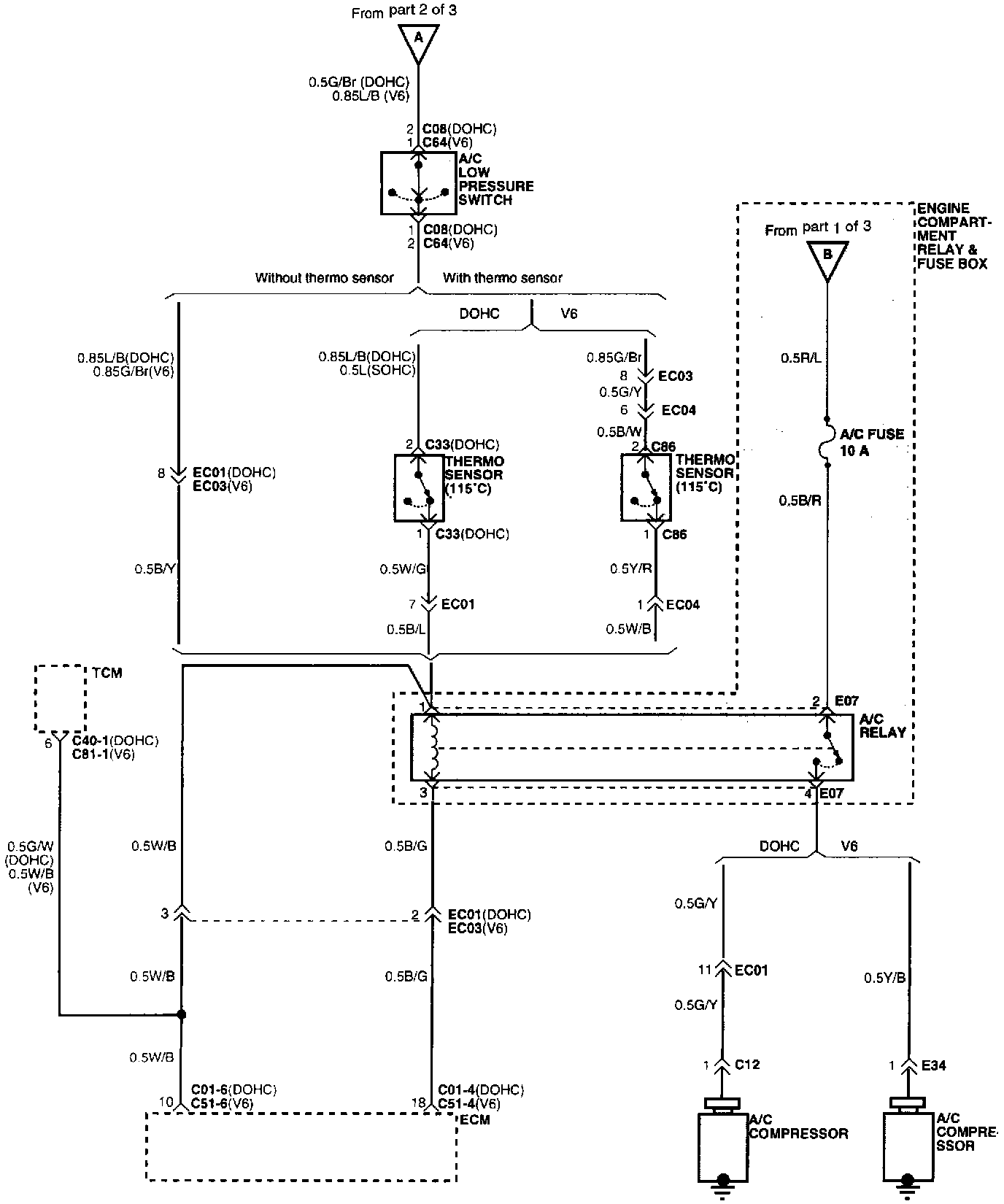
Blower and A/C Compressor Controls (Automatic)
Blower And A/C Compressor Controls (Automatic) (Part 1 Of 3):
Blower And A/C Compressor Controls (Automatic) (Part 2 Of 3):
Blower And A/C Compressor Controls (Automatic) (Part 3 Of 3):