Curiosii for ever!
: Car repair manuals for everyone.
Home
>>
Hyundai
>>
1996
>>
Elantra L4-1.8L
>>
Repair and Diagnosis
>>
Diagrams
>>
Electrical Diagrams
>>
Windows
Windows
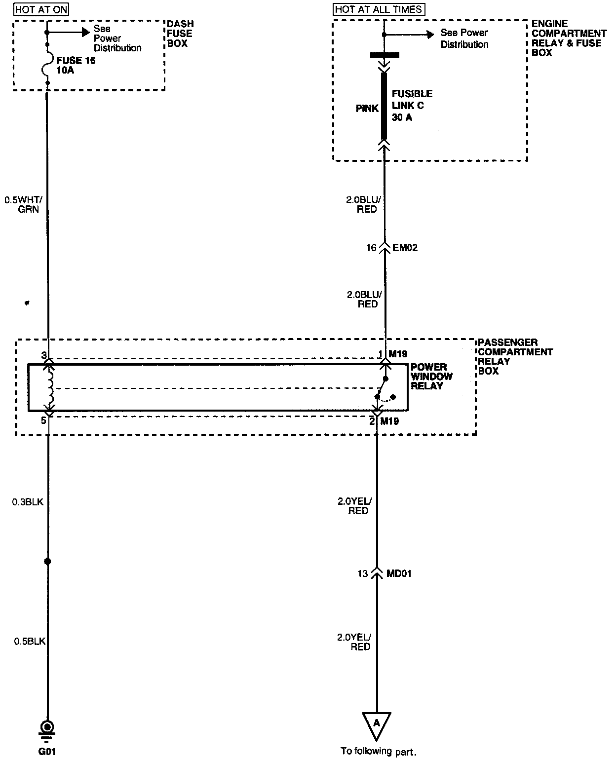
Power Windows (Part 1 Of 3):
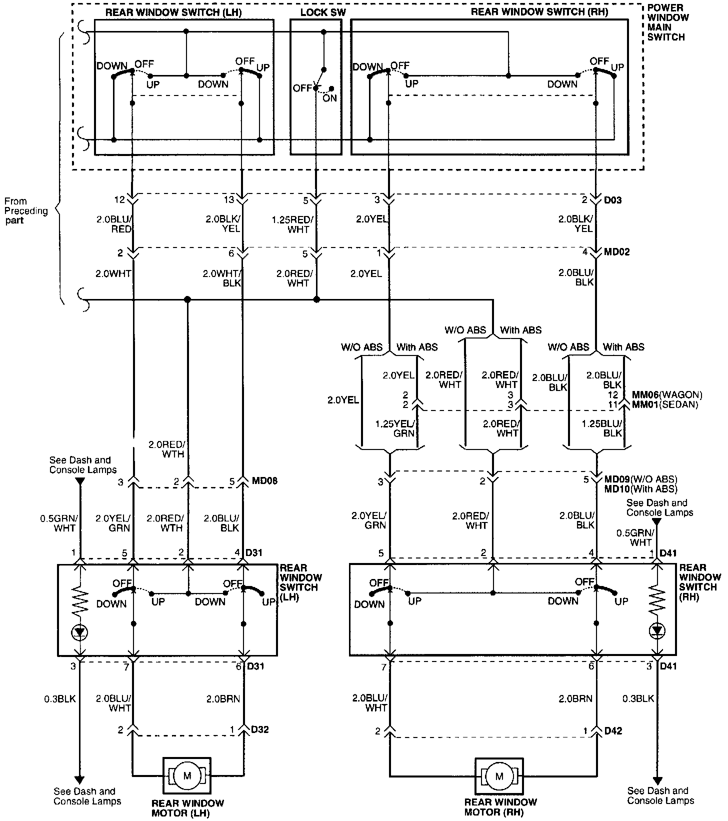
Power Windows (Part 2 Of 3):
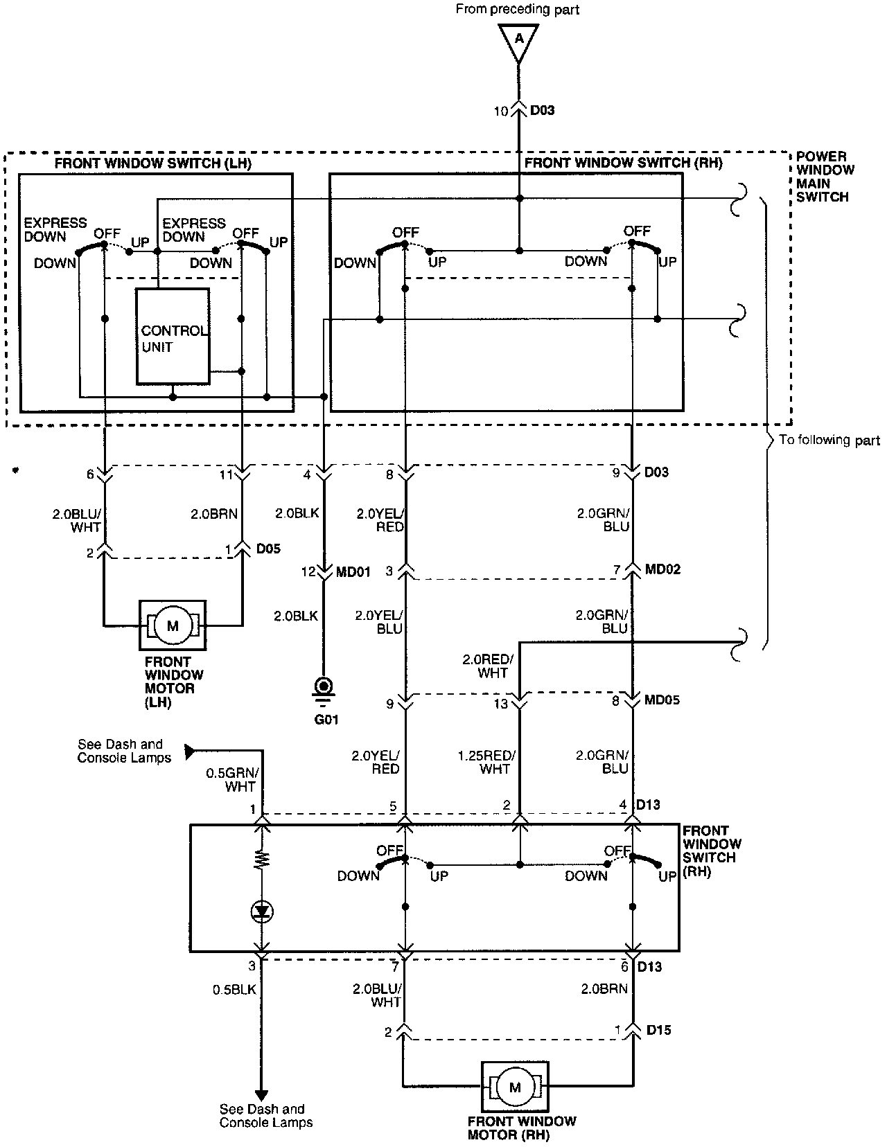
Power Windows (Part 3 Of 3):