Curiosii for ever!: Car repair manuals for everyone.

Fuel Pump Drive Control Circuit Inspection





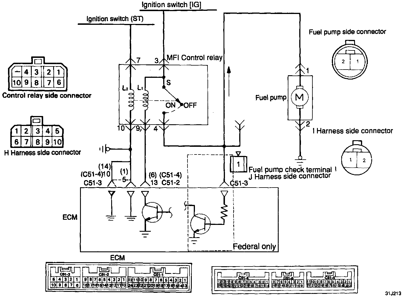
CIRCUIT DIAGRAM





USING SCAN TOOL








HARNESS INSPECTION

COMPONENT TEST

Power Supply Circuit:




Power Supply Circuit:





Failure of the control relay could interrupt power supply to the fuel pump, injectors and engine control module, resulting in start failure.

CAUTION: Use caution when connecting jumper wires to the relay. If the polarity is incorrectly connected, the relay will be damaged.

Fig. 1 Control Relay Test:





COMPONENT TEST
1. Supply 12 Volts to relay terminal 8 and ground terminal 6. Using a voltmeter, check for voltage at terminal 1 and terminal 2.

Voltage should equal battery voltage (12 Volts)

Fig. 2 Control Relay Testing:





2. Supply 12 Volts to relay terminal 7 and ground terminal 10. Using an ohmmeter, check for continuity between terminals 3 and 4.

Continuity:
Should exist when voltage is supplied.
Should NOT exist when voltage is NOT supplied.


Fig. 3 Control Relay Testing:





3. Supply 12 Volts to relay terminal 3 and ground terminal 9. Using a voltmeter, check for voltage at terminal 4.

Voltage:
12 Volts when terminal 9 is connected.
0 Volts when terminal 9 is NOT connected.


HARNESS TEST

Power Supply Circuit:




1. Ignition Switch ON.
2. Engine control module connector hooked up.
3. Measure the transaxle range switch terminal input voltage.

Voltage should equal system voltage (12 Volts)

4. Disconnect the multi-point fuel injection relay connector
5. Ignition switch ON.
6. Measure at terminals 1 and 2 of the relay harness

Voltage should equal system voltage (12 volts)
7. Ignition Switch OFF
8. Disconnect the engine control module connector C01-2.
9. Multi-point fuel injection relay connector disconnected.
10. Using an Ohmmeter test for continuity between relay terminal 8 and engine control module terminals 12 and 15 (CO1-2 connector)

Continuity should exist

11. Ignition Switch OFF
12. Disconnect the Engine Control Module connector C01-3.
13. Multi-point fuel injection relay connector disconnected.
14. Using an Ohmmeter test for continuity between relay terminal 1 and engine control module terminals 4 and 9 (CO1-3 connector)

Continuity should exist

15. Ignition Switch OFF
16. Disconnect the Engine Control Module connector C01-3.
17. Multi-point fuel injection relay connector disconnected.
18. Using an Ohmmeter test for continuity between relay terminal 2 and engine control module terminal 10 (CO1-3 connector)

Continuity should exist

If the harness fails any of the above tests it must be repaired or replaced.

If the same problem reoccurs, it is possible that there is an intermittent failure of the component or the engine control module. Check for looseness at all harness junctions and test for an intermittent failure.