Curiosii for ever!: Car repair manuals for everyone.

Evaporator Core: Service and Repair


1. Disconnect battery ground cable, discharge and recover refrigerant as outlined in Technician Safety Information.
2. Remove air intake hose, then using tube remover tool No. 09977-33600, or equivalent, disconnect suction hose and liquid tube.
3. Remove evaporator water drain hose and dash panel grommet cover, and glove compartment assembly.
4. Remove left-hand lower crash pad, and ash tray.
5. Remove lower center crash pad fascia and disconnect connectors.
6. Pull radio out slightly, disconnect electrical connectors. Remove heater control unit assembly.
7. Remove main lower crash pad.
8. Disconnect blower resistor, blower motor and thermostat electrical connector, and vacuum hose from Recirc/Fresh vacuum motor.

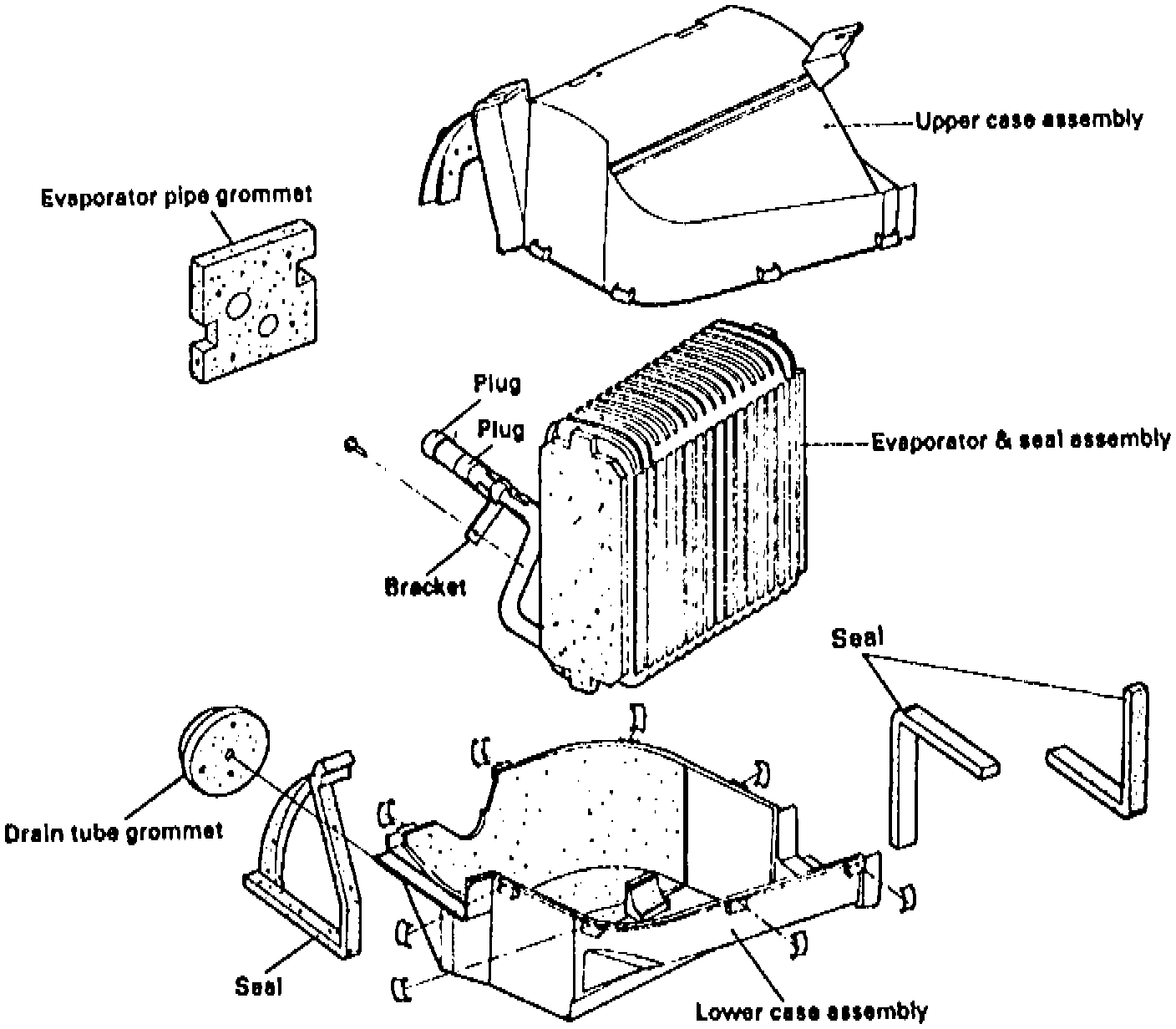
Fig. 14 Evaporator Case & Core:





9. Remove blower motor and evaporator assembly, Fig. 14.
10. Reverse procedure to install.