Curiosii for ever!: Car repair manuals for everyone.

Heated Oxygen Sensor


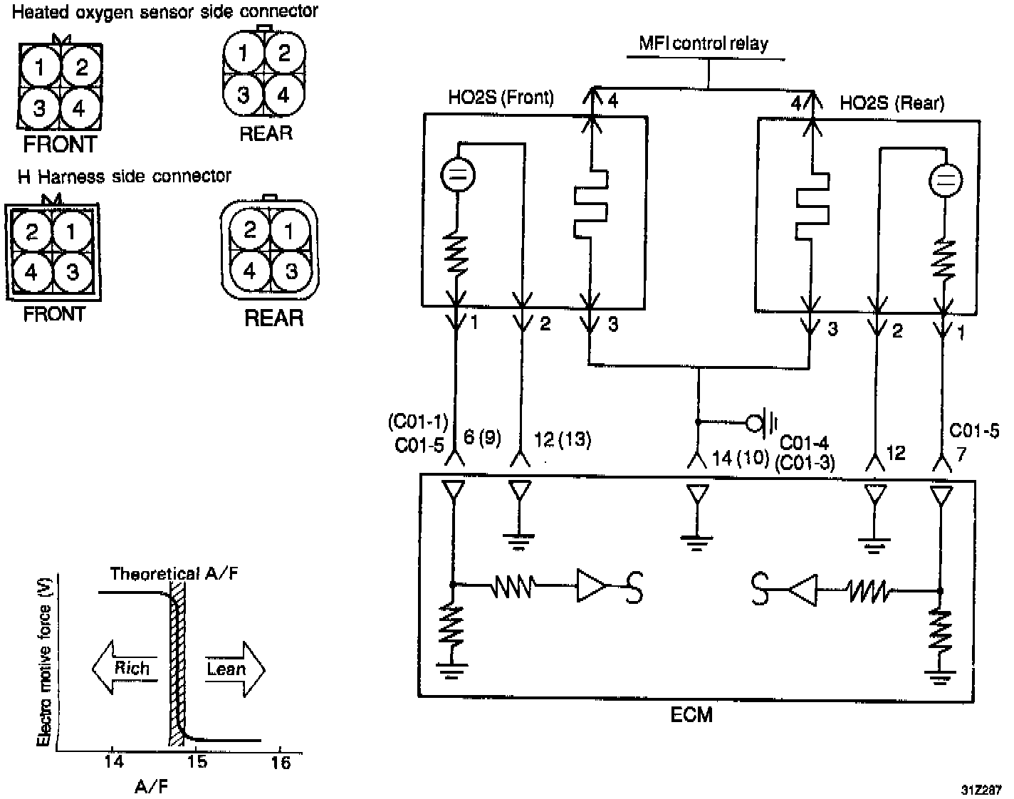
HEATED OXYGEN SENSOR

Description

The heated oxygen sensor senses the oxygen concentration in exhaust gas and converts it into a voltage which is sent to the engine control module. The oxygen sensor outputs about one volt when the air fuel ratio is richer than the theoretical ratio and outputs about zero volts when the ratio is leaner (higher oxygen concentration in exhaust gas.).
The engine control module controls the fuel injection ratio based on this signal so that the air fuel ratio is maintained at the theoretical ratio. The oxygen sensor has a heater element which ensures the sensor performance during all driving conditions.





Circuit Diagram

Troubleshooting Hints

- If the HO2S is defective abnormally high emissions may occure.
- If the HO2S check has resulted normal but the sensor output voltage is out of specifications, check for the following items related to air fuel ratio control system.
- Faulty injector
- Air leaks in the intake manifold.
- Faulty volume air flow sensor, intake air temperature sensor, barometric pressure sensor, engine coolant temperature sensor.





Using scan Tool











Harness Inspection Procedure

Sensor Inspection

NOTE: Before checking, warm up the engine until the engine coolant temperature reaches 80 to 95° C (176 to 205° F). Use an accurate digital voltmeter.





1. Disconnect the oxygen sensor connector, and measure the resistance between terminal 3 and terminal 4.





2. Replace the oxygen sensor if there is malfunction.
3. Apply battery voltage directly between terminal 3 and terminal 4.

NOTE: Take care when applying the voltage, because damage will result if the terminals are incorrect or are short circuited.

4. Connect a digital-type voltmeter between terminal 1 and terminal2.
5. While repeatedly racing the engine, measure the oxygen sensor output voltage.





6. If there is a problem, it is probable that there is a malfunction of the oxygen sensor.