Curiosii for ever!: Car repair manuals for everyone.

System

Ignition System:




PURPOSE
To produce a spark that will ignite the air/fuel mixture within an engine's cylinders, ignition systems generate high voltage and direct it to spark plugs at each cylinder. Voltage must be high enough to jump the spark plug gap under compression and it must be supplied at the correct time under a wide range of operating conditions. Various systems of controlling spark generation and timing have been devised. These range from completely mechanical to ECU activated electronic to distributorless.

DESCRIPTION
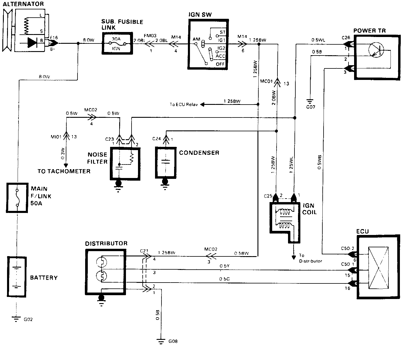
This vehicle uses an ECU controlled electronic ignition system. Components include:

1. Ignition coil.
2. Camshaft driven distributor with integral crank angle and camshaft sensor.
3. Power Transistor.
4. Distributor cap and high tension wiring for distributing high voltage to the spark plugs.

CRANK/CAM ANGLE SENSORS
The crank/cam angle sensors are photo-diode types that provide the ECU with signals regarding engine rpm and #1 cylinder TDC (camshaft position). Together with other inputs, the ECU calculates ignition timing over the range of vehicle operating conditions.

POWER TRANSISTOR
An ECU controlled power transistor is used as a switch to regulate current flow through the coil primary circuit. Each time current flow is interrupted, high voltage is induced to fire the spark plugs. Except for the initial setting, timing is determined by the ECU.

SECONDARY IGNITION COMPONENTS
A distributor cap, rotor and high tension wires are used to direct high voltage from the coil to each spark plug at the appropriate time as calculated by the ECU.