Curiosii for ever!: Car repair manuals for everyone.

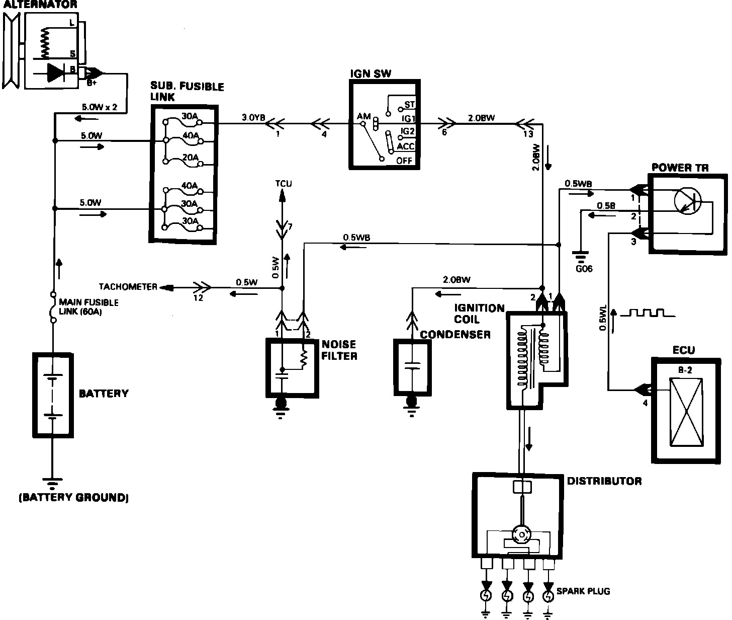
Ignition System: Description and Operation

Ignition System:





Ignition timing is controlled by the electronic control unit (ECU). The standard reference ignition timing data (preset values) for the engine operation conditions are programmed in the memory of the (ECU).
The engine conditions (rpm, load warm-up condition, etc.) are detected by the various sensors. Based upon these sensor signals and the ignition timing standard reference data, signals to interrupt the primary current of the ignition coil are sent to the power transistor. The timing is controlled by the ECU through the power transistor in this manner.