Curiosii for ever!
: Car repair manuals for everyone.
Home
>>
Hyundai
>>
1989
>>
Excel L4-1468cc 1.5L SOHC (8 VALVE)
>>
Repair and Diagnosis
>>
Powertrain Management
>>
Computers and Control Systems
>>
Relays and Modules - Computers and Control Systems
>>
Engine Control Module
>>
Locations
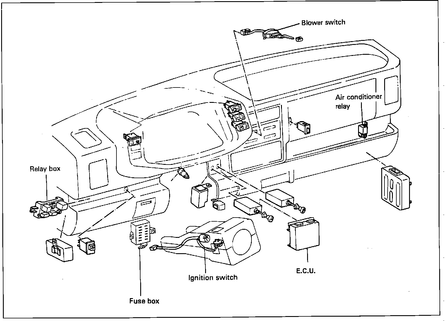
Engine Control Module: Locations
Switch, Relay And CEC Dash Component Locations: