Curiosii for ever!: Car repair manuals for everyone.

Valve Body: Service and Repair




Control Valve Body Replacement

Removal Procedure

1. Remove the fluid level indicator.
2. Raise the vehicle. Refer to Lifting and Jacking the Vehicle (Service and Repair).
3. Remove the oil pan, gasket, and filter. Refer to Automatic Transmission Fluid and Filter Replacement (Automatic Transmission Fluid and Filter Replacement).




4. Disconnect all the internal wiring harness electrical connectors from the electrical connectors (1-6) components.




5. Remove the torque converter clutch (TCC) pulse width modulation (PWM) solenoid retainer (2) with a small screwdriver. Rotate the solenoid (1) in the bore, if necessary, until the flat part of the retainer (2) is visible.
6. Remove the TCC PWM solenoid (1) in order to access the TCC solenoid retaining bolts.




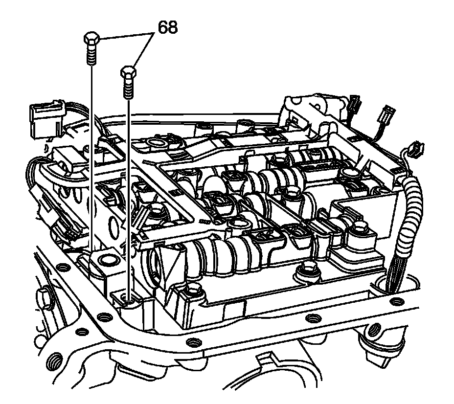
7. Remove the TCC solenoid retaining bolts (68).




8. Remove the TCC solenoid (with O-ring seal) and wiring harness (66) from the control valve body.
9. Reposition the harness to the side of the transmission case.




10. Remove the manual detent spring bolt (64) and the spring assembly (63).
11. Remove all valve body bolts.




12. Carefully begin to lower the control valve body down from the transmission case while simultaneously disconnecting the manual valve link.

Installation Procedure




1. Install the checkballs (1-7) in the valve body.




2. Install the control valve body (1) to the transmission case while simultaneously connecting the manual valve link to the manual valve.
3. Verify that the manual valve link is installed properly to the inside detent lever and the manual valve.




4. Install one bolt (M6 X 1.0 X 47.5) hand tight in the center (1) of the valve body to hold it in place.




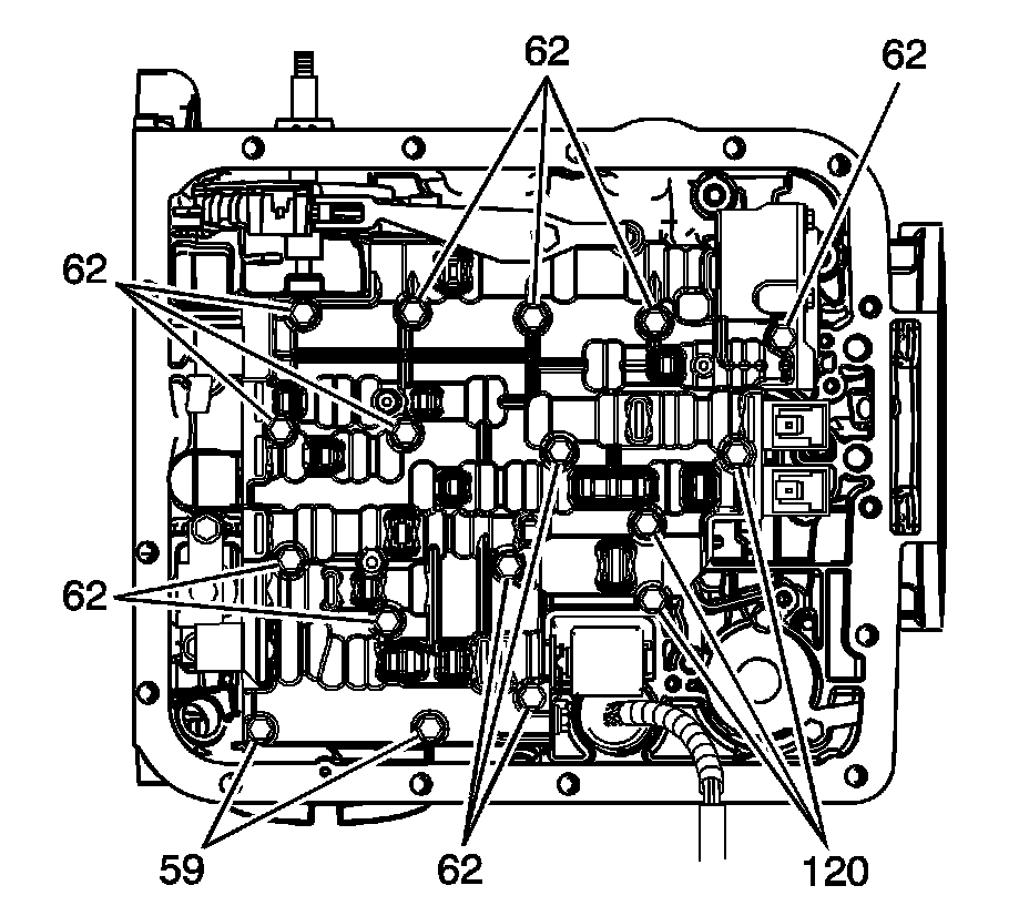
5. Install the 12 valve body bolts (62), 2 bolts (59) and 3 bolts (120) that are shown only.
6. Finger tighten the bolts.




7. Install the transmission wiring harness on the valve body.

Caution: Refer to Fastener Caution (Fastener Caution).

8. Install the TCC solenoid valve and bolts (68).
Tighten the bolts to 8-14 Nm (6-10 lb ft).





Caution: Do not over-tighten the bolts. Over-tightening the bolts will distort the valve bores. Begin tightening from the center of the valve body tighten the bolts in a outward direction.

9. Inspect the ensure all of the valve body bolts are in the correct location. Each bolt number refers to a specific size, as indicated in the following list:

* 59 M6 x 1.0 x 35.0 (Qty: 2)
* 62 M6 x 1.0 x 47.5 (Qty: 12)
* 120 M6 x 1.0 x 54.4 (Qty: 3)

10. Tighten the bolts from the center of the valve body working your way out in a spiral pattern to the outside edge.
Tighten the bolts to 8-14 Nm (6-10 lb ft).




11. Install the TCC PWM solenoid valve (396) and the solenoid retainer (395).




12. Snap the wiring harness in place on the valve body bolts. Ensure the harness loom tab is located under the transmission fluid pressure (TFP) switch.
13. Install the wiring connectors to the electrical components (1-6) as indicated in the following list:

1. The manual shift detent lever with shaft position switch assembly
2. The 1-2 shift solenoid
3. The 2-3 shift solenoid
4. The pressure control solenoid (PCS)
5. The TCC PWM solenoid
6. The input speed sensor (ISS)

14. Install the transmission oil pan and filter. Refer to Automatic Transmission Fluid and Filter Replacement (Automatic Transmission Fluid and Filter Replacement).
15. Lower the vehicle.
16. Fill the transmission to the proper level with DEXRON(R) VI transmission fluid. Refer to Transmission Fluid Level and Condition Check (Testing and Inspection).

Note: It is recommended that transmission adaptive pressure (TAP) information be reset.

Resetting the TAP values using a scan tool will erase all learned values in all cells. As a result, the engine control module (ECM), powertrain control module (PCM) or transmission control module (TCM) will need to relearn TAP values. Transmission performance may be affected as new TAP values are learned.

17. Reset the TAP values. Refer to Transmission Adaptive Functions (Transmission Adaptive Functions).