Curiosii for ever!: Car repair manuals for everyone.

Range Selector Lever Cable Replacement




Range Selector Lever Cable Replacement (3.7L)

Removal Procedure

1. Ensure the vehicle is in the park position.
2. Raise and support the vehicle. Refer to Lifting and Jacking the Vehicle (Service and Repair).





Important: Do not pull on the boot portion of the cable.

3. Complete the following in order to disconnect the range selector cable (3) from the transmission range selector lever ball stud.

1. Insert a flat-bladed tool between the range selector cable end (5) and the range selector lever (1).
2. Pry the range selector cable end (5) away from the range selector lever (1).

4. Remove the retainer (4) from the range selector cable (3).
5. Push the range selector cable locking tabs inward toward each other to release from the bracket (2).
6. Lower the vehicle.
7. Remove the cowl side trim panel. Refer to Cowl Side Trim Panel Replacement (Cowl Side Trim Panel Replacement).
8. Pull the driver side carpet up, enough to access the range selector cable.




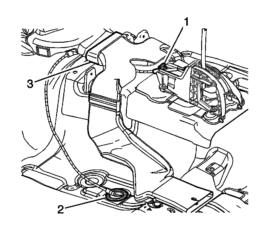
9. Pull the cable grommet (2) up through the floor panel.
10. Make note of the cable routing under the heat duct (3).




11. Use a flat-bladed tool to separate the range selector cable (2) from the transmission range selector lever ball stud (1).
12. Release the cable retainer (4) from the shift control assembly (5).
13. Remove the range selector cable (3) from the vehicle.

Installation Procedure




1. Insert the range selector cable through the floor panel and seat the cable grommet (2).
2. Route the range selector cable under the heat duct (3).




3. Install the range selector cable (3) to the shift control assembly (5).
4. Ensure the cable retainer (4) is secured to the shift control assembly (5).
5. Push the range selector cable end (2) onto the range selector lever ball stud (1).
6. Reposition the drivers side carpet to the floor panel.
7. Inspect below the accelerator pedal for binding, to ensure full range of motion.
8. Install the cowl side trim panel. Refer to Cowl Side Trim Panel Replacement (Cowl Side Trim Panel Replacement).
9. Raise and support the vehicle. Refer to Lifting and Jacking the Vehicle (Service and Repair).




10. Install the range selector cable (3) to the bracket (2).
11. Install the retainer (4) to the range selector cable (3).
12. Remove and discard the primary lock lockout pin if a new cable is being installed.
13. Install the range selector cable end (5) to the range selector lever (1).
14. Adjust the automatic transmission range selector cable. Refer to Range Selector Lever Cable Adjustment (3.7L) (Adjustments)Range Selector Lever Cable Adjustment (5.3L) (Adjustments).
15. Lower the vehicle.