Curiosii for ever!: Car repair manuals for everyone.

Shift Interlock Solenoid: Service and Repair




Automatic Transmission Shift Lock Control Actuator Replacement

Removal Procedure

Note: After assembling the shift lock actuator, turn the ignition forward but do not start (auxiliary position) and attempt to pull the lever from PARK with and without the brake pedal depressed to verify there is no gear access without the brake pedal depressed.

Note: Ensure the key cannot be removed from the ignition unless both the shifter is in PARK and the shift knob button has been depressed.

1. Remove the console. Refer to Front Floor Console Replacement (Front Floor Console Replacement).




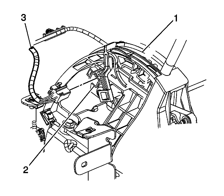
2. Disconnect the shift lock actuator electrical connector (3).




3. Shift assembly to LOW position.
4. Loosen and remove the screw at the rear of the shifter assembly.
5. Shift the assembly to the NEUTRAL position.
6. Loosen and remove the top screw of the shift lock actuator through the lever slot.
7. Pull lever to the DRIVE position and remove the shift lock actuator.

Installation Procedure




1. In the DRIVE position, depress the shift lock actuator button and realign into the shifter lever.
2. Push lever to NEUTRAL.

Caution: Refer to Fastener Caution (Fastener Caution).

3. Install the top screw through the lever slot.

Tighten the actuator screw to 1.65 Nm (15 lb in).

4. Shift lever to LOW.
5. Install the screw at the rear of the shifter assembly.

Tighten the actuator screw to 1.65 Nm (15 lb in).




6. Connect the electrical connector (3).
7. Install the console. Refer to Front Floor Console Replacement (Front Floor Console Replacement).