Curiosii for ever!
: Car repair manuals for everyone.
Home
>>
Hummer
>>
2009
>>
H2 V8-6.2L
>>
Repair and Diagnosis
>>
Body and Frame
>>
Seats
>>
Seat Back
>>
Service and Repair
>>
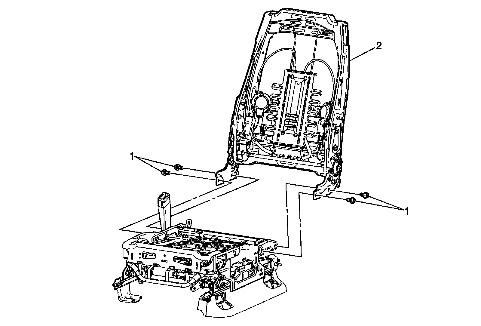
Front Seat Back Frame Replacement
Front Seat Back Frame Replacement
Front
Seat Back Frame
Replacement