Curiosii for ever!: Car repair manuals for everyone.

License Plate Lamp: Service and Repair



Rear License Lamp Replacement (SUT)

Removal Procedure

1. Open the spare tire carrier.




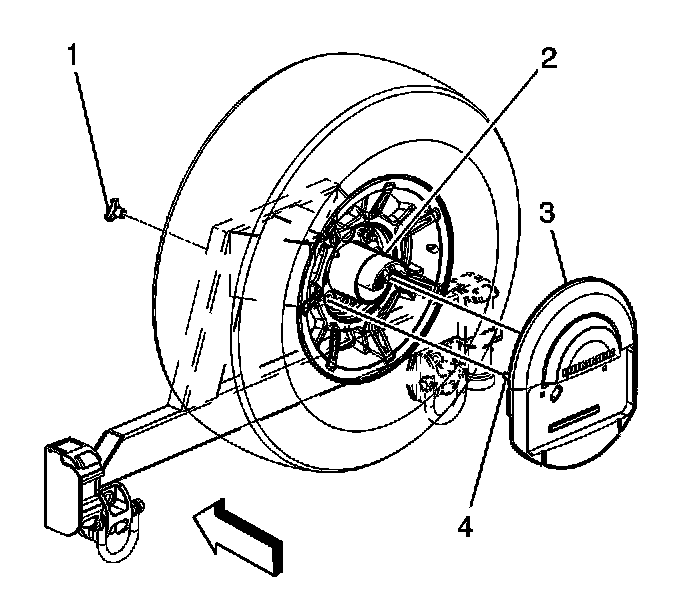
2. Remove the hand nut (1) securing the license plate spare wheel cover to the spare tire carrier frame (2).




3. Remove the license plate spare wheel cover (3) from the tire carrier frame (2).




4. Remove the 2 screws (1) securing the license plate lamp (2) to the spare tire carrier frame.




5. Invert the lamp socket as shown.
6. Disconnect the electrical connector from the lamp socket.




7. Remove the lamp socket (4).
8. Remove the bulb (2), if needed.



Installation Procedure





1. Install the bulb (2) to the socket (4).
2. Install the bulb socket to the lamp lens (1).




3. Connect the electrical connector to the lamp socket.
4. Position the lamp socket to the spare tire carrier frame.
5. Ensure the retention clips are not damaged. Replace the retention clips, if damaged.





Notice: Refer to Fastener Notice (Fastener Notice) .

6. Install the screws (1).

Tighten the screws to 3 N.m (26 lb in).





7. Install the license plate spare wheel cover (3) to the spare tire carrier frame (2).




8. Secure the hand nut (1) to the spare wheel cover bolt.
9. Latch and secure the spare tire carrier.