Curiosii for ever!
: Car repair manuals for everyone.
Home
>>
Hummer
>>
2008
>>
H2 V8-6.2L
>>
Repair and Diagnosis
>>
Lighting and Horns
>>
Brake Light Switch
>>
Service and Repair
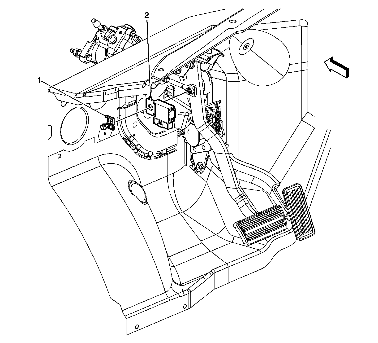
Brake Light Switch: Service and Repair
Stop Lamp Switch Replacement