Curiosii for ever!: Car repair manuals for everyone.

Procedures



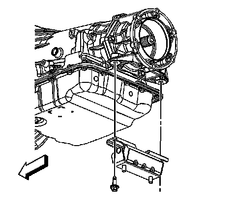
Transmission Mount Replacement

Removal Procedure





1. Raise and support the vehicle. Refer to Vehicle Lifting.
2. Remove the catalytic converter guard.
3. Support the transmission with a transmission jack.
4. Remove the two nuts securing the transmission mount to the transmission support.





5. Raise the transmission off of the transmission support.
6. Remove the bolts.

Installation Procedure





1. Install the transmission mount to the vehicle.

2. Notice: Refer to Fastener Notice in Service Precautions.

Install the bolts.
^ Tighten the bolts to 60 Nm (44 ft. lbs.).





3. Lower the transmission and install the two nuts securing the transmission mount to the transmission support.
^ Tighten the nuts to 40 Nm (30 ft. lbs.).
4. Remove the transmission jack.
5. Install the catalytic converter guard.
6. Lower the vehicle.