Curiosii for ever!: Car repair manuals for everyone.

Brake Caliper Replacement - Front

BRAKE CALIPER REPLACEMENT - FRONT

CAUTION:
- REFER TO BRAKE DUST CAUTION IN SERVICE PRECAUTIONS.
- REFER TO BRAKE FLUID IRRITANT CAUTION ON IN SERVICE PRECAUTIONS.


Removal Procedure

1. Inspect the fluid level in the brake master cylinder reservoir.
2. If the brake fluid level is midway between the maximum-full point and the minimum allowable level, no brake fluid needs to be removed from the reservoir before proceeding.
3. If the brake fluid level is higher than midway between the maximum-full point and the minimum allowable level, remove brake fluid to the midway point before proceeding.
4. Raise and support the vehicle. Refer to Vehicle Lifting.
5. Remove the tire and wheel assembly.





6. Compress the brake caliper pistons.
- Install a large C-clamp over the top of the caliper housing and against the back of the outboard pad.
- Slowly tighten the C-clamp until the pistons are pushed completely into the caliper bores.
- Remove the C-clamp from the caliper.





7. Clean all dirt and foreign material from the brake hose end.

IMPORTANT: Install a rubber cap or plug to the exposed brake pipe fitting end to prevent brake fluid loss and contamination.

8. Remove the brake hose to caliper bolt from the brake caliper.
9. Remove and discard the 2 copper brake hose gaskets. These gaskets may be stuck to the brake caliper housing or the brake hose end.
10. Remove the brake hose from the caliper.




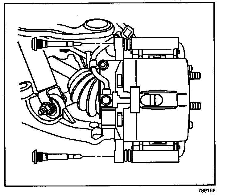
11. Remove the 2 brake caliper mounting bolts.

CAUTION: DO NOT DEPRESS THE BRAKE PEDAL WITH THE BRAKE ROTORS/CALIPERS AND/OR THE BRAKE DRUMS REMOVED. DAMAGE TO THE BRAKE SYSTEM MAY RESULT. IT BRAKE SYSTEM DAMAGE OCCURS AND IS NOT REPAIRED, VEHICLE DAMAGE AND/OR PERSONAL INJURY OR DEATH MAY RESULT.

12. Remove the brake caliper from the brake caliper mounting bracket.

Installation Procedure




1. Install the brake caliper to the brake caliper mounting bracket.
2. Perform the following procedure before installing the caliper guide pin bolts.
2.1. Remove all traces of the original adhesive patch.
2.2. Clean the threads of the bolt with brake parts cleaner or the equivalent and allow to dry.
2.3. Apply Threadlocker GM P/N 12345493 (Canadian P/N 10953488) to the threads of the bolt.

NOTE: Refer to Fastener Notice in Service Precautions.

3. Install the brake caliper guide pin bolts.

Tighten
Tighten the brake caliper guide pin bolts to 108 N.m (80 lb ft).




4. Remove the rubber cap or plug from the exposed brake hose fitting end.

IMPORTANT: Install 2 new copper brake hose gaskets.

5. Assemble the 2 new copper brake hose gaskets and the brake hose to caliper bolt to the brake hose.
6. Install the brake hose to caliper bolt to the brake caliper.

Tighten
Tighten the brake hose to caliper bolt to 40 N.m (30 lb ft).

7. Bleed the hydraulic brake system. Refer to Hydraulic Brake System Bleeding (Manual) or Hydraulic Brake System Bleeding (Pressure) in Hydraulic Brakes.
8. Install the tire and wheel assembly.
9. Lower the vehicle.
10. Fill the master cylinder reservoir to the proper level with clean brake fluid. Refer to Master Cylinder Reservoir Filling on in Hydraulic Brakes.