Curiosii for ever!: Car repair manuals for everyone.

Brake Pads Replacement - Front

BRAKE PADS REPLACEMENT - FRONT

CAUTION: REFER TO BRAKE DUST CAUTION IN SERVICE PRECAUTIONS.

Removal Procedure




1. Inspect the fluid level in the brake master cylinder reservoir.
2. If the brake fluid level is midway between the maximum-full point and the minimum allowable level, no brake fluid needs to be removed from the reservoir before proceeding.
3. If the brake fluid level is higher than midway between the maximum-full point and the minimum allowable level, remove brake fluid to the midway point before proceeding.
4. Raise and support the vehicle. Refer to Vehicle Lifting.
5. Remove the tire and wheel assembly.
6. Inspect the caliper operation. Refer to Brake Caliper Inspection.

NOTE: Support the brake caliper with heavy mechanic's wire, or equivalent, whenever it is separated from it's mount and the hydraulic flexible brake hose is still connected. Failure to support the caliper in this manner will cause the flexible brake hose to bear the weight of the caliper, which may cause damage to the brake hose and in turn may cause a brake fluid leak.




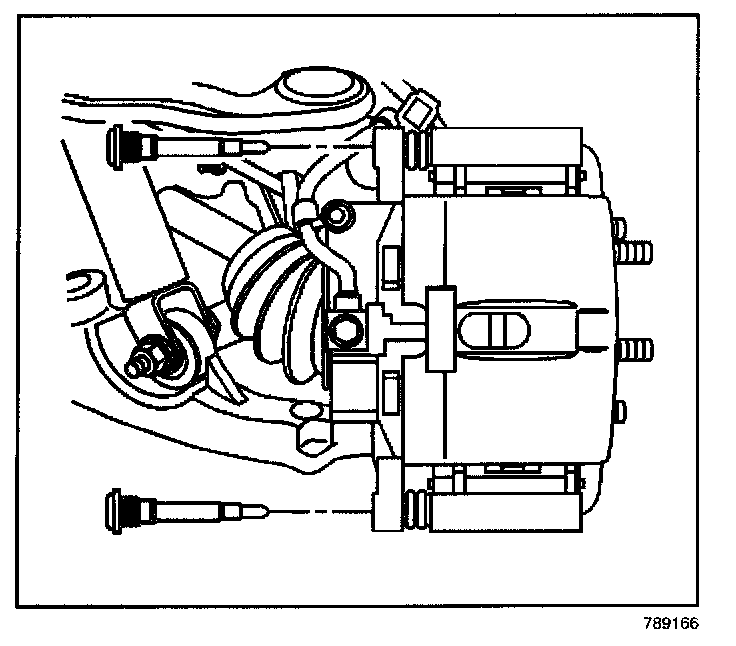
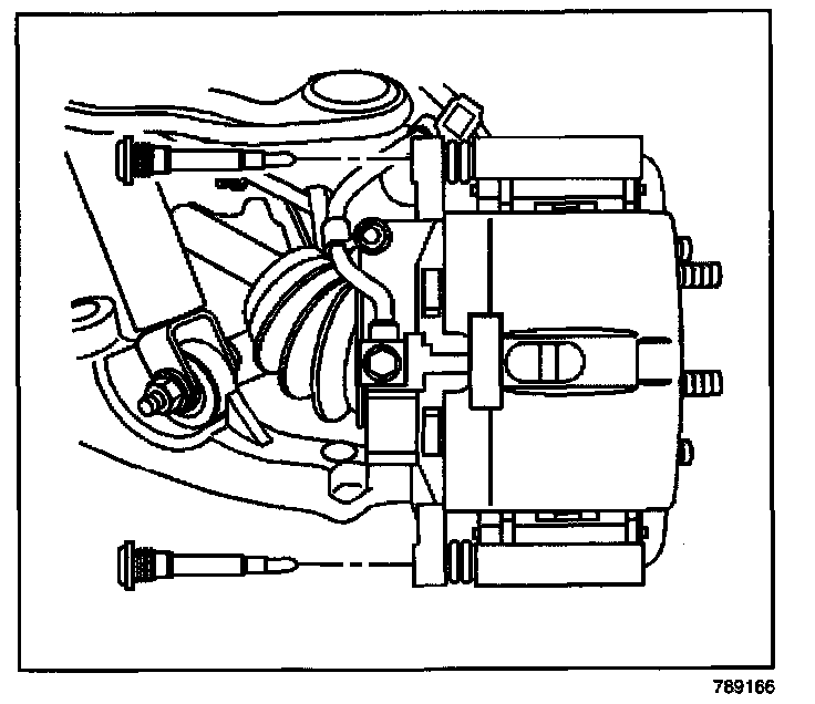
7. Remove the caliper mounting bolts and remove the caliper from the mounting bracket. Support the caliper with heavy mechanic's wire or equivalent. DO NOT disconnect the hydraulic brake flexible hose from the caliper.




8. Remove the brake pads from the caliper mounting bracket.
9. Remove and discard the anti-rattle clips from the brake caliper mounting bracket.
10. Inspect the caliper and mounting bracket. Refer to Brake Caliper Inspection.

Installation Procedure




1. Install new anti-rattle clips to the inside ends of the caliper mounting bracket.
2. Install the brake pads to the caliper mounting bracket.




3. Install the brake caliper to the brake caliper bracket.
4. Perform the following procedure before installing the caliper guide pin bolts.
4.1. Remove all traces of the original adhesive patch.
4.2. Clean the threads of the bolt with brake parts cleaner or the equivalent and allow to dry.
4.3. Apply Threadlocker GM P/N 12345493 (Canadian P/N 10953488) to the threads of the bolt.

NOTE: Refer to Fastener Notice in Service Precautions.

5. Install the brake caliper guide pin bolts.

Tighten
Tighten the brake caliper guide pin bolts to 108 N.m (80 lb ft).

6. Install the tire and wheel assembly.
7. Remove the safety stands.
8. Lower the vehicle.
9. With the engine OFF, gradually apply the brake pedal to approximately 2/3 of its travel distance.
10. Slowly release the brake pedal.
11. Wait 15 seconds, then repeat steps 9-10 until a firm pedal is obtained. This will properly seat the brake caliper pistons and brake pads.
12. Fill the master cylinder reservoir to the proper level with clean brake fluid. Refer to Master Cylinder Reservoir Filling in Hydraulic Brakes.
13. Burnish the brake pads and rotors. Refer to Burnishing Pads and Rotors.