Curiosii for ever!: Car repair manuals for everyone.

Flex Plate: Service and Repair

ENGINE FLYWHEEL REPLACEMENT

REMOVAL PROCEDURE




1. Remove the automatic transmission.

IMPORTANT: Note the position and direction of the engine flywheel before removal.

2. Remove the engine flywheel bolts.
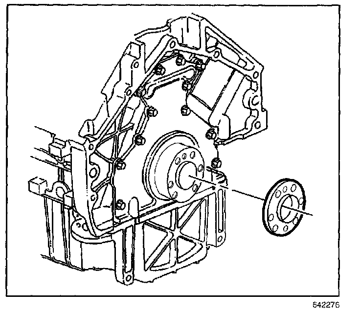
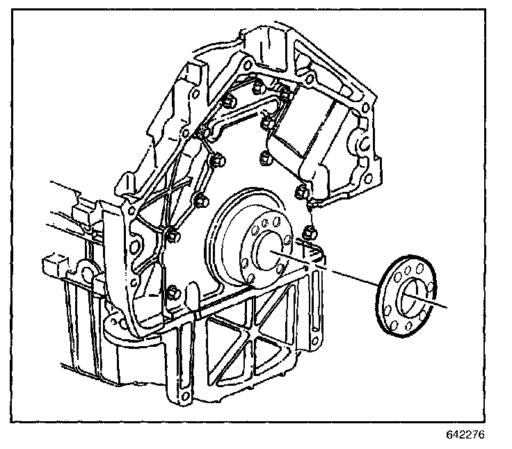
3. Remove the automatic transmission engine flywheel.




4. Install two M11x1.5 mm bolts (1) to the threaded holes of the spacer, if applicable.
5. Rotate the bolts clockwise to remove the spacer.




6. Remove the spacer from the rear of the crankshaft, if applicable.

INSTALLATION PROCEDURE

IMPORTANT:
- The flywheel does not use a locating pin for alignment and will not initially seat against the crankshaft flange or spacer (if applicable), but will be pulled onto the crankshaft by the engine flywheel bolts. This procedure requires a three stage tightening process.
- Certain applications (6.0L) require a spacer and longer bolts for proper flywheel position.




1. Install the spacer (if applicable) onto the rear of the crankshaft.




2. Install the automatic transmission engine flywheel to the crankshaft.

IMPORTANT: Longer flywheel bolts must be used on applications using a flywheel spacer.

3. Apply threadlike GM P/N 12345382 (Canadian P/N 10953489) or equivalent to the threads of the flywheel bolts.

NOTE: Refer to Fastener Notice in Service Precautions.

4. Install the engine flywheel bolts.





Tighten
4.1. Tighten the engine flywheel bolts a first pass in sequence to 20 N.m (15 lb ft).
4.2. Tighten the engine flywheel bolts a second pass in sequence to 50 N.m (37 lb ft).
4.3. Tighten the engine flywheel bolts a final pass in sequence to 100 N.m (74 lb ft).
5. Install the automatic transmission.