Curiosii for ever!: Car repair manuals for everyone.

Brake Light Switch: Service and Repair

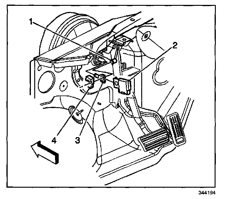
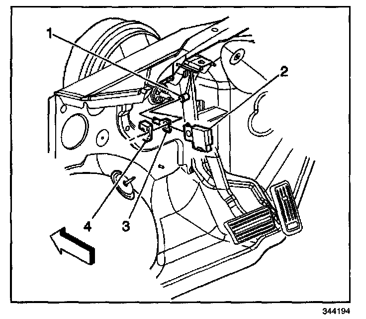
STOP LAMP SWITCH REPLACEMENT

REMOVAL PROCEDURE




1. Disconnect the electrical connector from the stop lamp switch (2).
2. Remove the pushrod retaining clip (4).
3. Remove the stop lamp switch (2).

INSTALLATION PROCEDURE




1. Install the stop lamp switch (2).
2. Install the pushrod retaining clip (4).
3. Connect the electrical connector to the stop lamp switch (2).