Oil Level Sensor: Service and Repair
ENGINE OIL LEVEL SENSOR AND/OR SWITCH REPLACEMENTREMOVAL PROCEDURE
1. Drain the engine oil. Refer to Engine Oil and Oil Filter Replacement.
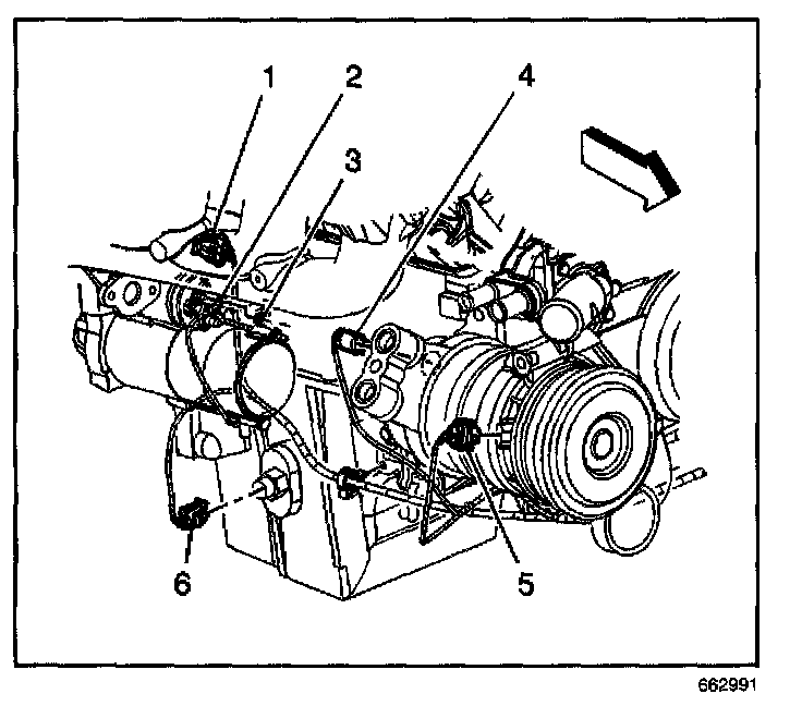
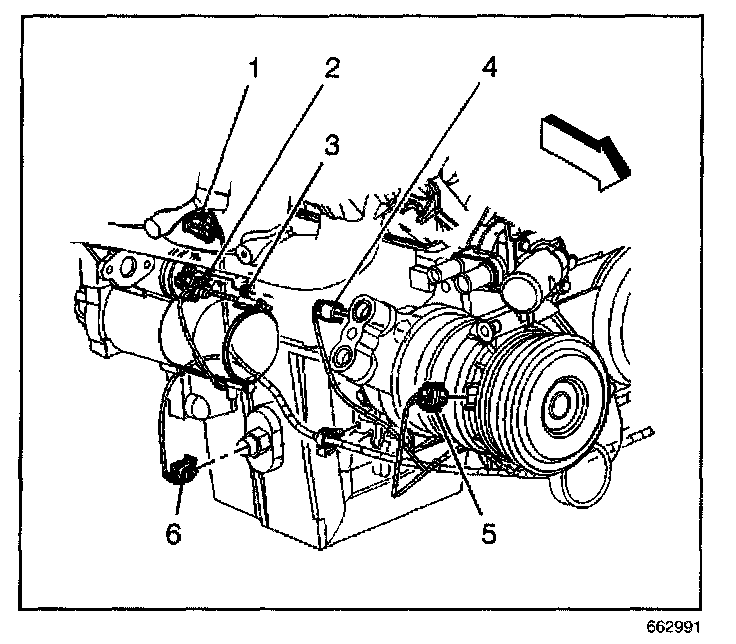
2. Disconnect the oil level sensor electrical connector (6).
3. Remove the oil level sensor from the oil pan.
INSTALLATION PROCEDURE
NOTE: Refer to Fastener Notice in Service Precautions.
1. Install the oil level sensor to the oil pan.
Tighten
Tighten the oil level sensor to 13 N.m (115 lb in).
2. Connect the oil level sensor electrical connector (6).
3. Fill the engine oil. Refer to Engine Oil and Oil Filter Replacement.