Curiosii for ever!: Car repair manuals for everyone.

Oil Level Sensor: Service and Repair

ENGINE OIL LEVEL SENSOR AND/OR SWITCH REPLACEMENT

REMOVAL PROCEDURE




1. Drain the engine oil. Refer to Engine Oil and Oil Filter Replacement.
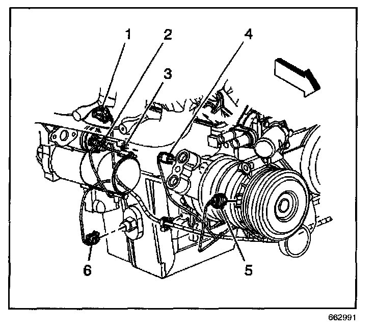
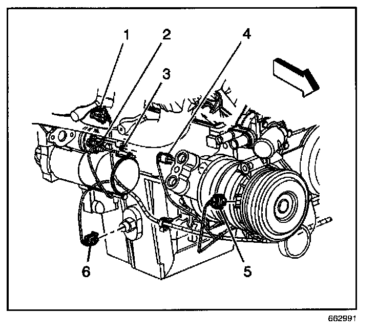
2. Disconnect the oil level sensor electrical connector (6).




3. Remove the oil level sensor from the oil pan.

INSTALLATION PROCEDURE

NOTE: Refer to Fastener Notice in Service Precautions.




1. Install the oil level sensor to the oil pan.

Tighten
Tighten the oil level sensor to 13 N.m (115 lb in).




2. Connect the oil level sensor electrical connector (6).
3. Fill the engine oil. Refer to Engine Oil and Oil Filter Replacement.