Curiosii for ever!: Car repair manuals for everyone.

Traction Control Switch: Service and Repair

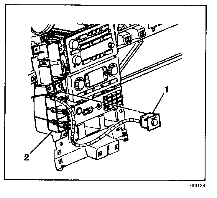
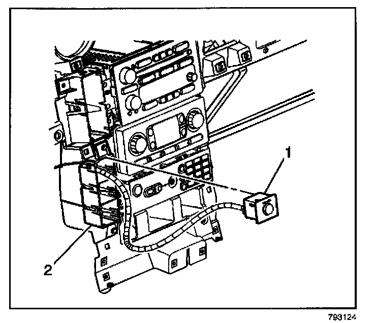
TRACTION CONTROL SWITCH REPLACEMENT

REMOVAL PROCEDURE




1. Remove the center I/P trim panel.
2. Gently lift the retaining tabs and remove the traction control switch (1) from the instrument panel (I/P) assembly (2).
3. Disconnect the harness connector from the traction control switch (1).

INSTALLATION PROCEDURE




1. Connect the harness connector to the traction control switch (1).
2. Install the traction control switch (1) into the UP assembly (2).
3. Ensure that the switch (1) is secure into both retaining tabs.
4. Install I/P bezel.