Curiosii for ever!: Car repair manuals for everyone.

Acceleration/Deceleration Sensor: Service and Repair

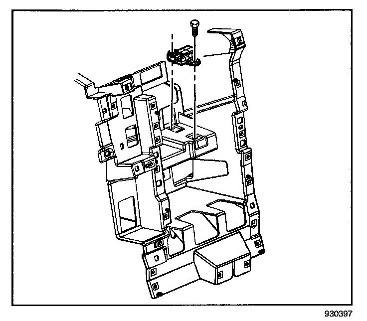
LONGITUDINAL ACCELEROMETER REPLACEMENT

REMOVAL PROCEDURE




1. Remove the center I/P trim panel.
2. Remove the longitudinal accelerometer retaining screws.
3. Remove the longitudinal accelerometer.

INSTALLATION PROCEDURE




1. Install the longitudinal accelerometer.

NOTE: Refer to Fastener Notice in Service Precautions.

2. Install the longitudinal accelerometer retaining screws.

Tighten
Tighten the screws to 2 N.m (18 lb in).

3. Install I/P bezel.