Catalytic Converter: Service and Repair
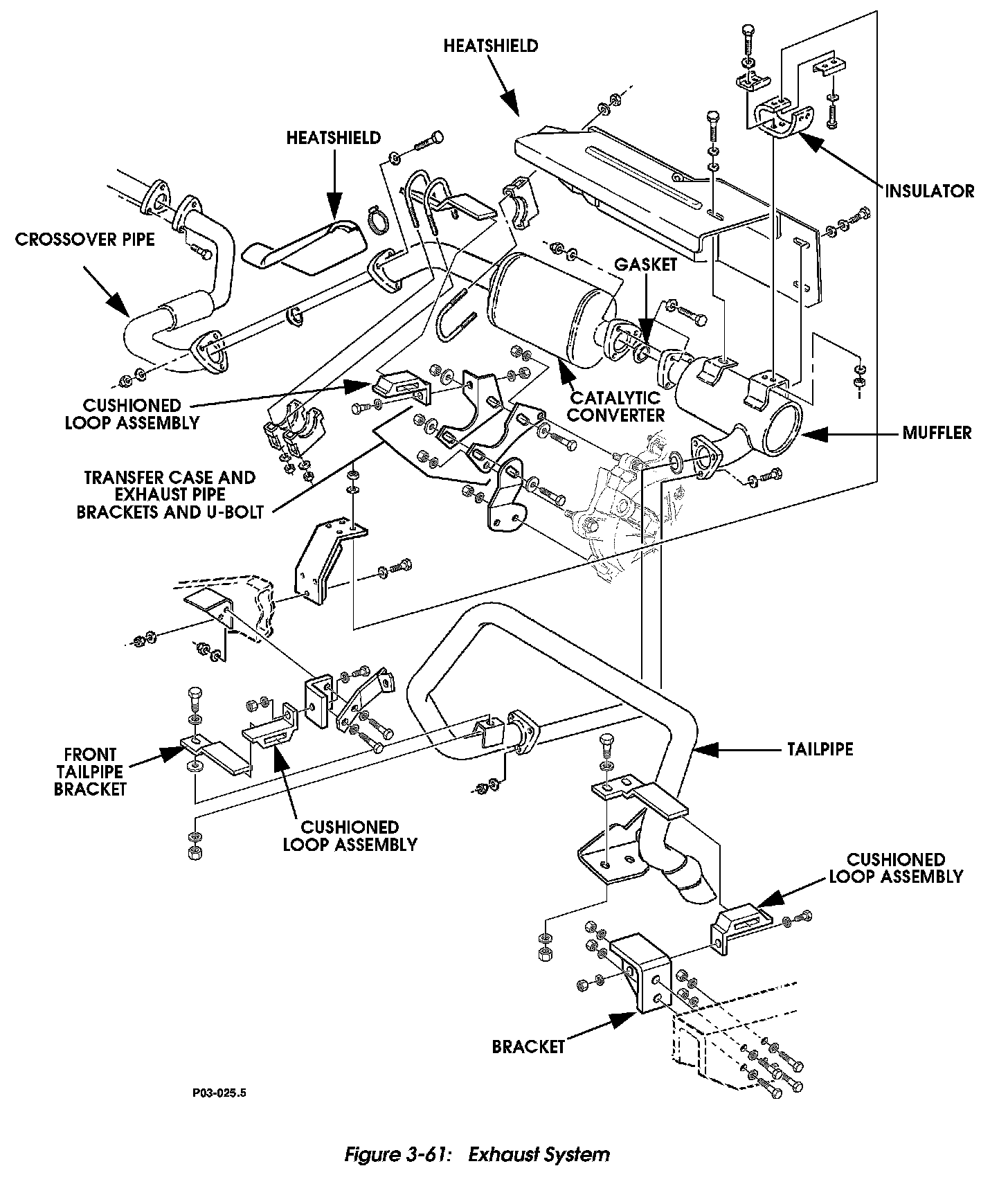
Figure 3-61: Exhaust System:
Figure 3-62: Transfer Case Exhaust Bracket Mounting:
CATALYTIC CONVERTER REPLACEMENT
1. Loosen or remove necessary frame brackets and clamps that retain converter and pipe (Figures 3-61 and 3-62).
2. Remove bolts attaching converter to crossover or head pipe.
3. Remove flange bolts attaching converter to muffler and crossover or head pipe.
4. Remove U-bolt at transfer case bracket.
5. Remove converter.
6. Position new single or dual converter assembly in vehicle and loosely install flange bolts.
7. Connect necessary exhaust brackets and clamps to frame or body as required.
8. Tighten exhaust flange bolts to 26 lb-ft. (35 N.m).
9. Tighten frame bracket bolts.
10. Tighten transfer case exhaust bracket U-bolt nuts to 26 lb-ft. (35 N.m).