Curiosii for ever!: Car repair manuals for everyone.

Fluid Filter - A/T: Service and Repair




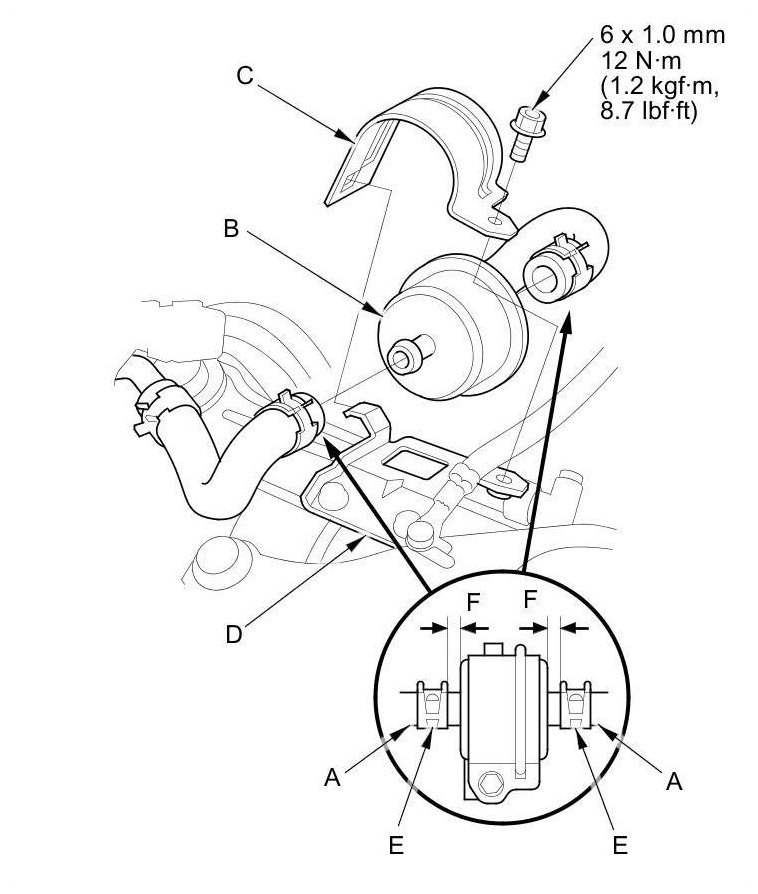
ATF Filter Replacement

1. Remove the air cleaner assembly Service and Repair.

2. Disconnect the ATF cooler hoses (A) from the ATF filter (B).





3. Remove the ATF filter holder (C).

4. Remove the ATF filter, and replace it.

5. Install the new ATF filter on the filter mounting bracket (D), and secure it with its holder and bolt.

6. Slide the ATF cooler hose on the ATF filter until the hose end contacts the filter housing, and secure the hose with the clip (E) at 6-8 mm (0.24-0.31 in) (F) from the filter housing. Install the cooler hose on the other side of the ATF filter in the same manner.

7. Install the air cleaner assembly Service and Repair.