Curiosii for ever!
: Car repair manuals for everyone.
Home
>>
Honda
>>
2012
>>
Fit L4-1.5L
>>
Repair and Diagnosis
>>
Engine, Cooling and Exhaust
>>
Cooling System
>>
Engine - Coolant Temperature Sensor/Switch
>>
Locations
>>
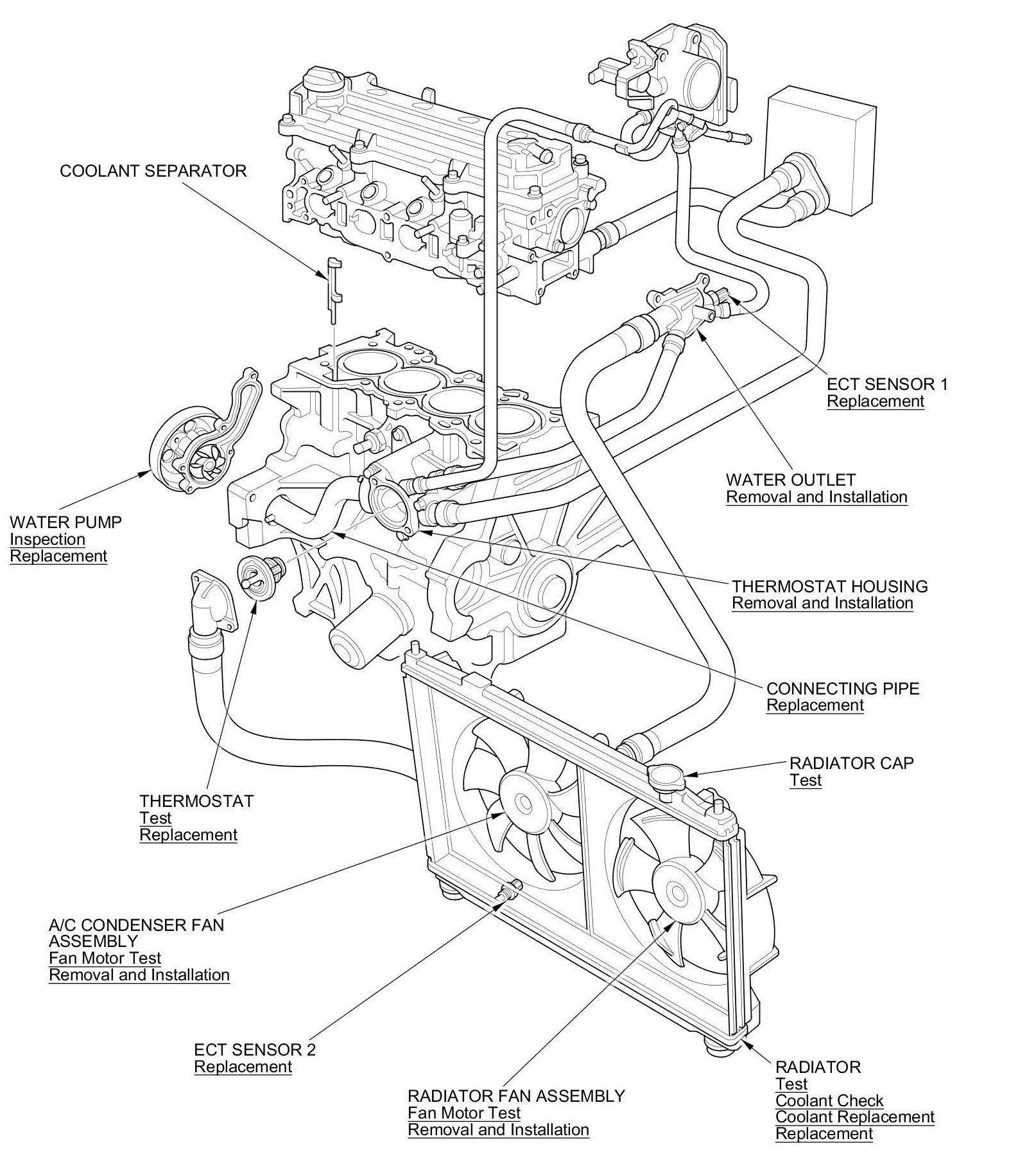
Cooling System Component Location Index
Cooling System Component Location Index
Cooling System Component Location Index