Curiosii for ever!: Car repair manuals for everyone.

Removal






VTC Actuator Inspection













Removal

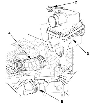
1. Air Cleaner Assembly





1. Disconnect the intake air duct (A) and the intake air pipe (B).

2. Remove the harness clamp (C).

3. Remove the air cleaner (D).

2. Vehicle Lift

1. Raise the vehicle on a lift, and make sure it is securely supported.

3. Tire and Wheel-Removal, Front Right





1. Remove the right front wheel.

4. Splash Shield

1. Remove the splash shield (A).





5. Radiator Cap

1. Wait until the engine is cool, then carefully remove the radiator cap.

6. Radiator Coolant - Replacement





1. Loosen the drain plug (A), and drain the coolant.

7. Drive Belt





1. Move the auto-tensioner (A) using the belt tension release tool in the direction of the arrow to relieve tension from the drive belt, then remove the drive belt.

8. Wiper Arm Assembly





NOTE: Set the wiper arms to the auto-stop position before removal.

1. Remove the cowl top wiper covers (A).

2. Remove the wiper arms (B).

9. Both Side Cowl Covers





1. Remove the side cowl cover (A).

2. The left side is shown; repeat on the right side.

10. Center Cowl Cover





1. Remove the center cowl cover (A).

2. Disconnect the windshield washer tube (B).

3. If necessary, remove the hood rear seal (C).

11. Under Cowl Panel





1. Remove the under cowl panel (A).

12. Engine Cover





1. Remove the engine cover.

13. Ignition Coil Cover





1. Remove the ignition coil cover.

14. Ignition Coil





1. Remove the ignition coils.

15. Cylinder Head Cover





1. Remove the cylinder head cover.

16. Set The Crankshaft To Top Dead Center





1. Turn the crankshaft so its white mark (A) lines up with the pointer (B).

NOTE: The other pointer (C) is not used.

17. Set The No.1 Piston at Top Dead Center (With Cam Chain Case/Oil Pump)





1. Set the No. 1 piston at top dead center (TDC). The punch mark (A) on the VTC actuator and the punch mark (B) on the exhaust camshaft sprocket should be at the top. Align the TDC marks (C) on the VTC actuator and the exhaust camshaft sprocket.

18. Cam Chain Case Peripheral Assembly





1. Remove the harness clamp.

19. VTC Oil Control Solenoid Valve





1. Remove the ground cable (A).

2. Remove the VTC oil control solenoid valve (B).

20. Crankshaft Pulley





1. Hold the pulley with the holder handle (A) and the crankshaft pulley holder (B).

2. Remove the bolt with a socket, 19 mm (C) and a breaker bar, then remove the crankshaft pulley.

21. Engine Jack Support (State Of A Low Vehicle)

1. Lift and support the engine with a jack and a wood block under the oil pan.

22. Upper Torque Rod





1. Remove the upper torque rod.

23. Side Engine Mount





1. Remove the ground cable (A), the side engine mount bracket (B), and the side engine mount (C).

24. Side Engine Mount Bracket, Engine Side





1. Remove the side engine mount bracket.

25. Cam Chain Case





1. Remove the cam chain case (A) and the spacer (B).

26. Cam Chain Auto-Tensioner





1. Loosely install the crankshaft pulley.

2. Turn the crankshaft counterclockwise to compress the auto-tensioner.





3. Rotate the crankshaft counterclockwise to align the holes on the lock (A) and the auto-tensioner (B), then insert a 1.2 mm (3/64 in) diameter pin (C) into the holes. Turn the crankshaft clockwise to secure the pin.

NOTE: If the holes in the lock and the auto-tensioner do not align, continue to rotating the crankshaft counterclockwise until the holes align, then install the pin.





4. Remove the auto-tensioner.

27. Cam Chain Tensioner Arm and Cam Chain Guide





1. Remove cam chain guide B.





2. Remove cam chain guide A and the tensioner arm (B).

28. Cam Chain

1. Remove the cam chain.

29. Camshaft Holder





1. Loosen the rocker arm and the adjusting screws (A).





2. Remove the camshaft holder bolts. To prevent damaging the camshafts, loosen the bolts, in sequence, two turns at a time.





3. Remove cam chain guide B , the camshaft holders (A).