Curiosii for ever!: Car repair manuals for everyone.

Installation




VTC Actuator Inspection

Installation

1. Camshaft Holder





1. Set the camshaft holders (A) and cam chain guide B in place.





2. Tighten the bolts to the specified torque.








2. Set The Crankshaft To Top Dead Center





1. Set the crankshaft to top dead center (TDC). Align the TDC mark (A) on the crankshaft sprocket with the pointer (B) on the engine block.

3. Set The Cam Shaft To Top Dead Center (Without Cam Chain Case/Oil Pump)





1. Set the camshafts to TDC. The punch mark (A) on the VTC actuator and the punch mark (B) on the exhaust camshaft sprocket should be at the top. Align the TDC marks (C) on the VTC actuator and the exhaust camshaft sprocket.

4. Cam Chain





1. To hold the intake camshaft, insert a camshaft lock pin set (C) into the maintenance hole in CMP pulse plate A and through the No. 5 rocker shaft holder (D).

2. To hold the exhaust camshaft, insert a camshaft lock pin set (C) into the maintenance hole in CMP pulse plate B and through the No. 5 rocker shaft holder (D).





3. Install the cam chain on the crankshaft sprocket with the colored link plate (A) aligned with the mark (B) on the crankshaft sprocket.





4. Install the cam chain on the VTC actuator and the exhaust camshaft sprocket with the punch marks (A) aligned with the center of the two colored link plates (B).

5. Cam Chain Tensioner Arm and Cam Chain Guide





1. Install cam chain guide A and the tensioner arm (B).





2. Install cam chain guide B.

6. Cam Chain Auto-Tensioner





1. Compress the auto-tensioner when replacing the cam chain. Remove the pin (A) from the auto-tensioner that was installed during removal. Turn the plate (B) counterclockwise, to release the lock, then press the rod (C), and set the first cam (D) to the first edge of the rack (E). Insert the 1.2 mm (3/64 in) diameter pin back into the holes (F).

NOTE: If the chain tensioner is not set up as described, the tensioner will be damaged.





2. Install the auto-tensioner.





3. Remove the pin from the auto-tensioner.





4. Remove the camshaft lock pin set.

7. Cam Chain Case





1. Check the chain case oil seal for damage. If the oil seal is damaged, replace the chain case oil seal.

2. Remove the old liquid gasket from the chain case mating surfaces, the bolts, and the bolt holes.

3. Clean and dry the chain case mating surfaces.

4. Apply liquid gasket (P/N 08718-0004 or 08718-0009) to the engine block mating surface of the chain case and to the inside edge of the threaded bolt holes. Install the component within 5 minutes of applying the liquid gasket.

* Apply a 2.5 mm (0.098 in) diameter bead of liquid gasket along the broken line (A) and (B).
* Apply a 3.0 mm (0.118 in) diameter bead of liquid gasket along the broken line (C).
* If too much time has passed after applying the liquid gasket, remove the old liquid gasket and residue, then reapply new liquid gasket.





5. Apply liquid gasket (P/N 08718-0004 or 08718-0009) to the oil pan mating surface of the chain case, and to the inside edge of the threaded bolt holes. Install the component within 5 minutes of applying the liquid gasket.

NOTE:
* Apply a 2.5 mm (0.098 in) diameter bead of liquid gasket along the broken line (A).
* Apply a 3.0 mm (0.118 in) diameter bead of liquid gasket along the broken line (B).
* If too much time has passed after applying the liquid gasket, remove the old liquid gasket and residue, then reapply new liquid gasket.

6. Install the spacer (A), then install a new O-ring (B) on the chain case. Set the edge of the chain case (C) to the edge of the oil pan (D), then install the chain case on the engine block (E). Wipe off the excess liquid gasket on the oil pan and the chain case mating area.

NOTE:
* When installing the chain case, do not slide the bottom surface onto the oil pan mounting surface.
* Wait at least 30 minutes before filling the engine with oil.
* Do not run the engine for at least 3 hours after installing the chain case.










8. Side Engine Mount Bracket, Engine Side





1. Install the side engine mount bracket (A), then tighten the side engine mount bracket mounting bolts.

9. Side Engine Mount





1. Install the new side engine mount mounting bolts (A) and the side engine mount bracket (B) using a nut and a new bolt, then loosely install the new side engine mount bracket mounting bolts and nut (C).

2. Install the ground cable (D).

10. Transmission Mount - Loosen





1. Loosen the transmission mount bracket bolt and nuts (A).

11. Lower Torque Rod Mounting Bolt - Loosen





1. Loosen the lower torque rod mounting bolt (A).

12. Side Engine Mount - Tighten





1. Tighten the side engine mount bracket mounting bolt and nut.

13. Transmission Mount - Tighten





1. Tighten the transmission mount bracket mounting bolt and nuts.

14. Lower Torque Rod Mounting Bolt - Tighten





1. Loosen the lower torque mount mounting bolt.

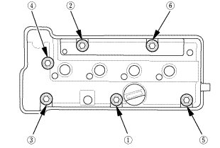
2. Tighten the lower torque rod mount mounting bolts in the numbered sequence shown.

15. Air Cleaner Assembly





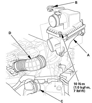
1. Install the air cleaner (A).

2. Install the harness clamp (B).

3. Connect the intake air pipe (C) and the intake air duct (D).

16. Upper Torque Rod





1. Install the upper torque rod using new bolts.

2. Tighten the upper torque rod mounting bolts in the numbered sequence shown.

17. Crankshaft Pulley





1. Clean the crankshaft pulley (A), the crankshaft (B), the bolt (C), and the washer (D). Lubricate with new engine oil as shown.





2. Install the crankshaft pulley, and hold the pulley with the holder handle (A) and the crankshaft pulley holder (B).

3. Torque the bolt to 50 Nm (5.1 kgfm, 37 lbfft) with a torque wrench and a socket, 19mm(C). Do not use an impact wrench. If the pulley bolt or crankshaft are new, torque the bolt to 177 Nm (18.0 kgfm, 131 lbfft), then remove the bolt and torque it to 50 Nm (5.1 kgfm, 37 lbfft).

4. Tighten the pulley bolt an additional 90 °.

18. Splash Shield

1. Install the splash shield (A).





19. VTC Oil Control Solenoid Valve





1. Install the VTC oil control solenoid valve (A) with a new O-ring (B).

NOTE:
* Coat a new O-ring with engine oil.
* Clean and dry the mating surface of the valve.

2. Install the ground cable (C).

20. Cam Chain Case Peripheral Assembly





1. Install the harness clamp.

21. Valve Clearance - Adjustment





1. Set the No. 1 piston at top dead center (TDC). The punch mark (A) on the VTC actuator and the punch mark (B) on the exhaust camshaft sprocket should be at the top. Align the TDC marks (C) on the VTC actuator and the exhaust camshaft sprocket.

2. Select the correct feeler gauge for the valve clearance you are going to check.
















3. Insert the feeler gauge (A) between the adjusting screw (B) and the end of the valve stem on the No.1 cylinder, and slide it back and forth; you should feel a slight amount of drag.





4. If you feel too much or too little drag, loosen the locknut with the locknut wrench and the adjuster, and turn the adjusting screw until the drag on the feeler gauge is correct.

5. Tighten the locknut to the specified torque, and recheck the clearance. Repeat the adjustment if necessary.












6. Rotate the crankshaft 180 ° clockwise (camshaft pulley turns 90 °).

7. Check and, if necessary, adjust the valve clearance on the No. 3 cylinder.





8. Rotate the crankshaft 180 ° clockwise (camshaft pulley turns 90 °).

9. Check and, if necessary, adjust the valve clearance on the No. 4 cylinder.





10. Rotate the crankshaft 180 ° clockwise (camshaft pulley turns 90 °).

11. Check and, if necessary, adjust the valve clearance on the No. 2 cylinder.

22. Cylinder Head Cover





1. Check the spark plug seals for damage. If any seals are damaged, replace them.

2. Thoroughly clean the head cover gasket and the groove.

NOTE: Check and, if necessary, replace the head cover gasket.

3. Install the head cover gasket (A) in the groove of the cylinder head cover (B). Make sure the head cover gasket is seated securely.





4. Remove all of the old liquid gasket from the chain case and the No.5 rocker shaft holder.

5. Clean the head cover contacting surfaces with a shop towel.

6. Apply liquid gasket, (P/N 08718-0004 or 08718-0009) on the chain case and the No. 5 rocker shaft holder mating areas (A). Install the component within 5 minutes of applying the liquid gasket.

NOTE: If too much time has passed after applying the liquid gasket, remove the old liquid gasket and residue, then reapply new liquid gasket.





7. Set the spark plug seals (A) on the spark plug tubes. Place the cylinder head cover (B) on the cylinder head, then slide the cover slightly back and forth to seat the head cover gasket.

8. Inspect the spark plug seals for damage.

9. Inspect the cover washers (C). Replace any washer that is damaged or deteriorated.





10. Tighten the bolts in two steps. In the final step torque bolts, in sequence, to 12 Nm (1.2 kgfm, 9 lbfft).

NOTE:
* Wait at least 30 minutes before filling the engine with oil.
* Do not run the engine for at least 3 hours after installing the head cover.

23. Ignition Coil





1. Install the ignition coils.

24. Ignition Coil Cover





1. Install the ignition coil cover.

25. Engine Cover





1. Install the engine cover.

26. Under Cowl Panel





1. Install the under cowl panel (A).

27. Center Cowl Cover





1. If necessary, install the hood rear seal (A).

2. Connect the windshield washer tube (B).

3. Install the center cowl cover (C).

28. Both Side Cowl Covers





1. Install the side cowl cover (A).

2. The left side is shown; repeat on the right side.

29. Wiper Arm Assembly





NOTE: Set the wiper arms to the auto-stop position before installation.

1. Install the wiper arms (A).

2. Install the cowl top wiper covers (B).

30. Drive Belt





1. Install the drive belt.

31. Radiator Coolant - Replacement

1. Pour Honda Long Life Antifreeze/Coolant Type 2 into the radiator up to the base of the filler neck.

NOTE (Except K24Z7 engine):
* Always use Honda Long Life Antifreeze/Coolant Type 2. Using a non-Honda coolant can result in corrosion, causing the cooling system to malfunction or fail.
* Honda Long Life Antifreeze/Coolant Type 2 is a mixture of 50 % antifreeze and 50 % water. Do not add water.















NOTE (K24Z7 engine):
* Always use Honda Long Life Antifreeze/Coolant Type 2. Using a non-Honda coolant can result in corrosion, causing the cooling system to malfunction or fail.
* Honda Long Life Antifreeze/Coolant Type 2 is a mixture of 50 % antifreeze and 50 % water. Do not add water.
* If the vehicle is regularly driven in very low temperatures (under -31 °F,-35 °C) a 60 % concentration of coolant should be used. To accomplish this, pour 1.6 L (0.4 US gal) of Honda Extreme Cold Weather Antifreeze/Coolant Type 2 into the radiator first, then add Honda Long Life Antifreeze/Coolant Type 2 until the radiator is full.


















32. Tire and Wheel-Installation, Front Right





1. Install the right front wheel.

NOTE: Before installing the wheel, clean the mating surfaces between the brake disc and the inside of the wheel.

33. HDS DLC - Connection





1. Connect the HDS to the data link connector (DLC) (A) located under the driver's side of the dashboard.

2. Turn the ignition switch to ON (II).

3. Make sure the HDS communicates with the vehicle. If it does not communicate, go to the DLC circuit troubleshooting.

34. CKP Pattern Clear/CKP Pattern Learn

1. Select CRANK PATTERN in the ADJUSTMENT MENU with the HDS.

2. Select CRANK PATTERN CLEAR, and clear the CKP pattern.

3. Select CRANK PATTERN LEARNING with the HDS, and follow the screen prompts.

35. Maintenance Minder Reset

1. After doing all procedures, select the individual maintenance item you wish to reset with the HDS (See the Maintenance Minder General Information).