Curiosii for ever!
: Car repair manuals for everyone.
Home
>>
Honda
>>
2012
>>
Civic Natural Gas L4-1.8L CNG
>>
Repair and Diagnosis
>>
Specifications
>>
Mechanical Specifications
>>
Engine
>>
Intake Manifold
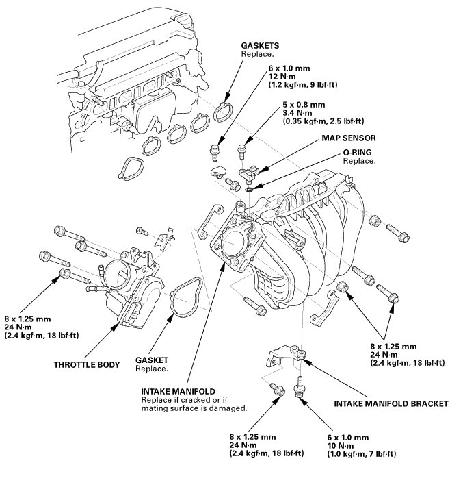
Intake Manifold
Intake Manifold
Exploded View
(Natural Gas Model)
Intake Manifold
Assembly
Tighten the bolts/nuts in a crisscross pattern in three steps, beginning with the inner bolt.