Curiosii for ever!
: Car repair manuals for everyone.
Home
>>
Honda
>>
2012
>>
Civic L4-1.8L
>>
Repair and Diagnosis
>>
Accessories and Optional Equipment
>>
Antitheft and Alarm Systems
>>
Keyless Entry
>>
Diagrams
>>
Electrical Diagrams
>>
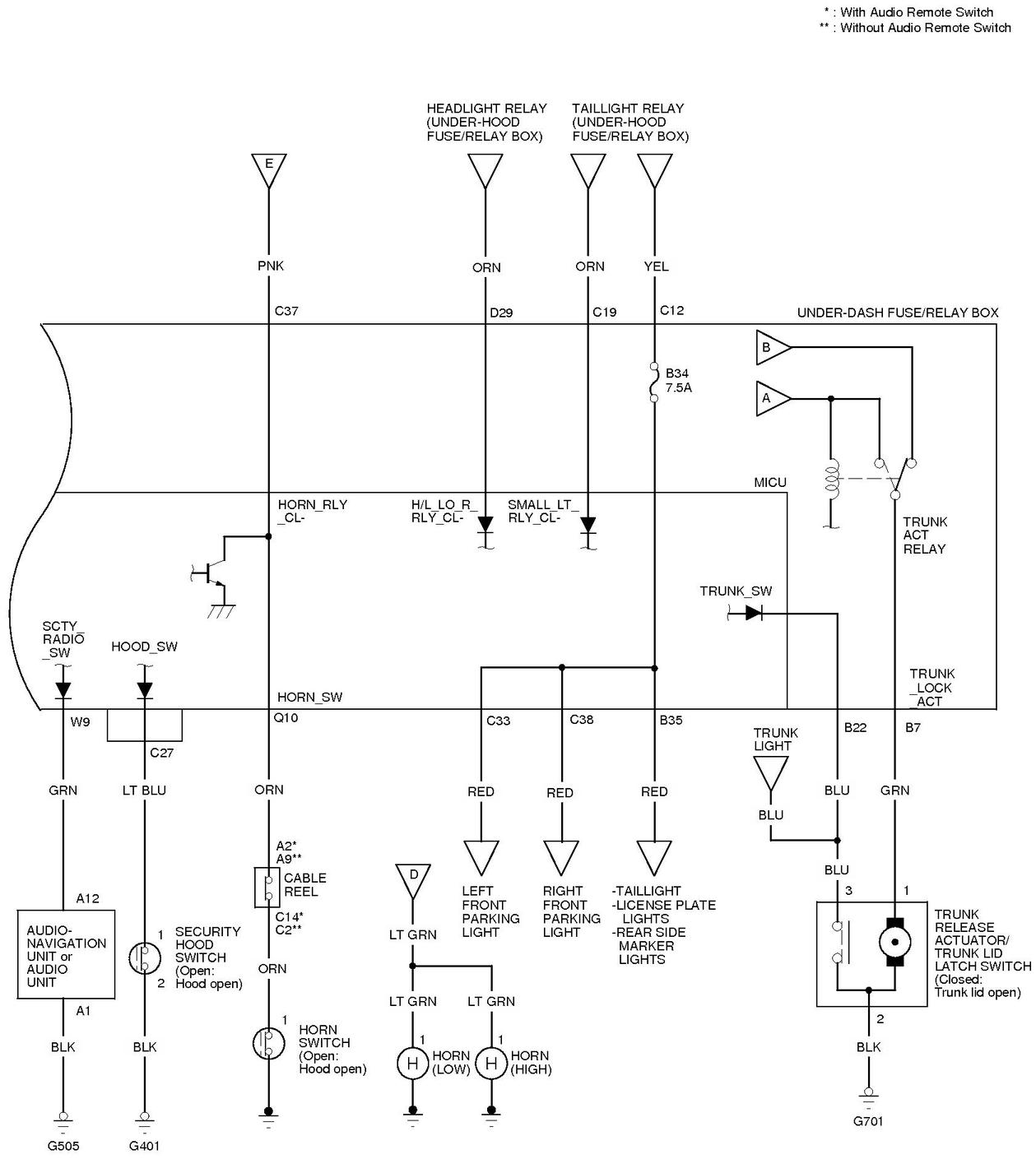
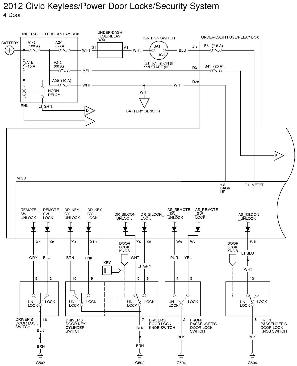
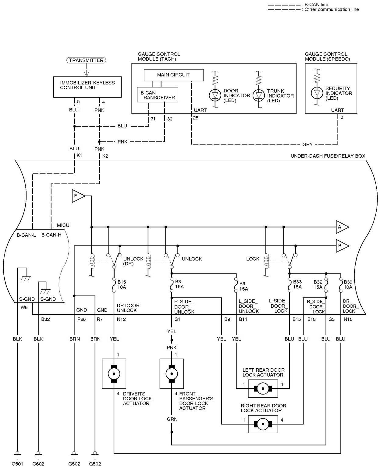
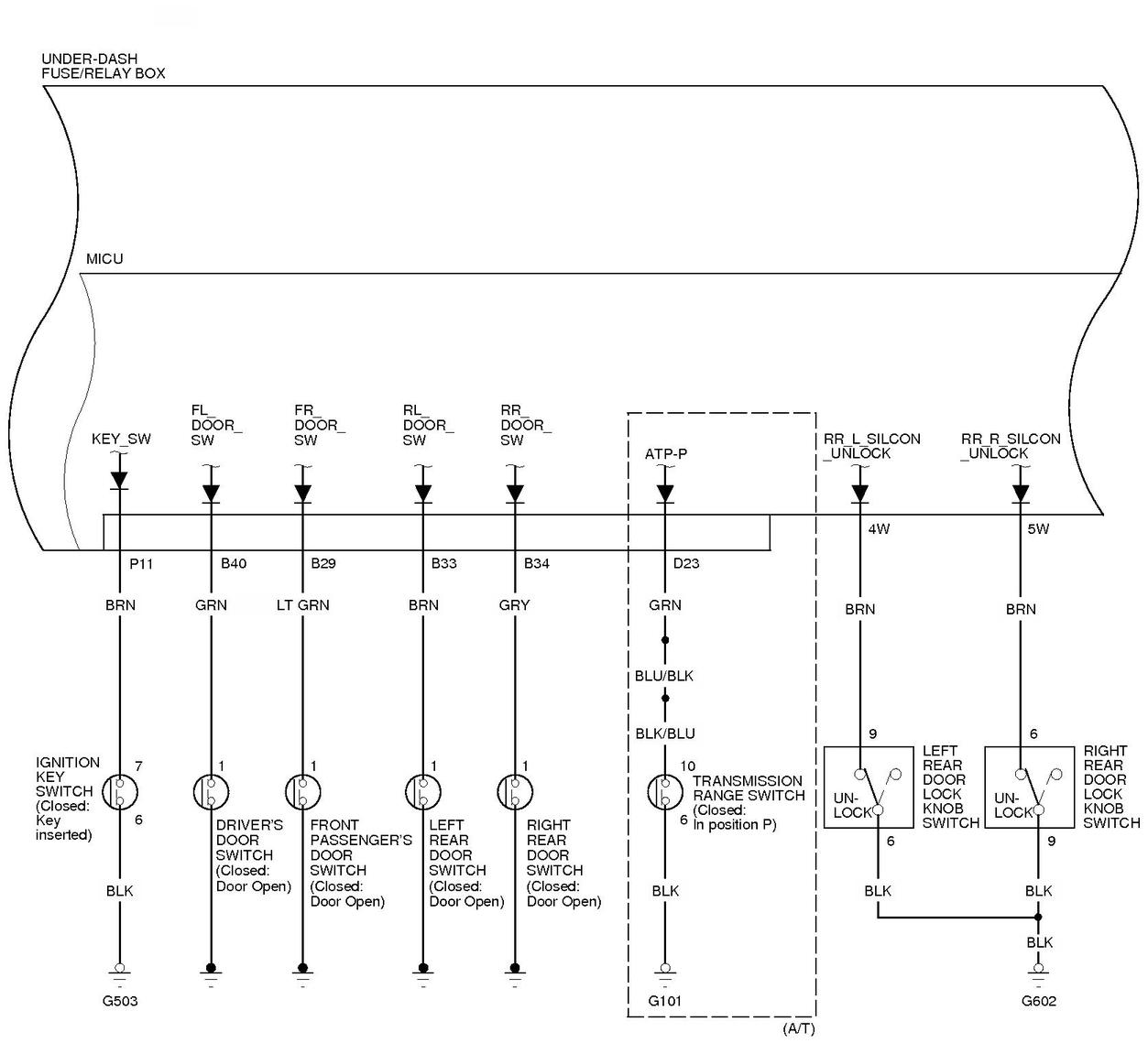
Keyless/Power Door Locks/Security System Circuit Diagram (Security System)
Keyless/Power Door Locks/Security System Circuit Diagram (Security System)
Keyless/Power Door Locks/Security System Circuit Diagram (Security System)