Curiosii for ever!: Car repair manuals for everyone.

Front Door Window Motor: Service and Repair






Front Power Window Motor Removal and Installation

Removal

1. Front Door Power Window Switch Panel (4-door)





1. Remove the power window switch panel (A).

2. Front Door Panel - Driver's Side (4-Door)





1. Remove the inner handle cap (A).





2. Remove the screw (A).





3. Remove the screw (A).





4. Remove the door panel (A).

3. Front Door Plastic Cover (4-door)





1. Remove the harness clips (A).

2. Remove the plastic cover (B).

4. Front Door Glass - Support





1. Remove the bolts (A).





2. Secure the glass (A) with tape (B).

5. Front Door Regulator





1. Remove the regulator (A).

6. Front Power Window Motor





1. Remove the power window motor (A).

Installation

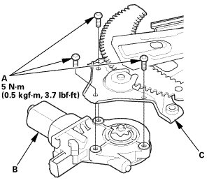
1. Front Power Window Motor





NOTE: Screw threads are not tapped into the new power window motor. Install the new motor as follows, using the self-tapping screws provided.

1. Install the power window motor onto the regulator (C) as shown, and tighten the screws until the screw head contacts with the linkage.

NOTE:
* Screw in the self-tapping screws, keeping them vertical.
* Do not use an air tool or impact wrench to install the screws.
* Use only the self-tapping screws provided with the motor.

2. Loosen the screws, then retighten them to the specified torque.

2. Front Door Regulator





1. Apply multipurpose grease to all the sliding surfaces of the regulator (A).





2. Install the regulator (A).

3. Front Door Glass - Support





1. While holding the glass (A), remove the tape (B).





2. Install the bolts (A).

4. Front Door Plastic Cover (4-door)





1. Install the plastic cover (A).

2. Install the harness clips (B).

5. Front Door Panel - Driver's Side (4-Door)





1. Install the door panel (A).





2. Install the screw (A).





3. Install the screw (A).





4. Install the inner handle cap (A).

6. Front Door Power Window Switch Panel (4-door)





1. Install the power window switch panel (A).

7. Power Window Control Unit - Reset

Resetting the power window is required when any of the following have occurred:
* Power window regulator replacement or repair
* Power window motor replacement or repair
* Glass run channel replacement
* Driver's door glass replacement
* Power window master switch replacement

1. Turn the ignition switch to ON (II).

2. Move the driver's window all the way down with the driver's window DOWN switch.

3. Open the driver's door.

NOTE: Steps 4-7 must be done within 5 seconds of each other.

4. Turn the ignition switch to LOCK (0).






5. Push and hold the driver's window DOWN switch.

6. Turn the ignition switch to ON (II).

7. Release the driver's window DOWN switch.

8. Repeat step 4-7 three more times.

9. Wait at least 1 second.

10. Confirm that AUTO UP and AUTO DOWN do not work. If AUTO UP and DOWN work, go back to step 1.

11. Move the driver's window all the way down with the driver's window DOWN switch.

12. Pull up and hold the driver's window UP switch until the window reaches the fully closed position, then continue to hold the switch for at least 1 second.

13. Confirm that the power window control unit is reset by using the driver's window AUTO UP and AUTO DOWN functions:

* If the window still does not work in AUTO, repeat the procedure several times, paying close attention to the 5 second time limit between steps.
* If the window still does not work, refer to the master switch input test.