Curiosii for ever!: Car repair manuals for everyone.

Thermal Limiting Fuse: Service and Repair




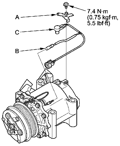
A/C Compressor Thermal Protector Replacement

1. Remove the bolt and the holder (A). Disconnect the field coil connector (B), then remove the thermal protector (C).






2. Replace the thermal protector (A) with a new one, and apply silicone sealant (B) to the bottom of the thermal protector.





NOTE: Make sure not to get any silicone grease on the terminal part of the connectors and switches, especially if you have silicone grease on your hands or gloves.

3. Install the thermal protector in the reverse order of removal.