Curiosii for ever!
: Car repair manuals for everyone.
Home
>>
Honda
>>
2011
>>
Fit L4-1.5L
>>
Repair and Diagnosis
>>
Powertrain Management
>>
Emission Control Systems
>>
Exhaust Gas Recirculation
>>
EGR Valve
>>
Service and Repair
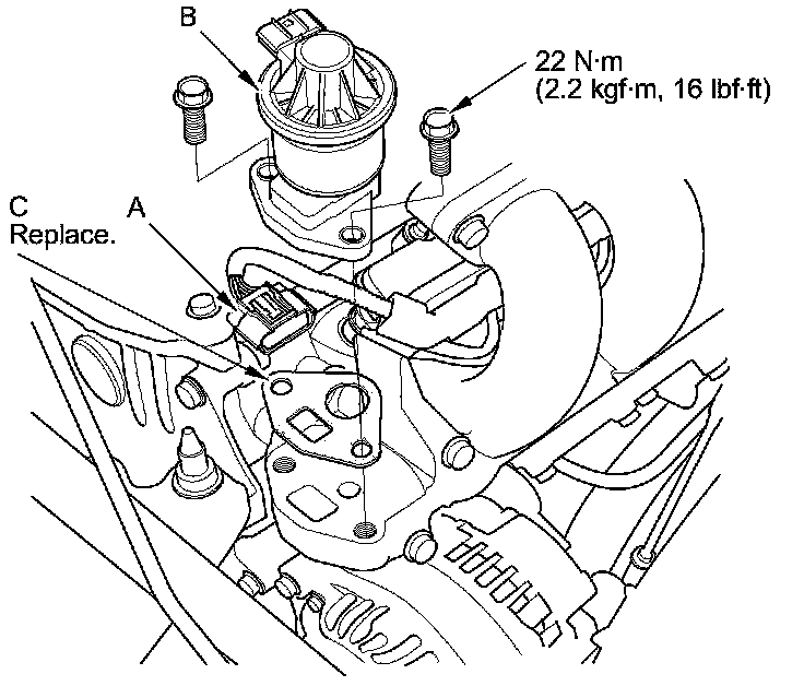
EGR Valve: Service and Repair
EGR Valve
Replacement
1.
Disconnect the
EGR valve
connector (A).
2.
Remove the
EGR valve
(B).
3.
Install the parts in the reverse order of removal with a new gasket (C).