Curiosii for ever!: Car repair manuals for everyone.

Blower Unit Removal/Installation




Blower Unit Removal/Installation

1. Remove the passenger's dashboard undercover Passenger's Dashboard Undercover Removal/Installation and the glove box Glove Box Removal/Installation.

2. Remove the recirculation control cable from the blower unit Adjustments.

3. Remove the bolts and the glove box frame (A).






4. Cut the plastic cross brace (A) in the glove box opening with diagonal cutters in the area (B). Remove and discard the plastic cross brace.






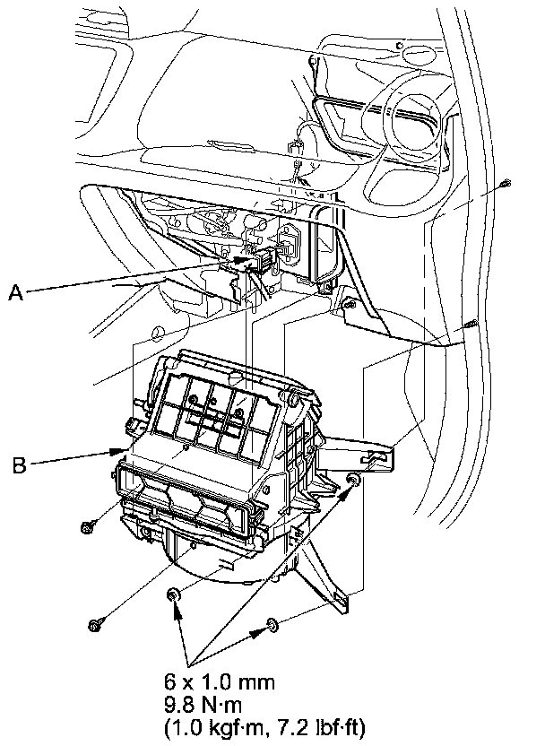
5. Disconnect the connector (A) from the blower motor (B).






6. Remove the self-tapping screws and the harness clip (A), then remove the passenger's heater duct (B).






7. Remove the connector clip (A), the self-tapping screws and the mounting nuts, then pull the blower unit (B) out.





8. Install the unit in the reverse order of removal. Make sure that there is no air leakage.