Curiosii for ever!: Car repair manuals for everyone.

Variable Valve Timing Solenoid: Service and Repair




Rocker Arm Oil Control Valve Removal/Installation

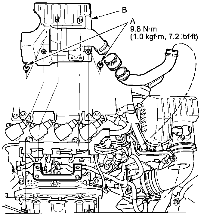
1. Remove the intake air resonator mounting bolts (A), then remove the intake air resonator (B).






2. Remove the three bolts securing the intake manifold bracket B to the intake manifold chamber and the intake manifold, then disconnect the MAP sensor connector (A).






3. Remove the intake air duct (A).






4. Disconnect the throttle body connector (A), the EVAP hose (B), and the two coolant bypass hoses (C) from the throttle body. Plug the lines to prevent coolant from leaking out.






5. Raise the vehicle on a lift.

6. Remove the two bolts and five clips securing the front undercover, then lower the front undercover (from underneath the vehicle).






7. Remove the two bolts (A) connecting the intake manifold bracket (B) to the intake manifold chamber (C), and loosen the third bolt (D).






8. Lower the vehicle on a lift.

9. Remove the three mounting bolts and the two mounting nuts attaching the intake manifold chamber (A) to the intake manifold (B).






10. Disconnect the rocker arm oil control solenoid 1 connector (A), the rocker arm oil control solenoid 2 connector (B), the rocker arm oil pressure switch connector (C), and the rocker arm oil pressure sensor connector (D).






11. Pull back the intake manifold chamber to allow access to the rocker arm oil control valve mounting bolts, then remove the three bolts (E)

12. Remove the rocker arm oil control valve (F).

13. Install the rocker arm oil control valve in the reverse order of removal with a new filter (G).

14. Install the parts removed in reverse order of removal with new intake port gaskets, then do this:

- Check that all hoses and connectors are correctly installed.
- Clean up any spilled engine coolant.
- Refill the radiator with engine coolant Service and Repair.