Curiosii for ever!: Car repair manuals for everyone.

Drive Motor Rotor Position Sensor: Service and Repair




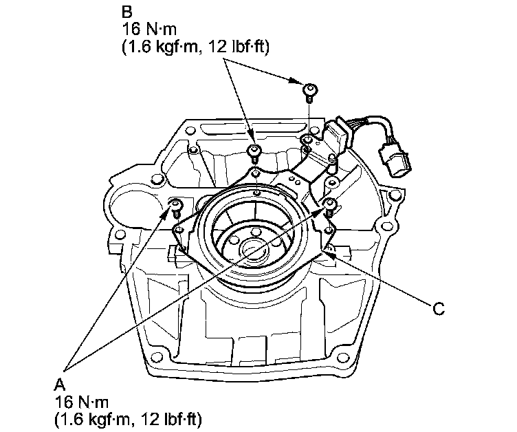
IMA Motor Rotor Position Sensor Removal/Installation

1. Remove the IMA motor housing IMA Motor Housing Removal/Installation.

2. Remove the bolts (A, B) and the IMA motor rotor position sensor (C).





3. Install the parts in the reverse order of removal.

NOTE: Tighten the side bolts (A) first, then tighten the upper bolts (B).

4. Do the IMA motor rotor position calibration procedure.