Curiosii for ever!: Car repair manuals for everyone.

A/T Clutch Pressure Control Solenoid Valve B Test




A/T Clutch Pressure Control Solenoid Valve B Test

1. Connect the HDS to the DLC (A).





2. Select Clutch Pressure Control (Linear) Solenoid B in Miscellaneous Test Menu on the HDS.

NOTE: If the HDS does not communicate with the PCM, troubleshoot the DLC circuit Testing and Inspection.

3. Test A/T clutch pressure control solenoid valve B with the HDS.

- If the valve tests OK, the test is complete. Disconnect the HDS.
- If the valve does not test OK, follow the instructions on the HDS.
- If the valve does not test OK, and the HDS does not determine the cause, go to step 4.

4. Remove the air cleaner assembly Service and Repair.

5. Disconnect the A/T clutch pressure control solenoid valve B connector.





6. Measure the A/T clutch pressure control solenoid valve B resistance at the connector terminals.





- If the resistance is out of standard, replace A/T clutch pressure control solenoid valve B A/T Clutch Pressure Control Solenoid Valve B And C Replacement.
- If the resistance is within the standard, go to step 7.

7. Connect a jumper wire from the negative battery terminal to the solenoid valve B connector terminal No. 2, and connect another jumper wire from the positive battery terminal to the connector terminal No. 1.

- If a clicking sound is heard, the valve is OK. Reconnect the connector, and install all removed parts.
- If no clicking sound is heard, go to step 8.

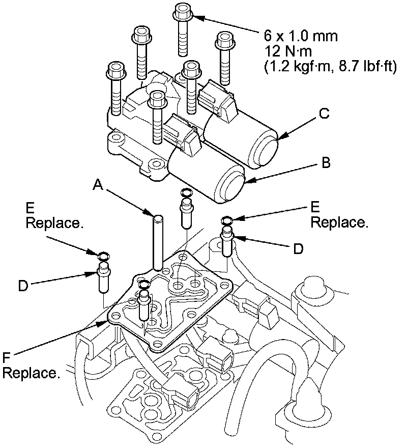
8. Remove the breather hose (A) from its clamp (B), and remove the breather hose clamp bracket (C).






9. Remove A/T clutch pressure control solenoid valve B and C.





10. Remove the ATF pipe (A), the ATF joint pipes (D), the O-rings (E), and the gasket (F).

11. Check the fluid passage of the solenoid valve for contamination.

12. Connect a jumper wire from the negative battery terminal to A/T clutch pressure control solenoid valve B connector terminal No. 2, and connect another jumper wire from the positive battery terminal to the connector terminal No. 1. Make sure A/T clutch pressure control solenoid valve B moves.





13. Disconnect one of the jumper wires, and check valve movement at the fluid passage in the valve body mounting surface. If the valve binds or moves sluggishly, or if the solenoid valve does not operate, replace A/T clutch pressure control solenoid valve B and C.

14. Clean the mounting surfaces and fluid passages of the solenoid valve body and the transmission housing.

15. Install a new gasket with blue side down; white side up on the transmission housing.

16. Install the ATF pipe and the ATF joint pipes, and install new O-rings over the ATF joint pipes.

17. Install A/T clutch pressure control solenoid valve B and C.

18. Check the connectors for rust, dirt, or oil, clean or repair if necessary, then connect the connectors securely.

19. Install the breather hose clamp bracket, and install the breather hose on its clamp at the dot.

20. Install the air cleaner assembly Service and Repair.