Curiosii for ever!: Car repair manuals for everyone.

Fuel And Emissions System Description - Electronic Control System




Fuel and Emissions System Description - Electronic Control System

Electronic Control Systems

The functions of the fuel and emission control systems are managed by the engine control module (ECM) on vehicles with manual transmissions or the powertrain control module (PCM) on vehicles with automatic transmissions.

Self-diagnosis

The ECM/PCM detects the failure of a signal from a sensor or from another control unit and stores a Pending DTC or a Confirmed DTC. Depending on the failure, a Confirmed DTC is stored in either the first or the second drive cycle. When a Confirmed DTC is stored, the ECM/PCM turns on the malfunction indicator lamp (MIL) by a signal sent to the gauge via F-CAN.

- One Drive Cycle Detection Method
When an abnormality occurs in the signal from a sensor or from another control unit, the ECM/PCM stores a Confirmed DTC for the failure and turns on the MIL immediately.
- Two Drive Cycle Detection Method
When an abnormality occurs in the signal from a sensor or from another control unit in the first drive cycle, the ECM/PCM stores a Pending DTC. The MIL does not come on at this time. If the failure continues in the second drive cycle, the ECM/PCM stores a Confirmed DTC and turns on the MIL.

Fail-safe Function

When an abnormality occurs in the signal from a sensor or from another control unit, the ECM/PCM ignores that signal and substitutes a pre-programmed value for them that allows the engine to continue running. This causes a DTC to be stored and the MIL to come on.

MIL Bulb Check and Readiness Code Condition

When the ignition switch is turned to ON (II), the ECM/PCM turns on the MIL via the F-CAN circuit for about 15 to 20 seconds to check the bulb condition. If any readiness codes are not set to complete, the MIL flashes five times. If all readiness codes are set to complete, the MIL goes off.

Self Shut Down (SSD) Mode

After the ignition switch is turned to ACC (I) or to LOCK (0), the ECM/PCM stays on (about 30 minutes). If an ECM/PCM connector is disconnected during this time, the ECM/PCM may be damaged. To cancel this mode, disconnect the negative cable from the battery or jump the SCS line with the HDS after the ignition switch is turned to ACC (I) or LOCK (0).

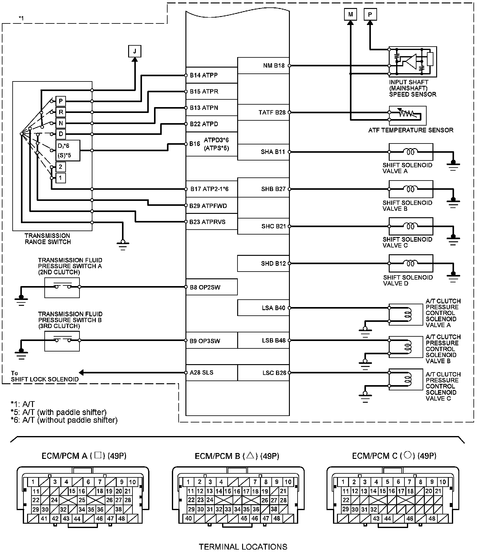
ECM/PCM Inputs and Outputs at ECM/PCM Connector A ((square)) (49P)














ECM/PCM Inputs and Outputs at ECM/PCM Connector A ((square)) (49P)














ECM/PCM Inputs and Outputs at ECM/PCM Connector A ((square)) (49P)














ECM/PCM Inputs and Outputs at ECM/PCM Connector B ((triangle)) (49P)














ECM/PCM Inputs and Outputs at ECM/PCM Connector B ((triangle)) (49P)














ECM/PCM Inputs and Outputs at ECM/PCM Connector B ((triangle)) (49P)














ECM/PCM Inputs and Outputs at ECM/PCM Connector C ((circle)) (49P)










ECM/PCM Inputs and Outputs at ECM/PCM Connector C ((circle)) (49P)










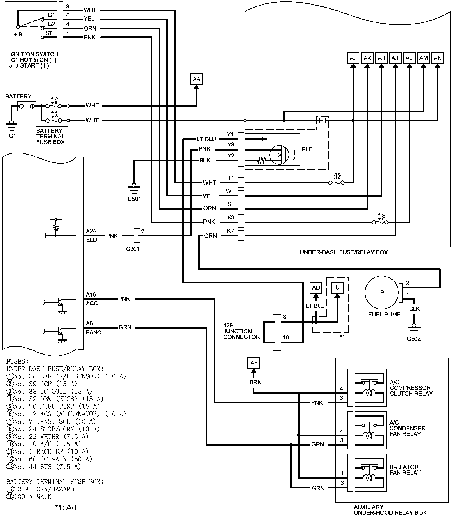
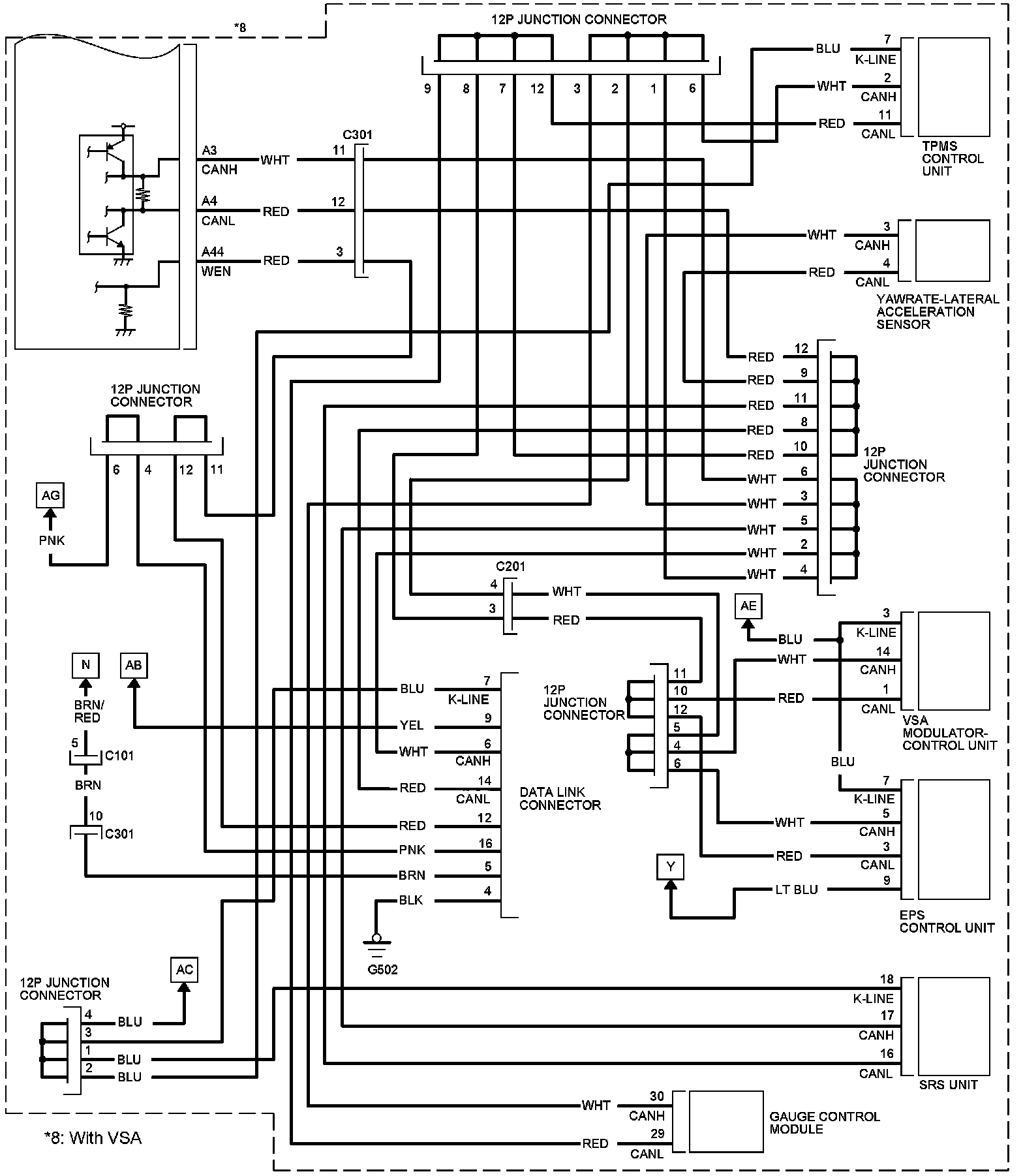
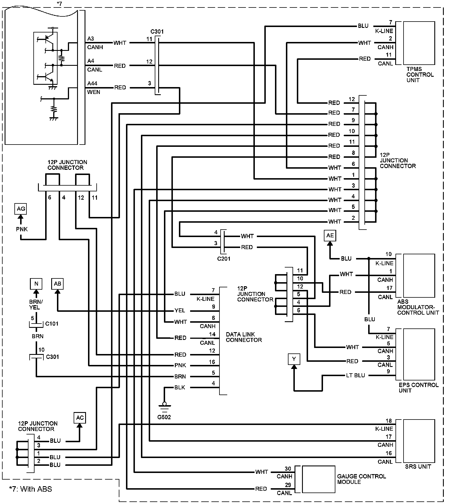
ECM/PCM Electrical Connections










ECM/PCM Electrical Connections (cont'd)










ECM/PCM Electrical Connections (cont'd)










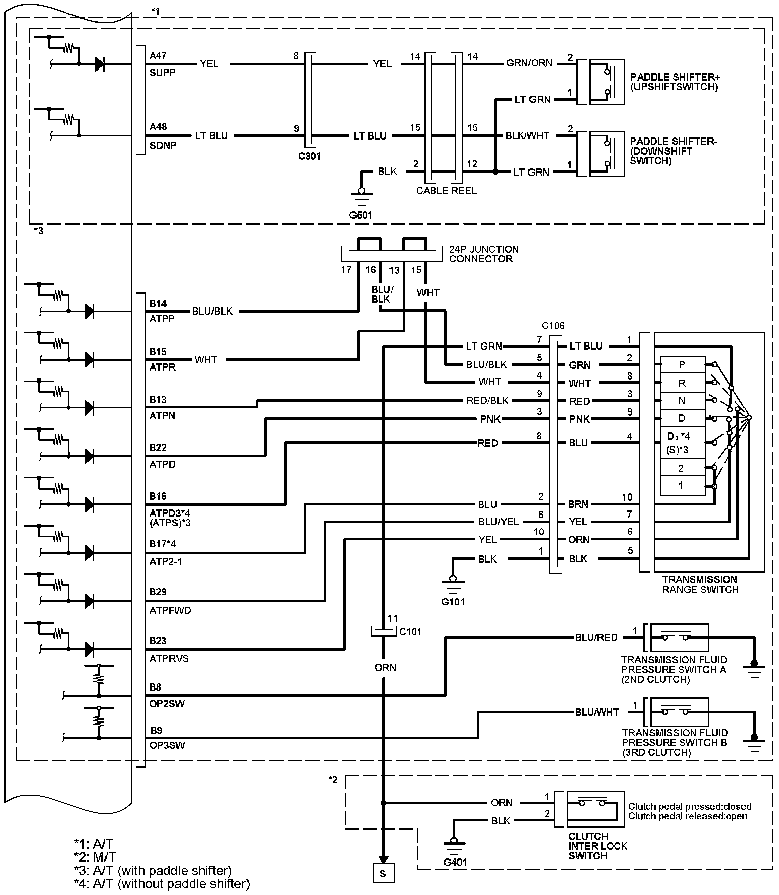
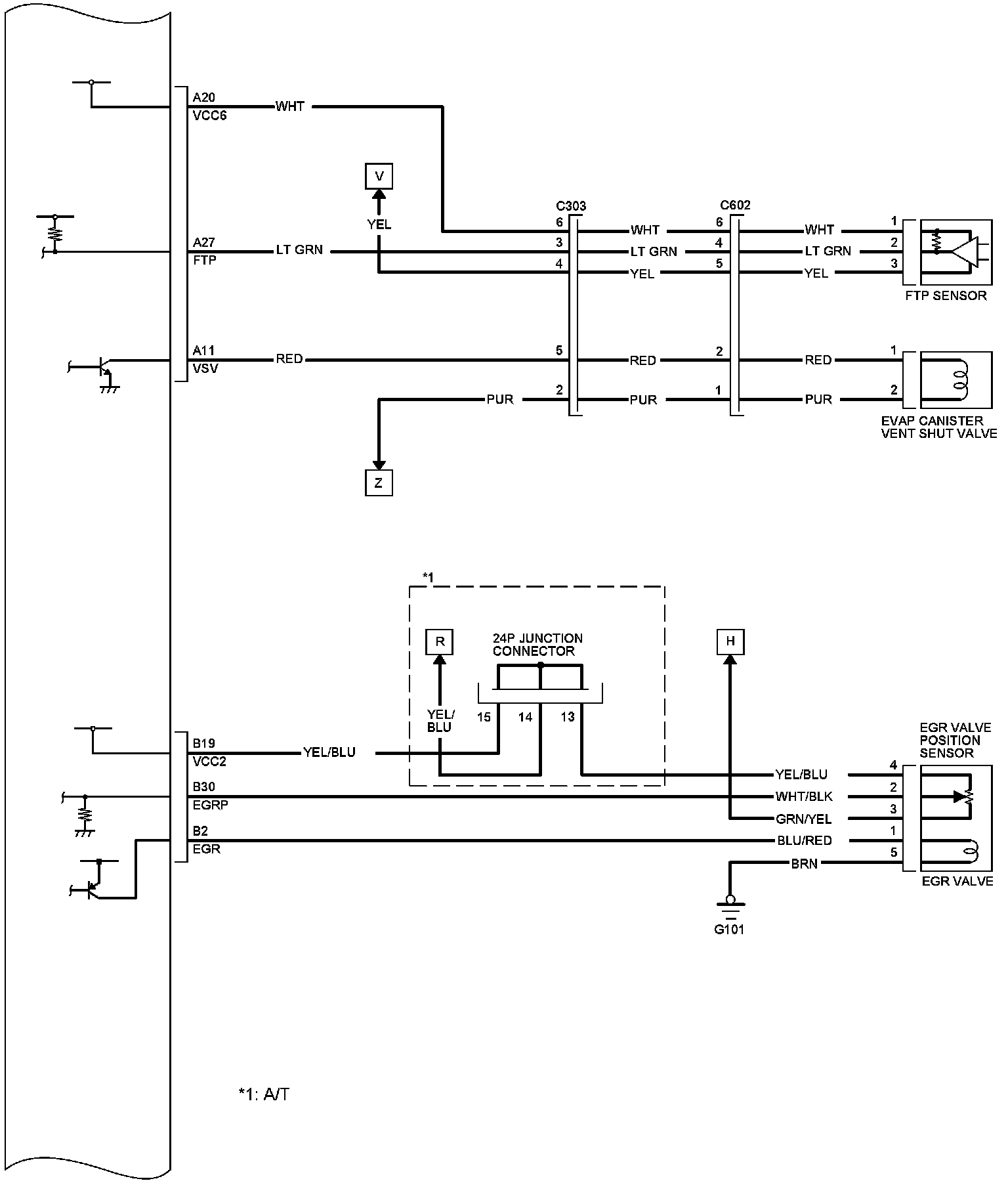
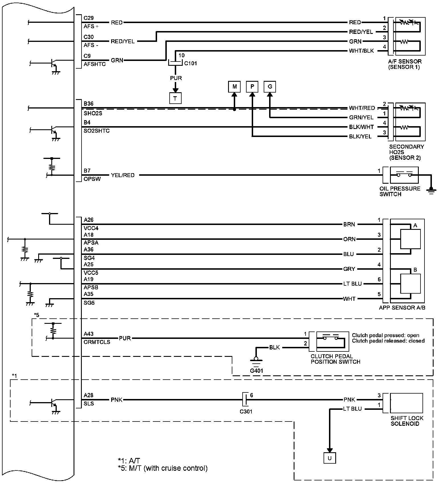
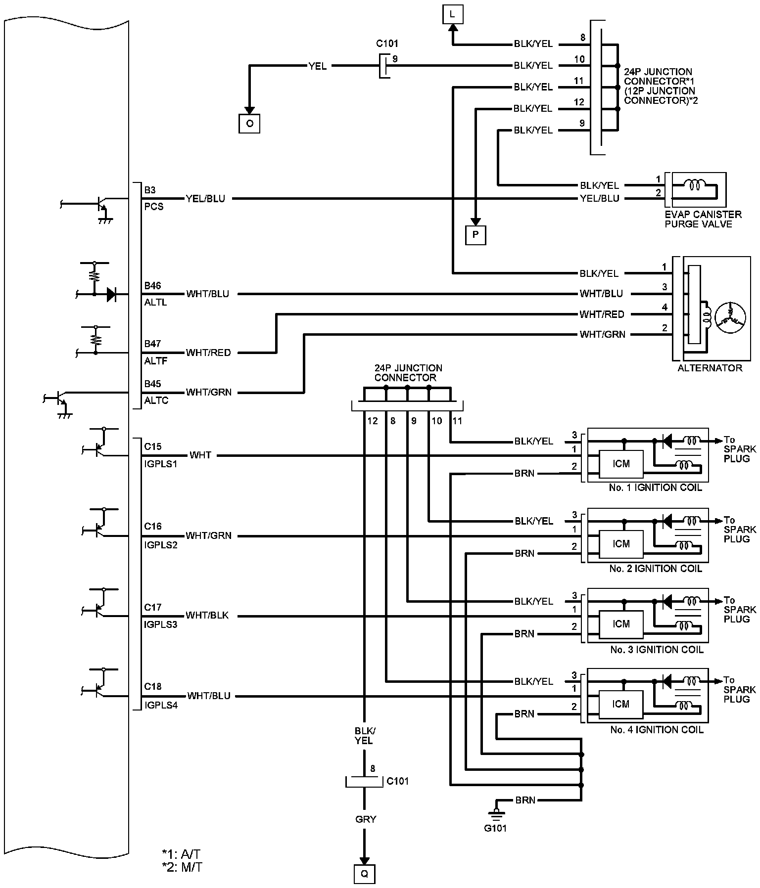
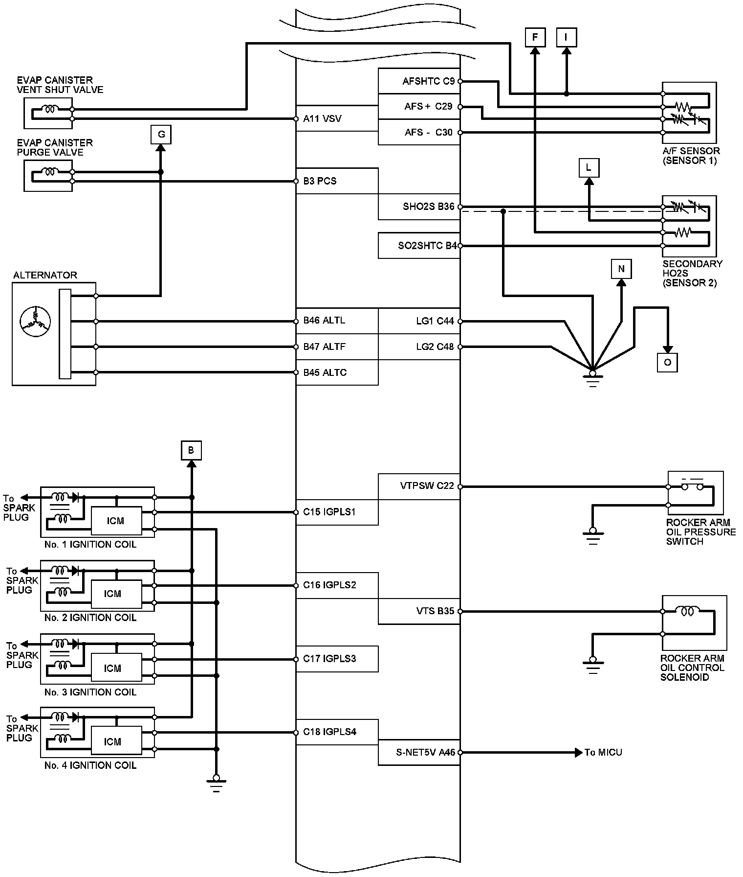
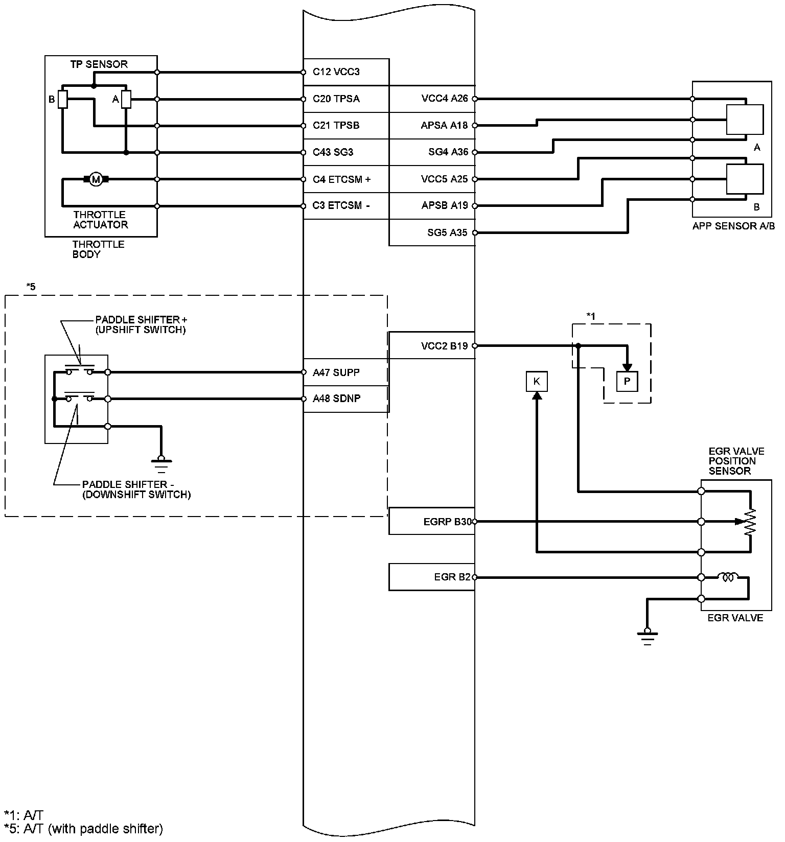
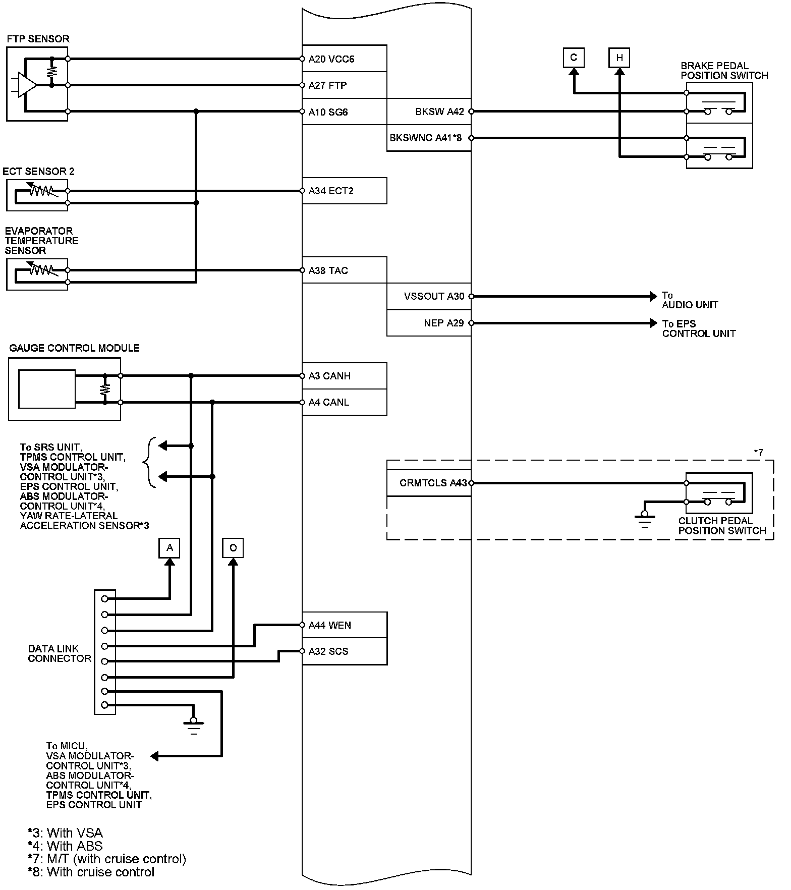
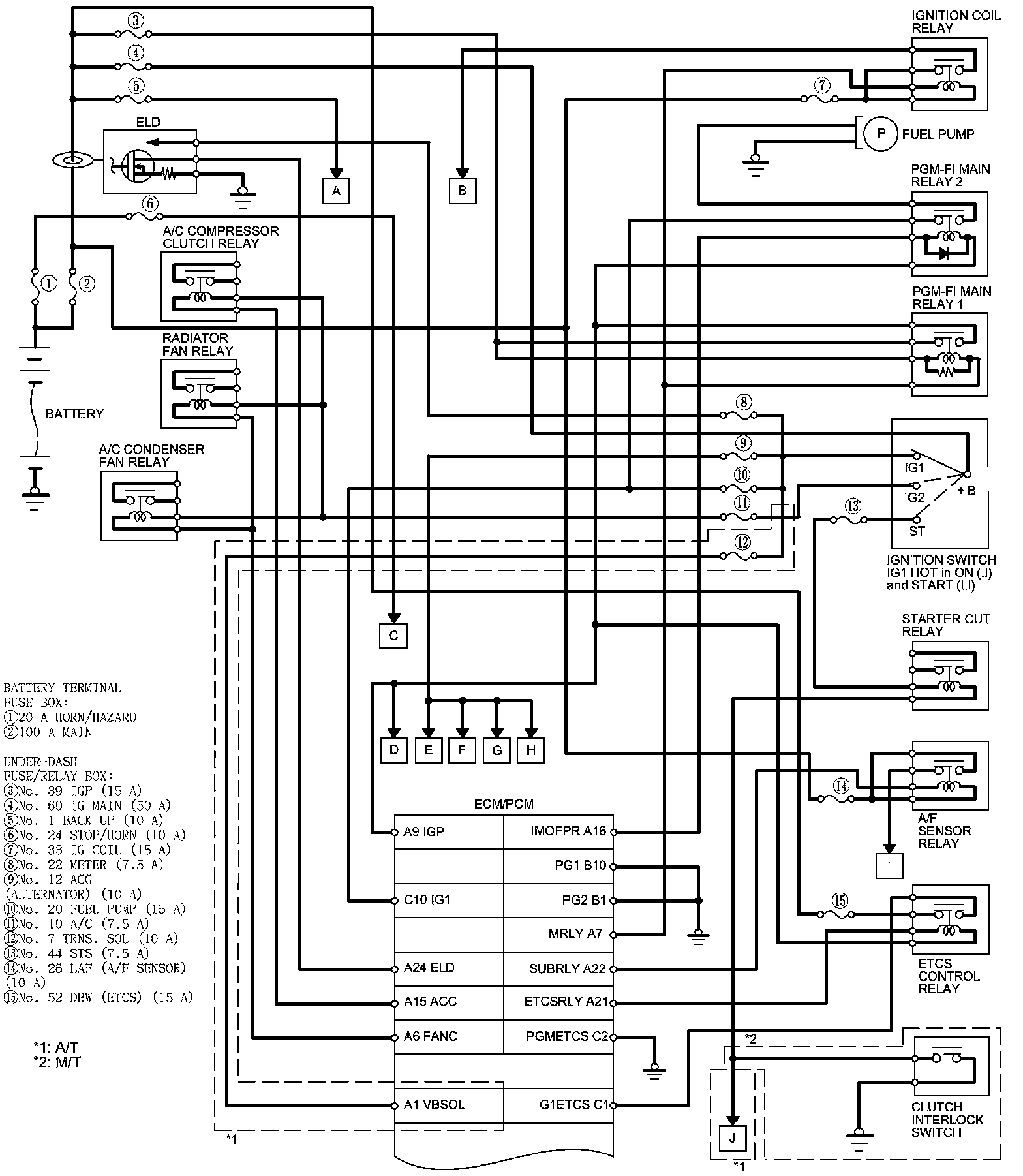
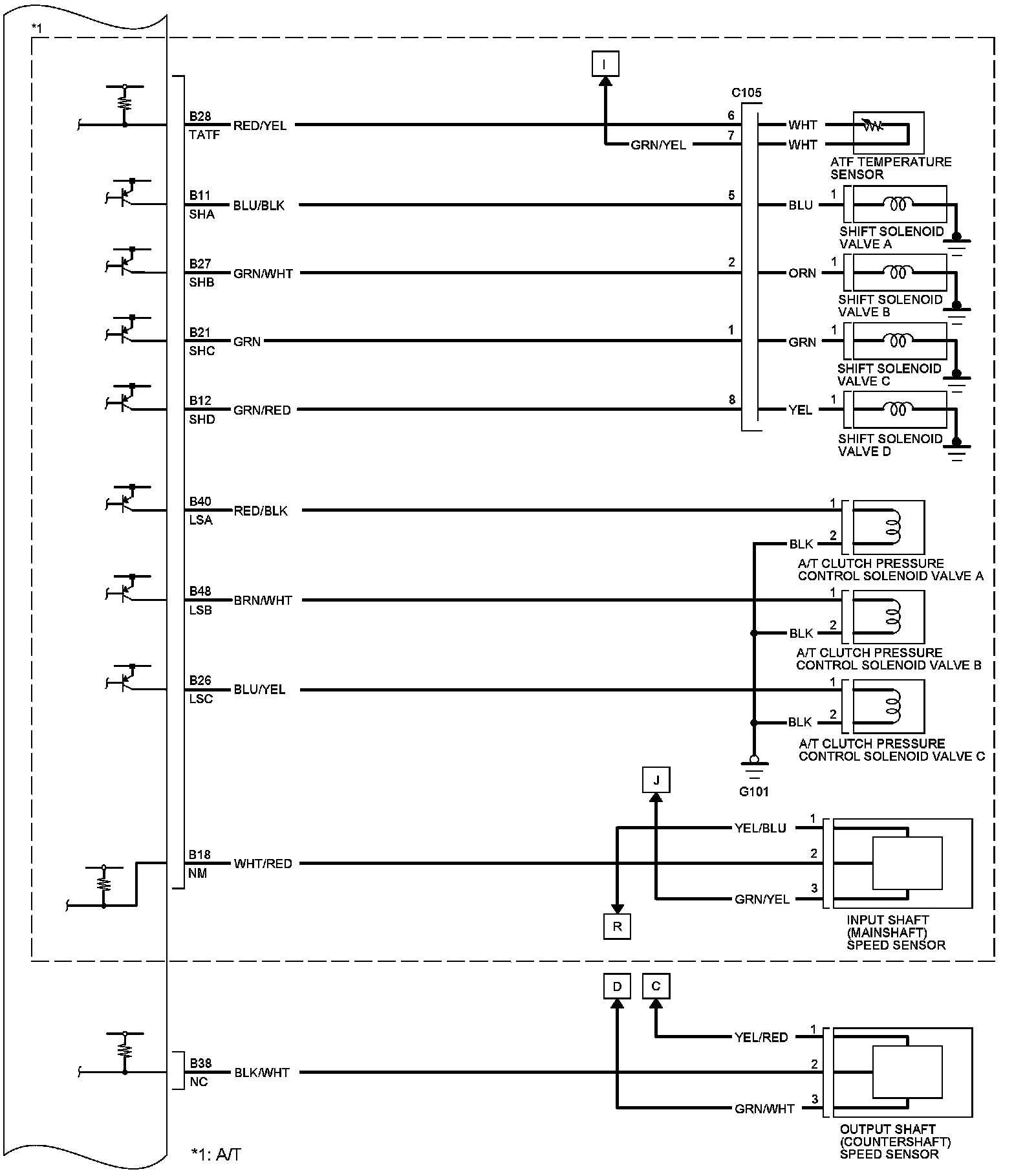
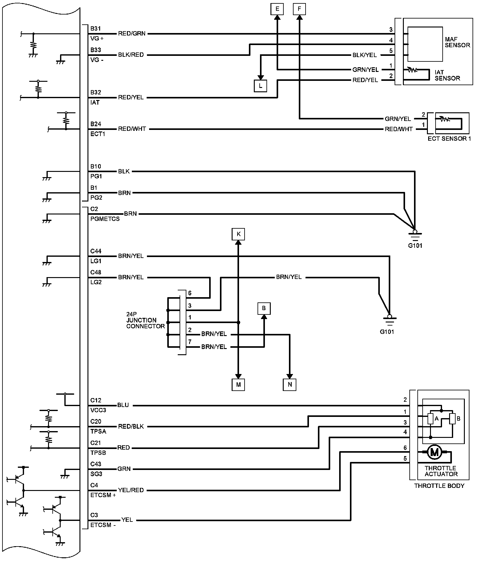
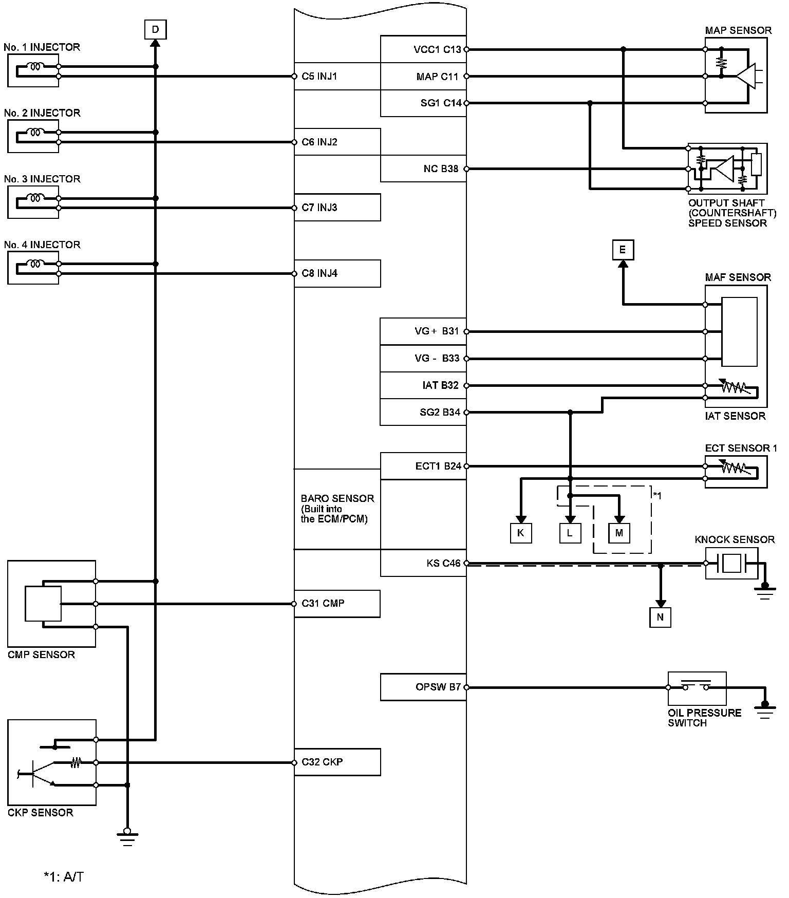
ECM/PCM Circuit Diagram










ECM/PCM Circuit Diagram (cont'd)










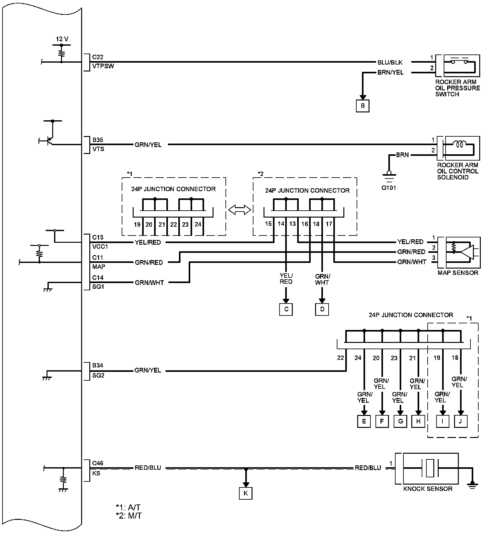
ECM/PCM Circuit Diagram (cont'd)










ECM/PCM Circuit Diagram (cont'd)










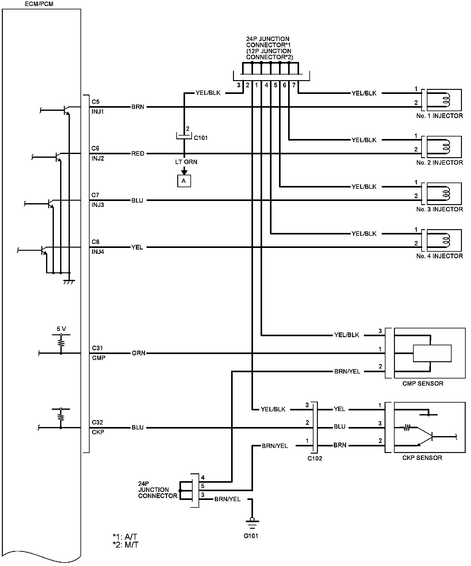
ECM/PCM Circuit Diagram (cont'd)










ECM/PCM Circuit Diagram (cont'd)










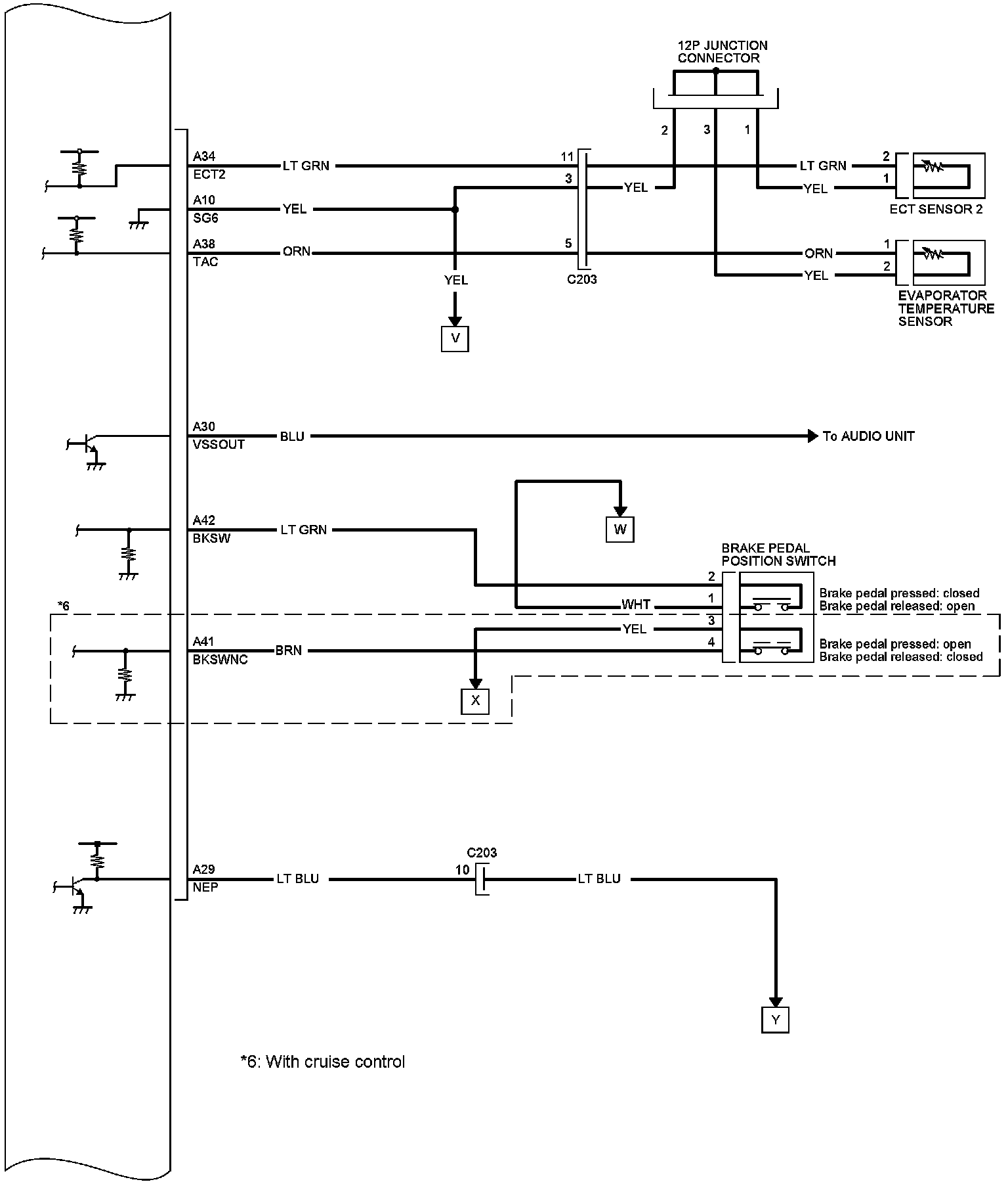
ECM/PCM Circuit Diagram (cont'd)