Curiosii for ever!: Car repair manuals for everyone.

Condenser HVAC: Service and Repair




A/C Condenser Replacement

1. Recover the refrigerant with a recovery/recycling/charging station A/C Refrigerant Recovery.

2. Remove the nut, then disconnect the discharge hose (A) from the A/C condenser. Remove the O-ring (B), from the discharge hose.






3. Remove the bolt, then disconnect the receiver line (A) from the A/C condenser. Remove the O-ring (B), from the receiver line.






4. Remove the bolts (A) and the radiator upper mount brackets (B).





5. Disconnect the fan motor connector (C), then remove the harness clamp (D).

6. Remove the front grille cover Front Grille Cover Replacement.

7. Remove the bolts (A) and the condenser upper mount brackets (B).






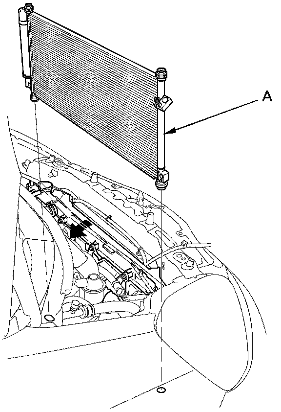
8. Remove the A/C condenser (A) by lifting it up.

NOTE: Be careful not to damage the radiator or condenser fins when removing the A/C condenser.






9. Install the A/C condenser in the reverse order of removal, and note these items:

- If you're installing a new A/C condenser, add refrigerant oil (SP-10) A/C Refrigerant Oil Replacement.
- Replace the O-rings with new ones at each fitting, and apply a thin coat of refrigerant oil before installing them. Be sure to use the correct O-rings for HFC-134a (R-134a) to avoid leakage.
- Immediately after using the oil, reinstall the cap on the container, and seal it to avoid moisture absorption.
- Do not spill the refrigerant oil on the vehicle; it may damage the paint; if the refrigerant oil contacts the paint, wash it off immediately.
- Be careful not to damage the radiator or the A/C condenser fins when installing the A/C condenser.
- Charge the system A/C System Charging.