Curiosii for ever!: Car repair manuals for everyone.

Radiator Replacement




Radiator Replacement

1. Drain the engine coolant Service and Repair.

2. Raise the vehicle on the lift to full height.

3. Disconnect the engine coolant temperature (ECT) sensor 2 connector (A), then remove the harness clamp (B).





4. With A/C: Remove the A/C compressor clutch connector (C) from the clamp, then remove the harness clamps (D).

5. Disconnect the lower radiator hose (A).





6. A/T model: Remove the automatic transmission fluid (ATF) cooler hoses (B), then plug the hose and line.

7. Lower the vehicle on the lift.

8. Remove the coolant reservoir.






9. Disconnect the radiator fan motor connector (A), then remove the harness clamp (B).





10. With A/C: Disconnect the condenser fan motor connector (C), then remove the harness clamp (D).

11. Remove the upper radiator hose.






12. Remove the radiator upper brackets.






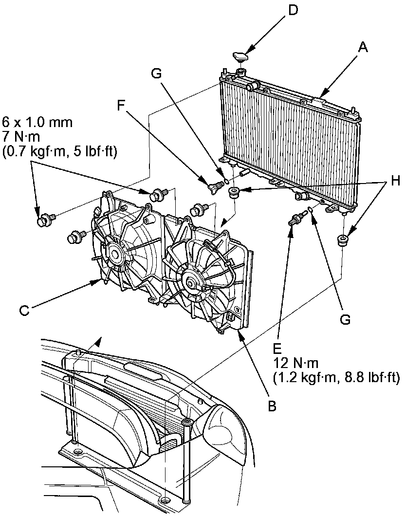
13. Pull up the radiator (A).





14. With A/C: Remove the A/C condenser fan shroud assembly (B).

15. Remove the radiator fan shroud assembly (C), radiator cap (D), the ECT sensor 2 (E), and the drain plug (F).

16. Reassemble the radiator with new O-rings (G).

17. Install the radiator. Make sure the lower cushions (H) are set securely.

18. Install the radiator upper brackets.






19. Install the upper radiator hose.






20. Connect the radiator fan motor connector (A), then install the harness clamp (B).





21. With A/C: Connect the condenser fan motor connector (C), then install the harness clamp (D).

22. Install the coolant reservoir.





23. Raise the vehicle on the lift to full height.

24. Install the lower radiator hose (A).





25. A/T model: Remove the plug from the hose and the line, then install the automatic transmission fluid (ATF) cooler hoses (B).

26. Connect the engine coolant temperature (ECT) sensor 2 connector (A), then install the harness clamp (B).





27. With A/C: Install the A/C compressor clutch connector (C) to the clamp, then install the harness clamps (D).

28. Refill the radiator with engine coolant, and bleed the air from the cooling system with the heater valve open Service and Repair.

29. Clean up any spilled engine coolant.