Curiosii for ever!
: Car repair manuals for everyone.
Home
>>
Honda
>>
2010
>>
Civic L4-1.8L
>>
Repair and Diagnosis
>>
Powertrain Management
>>
Ignition System
>>
Camshaft Position Sensor
>>
Locations
>>
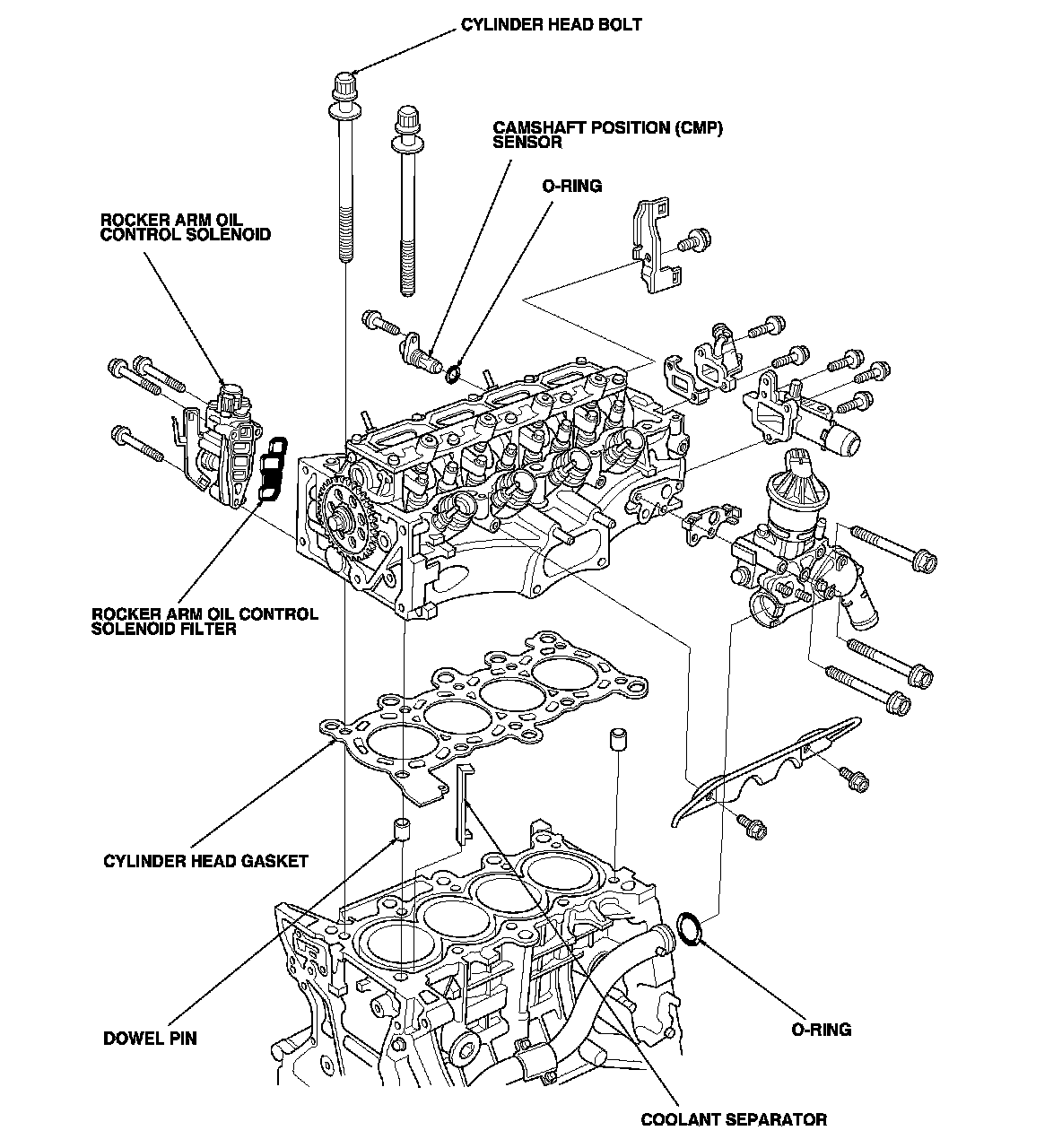
Cylinder Head Assembly Component Location Index
Cylinder Head Assembly Component Location Index
Cylinder Head Assembly Component Location Index