Curiosii for ever!
: Car repair manuals for everyone.
Home
>>
Honda
>>
2010
>>
Accord V6-3.5L
>>
Repair and Diagnosis
>>
Powertrain Management
>>
Computers and Control Systems
>>
Description and Operation
>>
Fuel and Emissions System Description
>>
Part Two
Part Two
Fuel and Emissions System Description
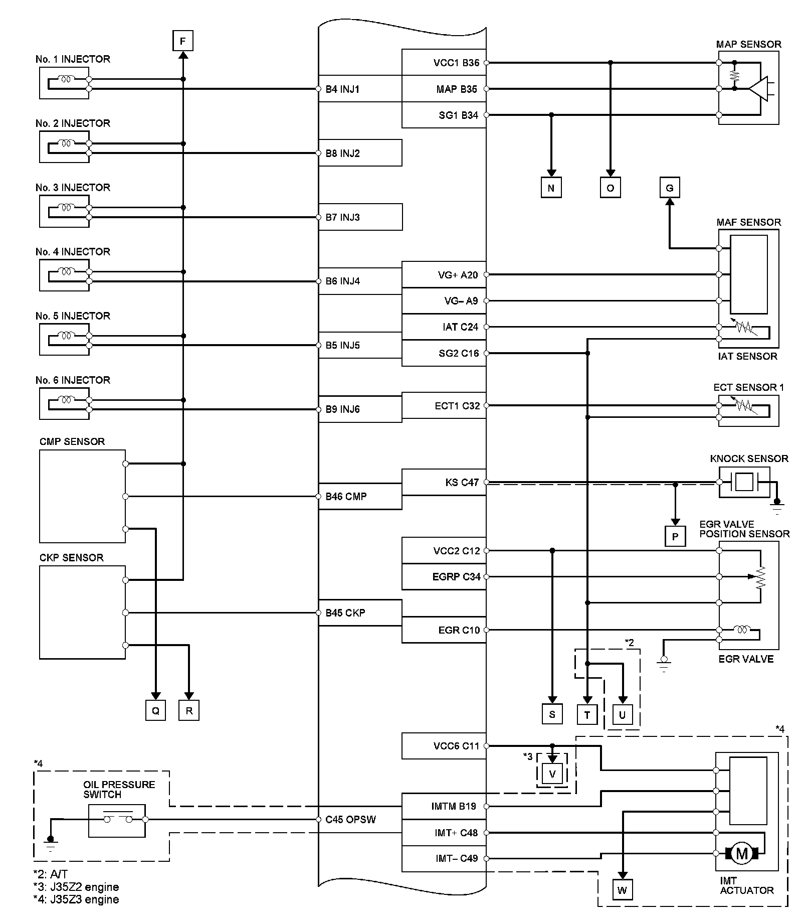
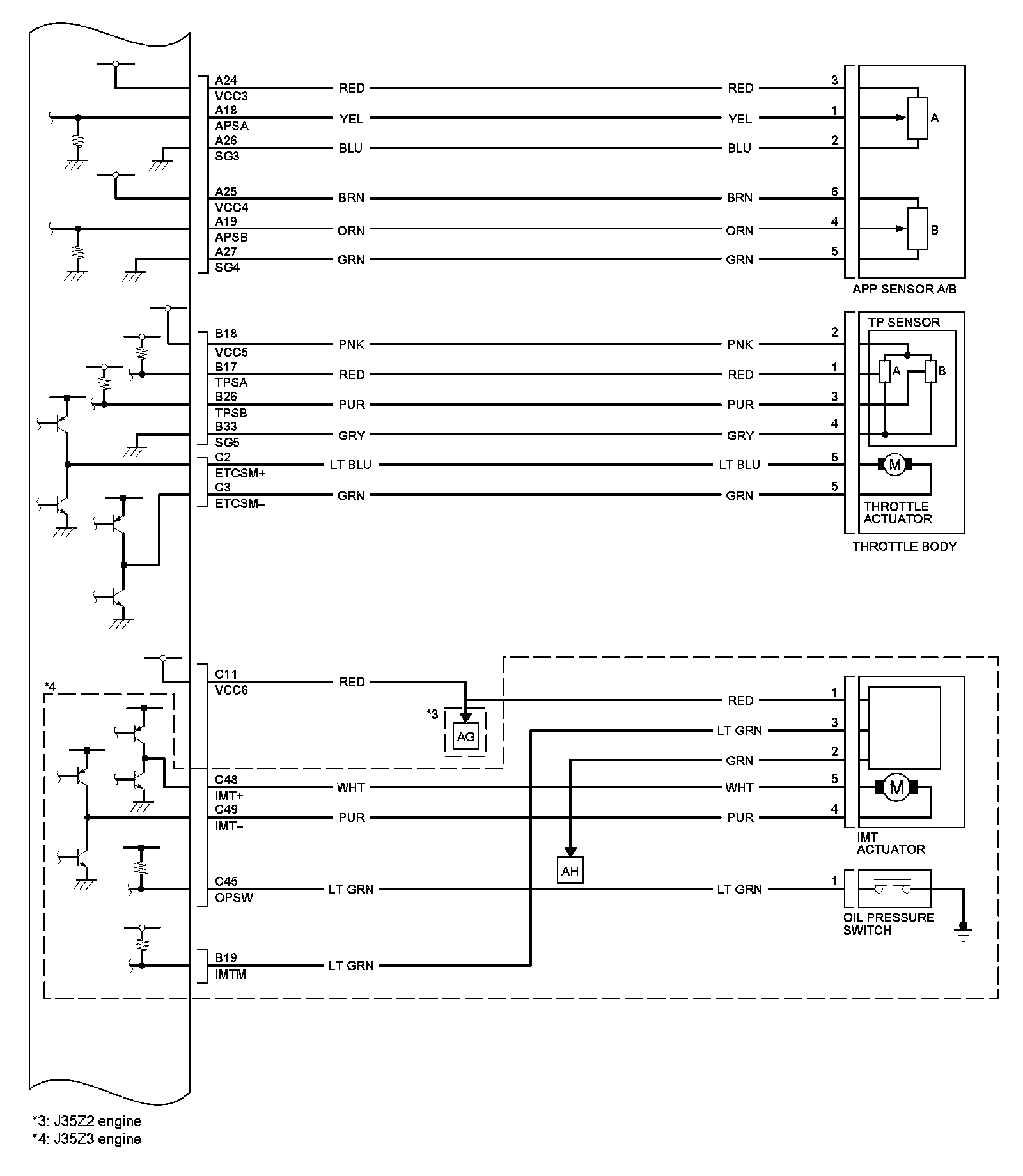
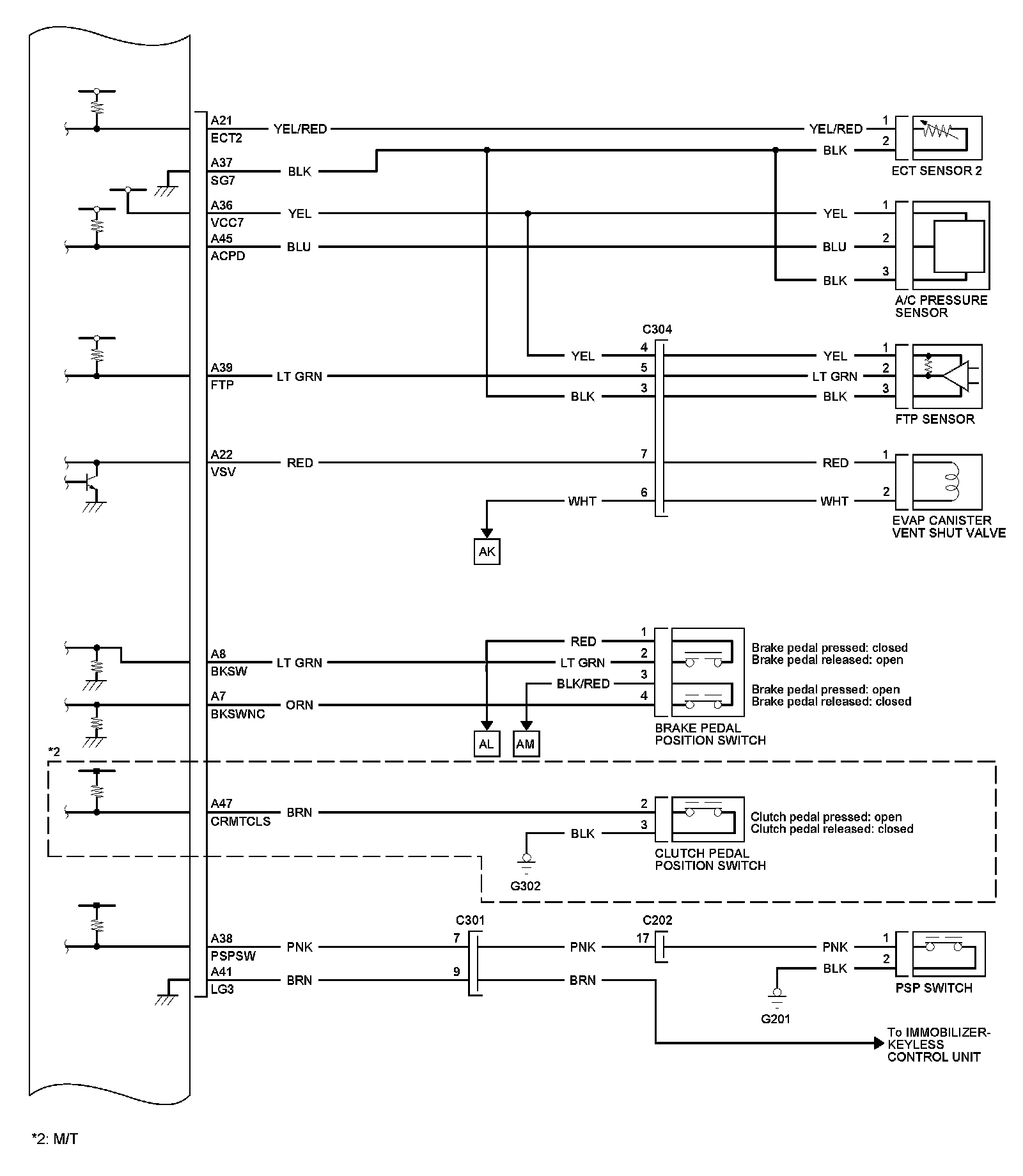
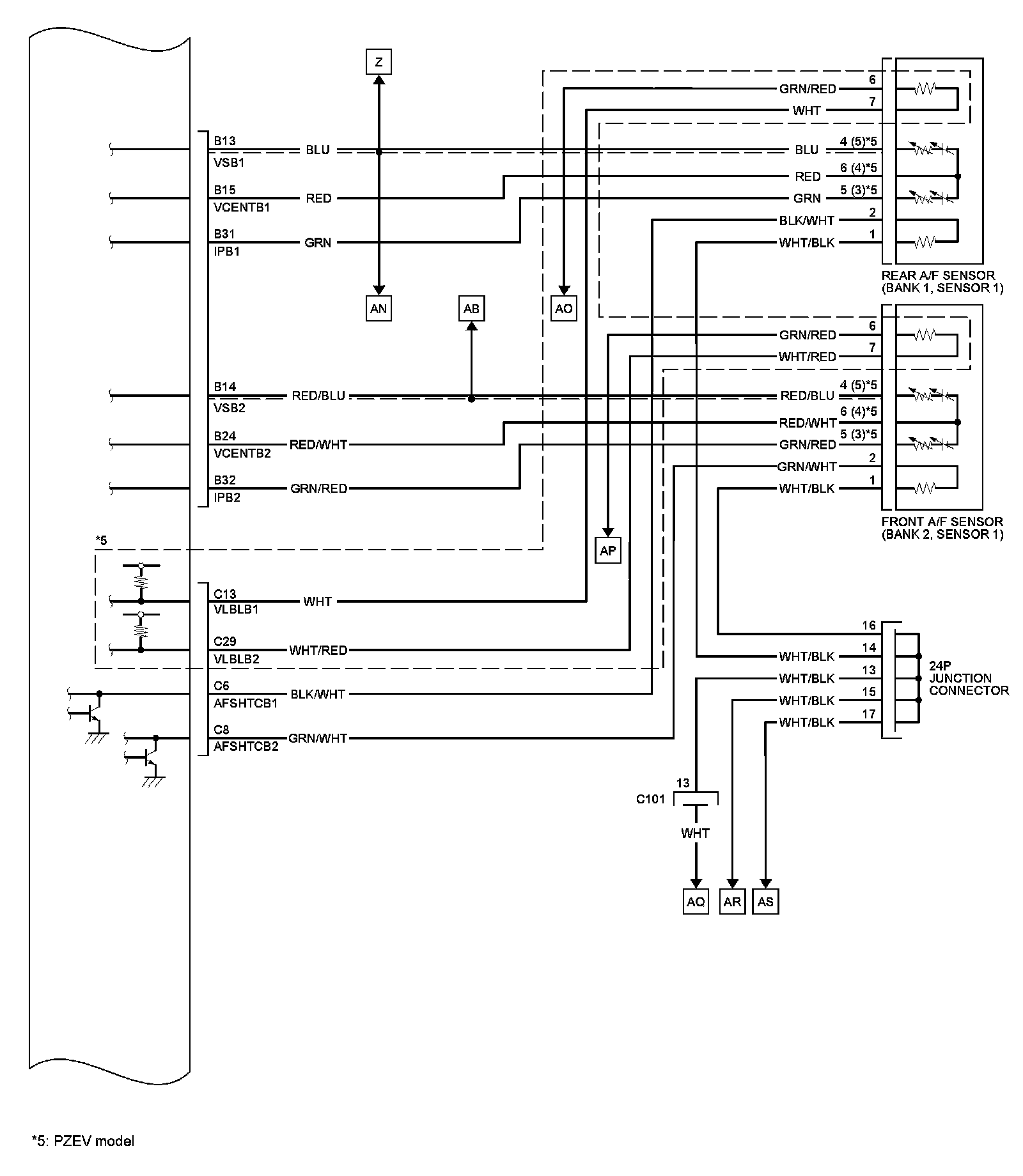
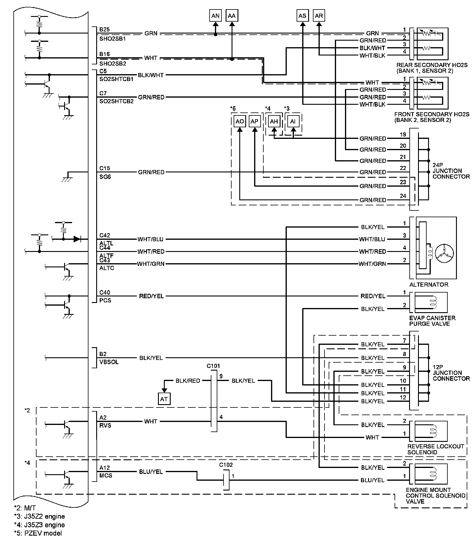
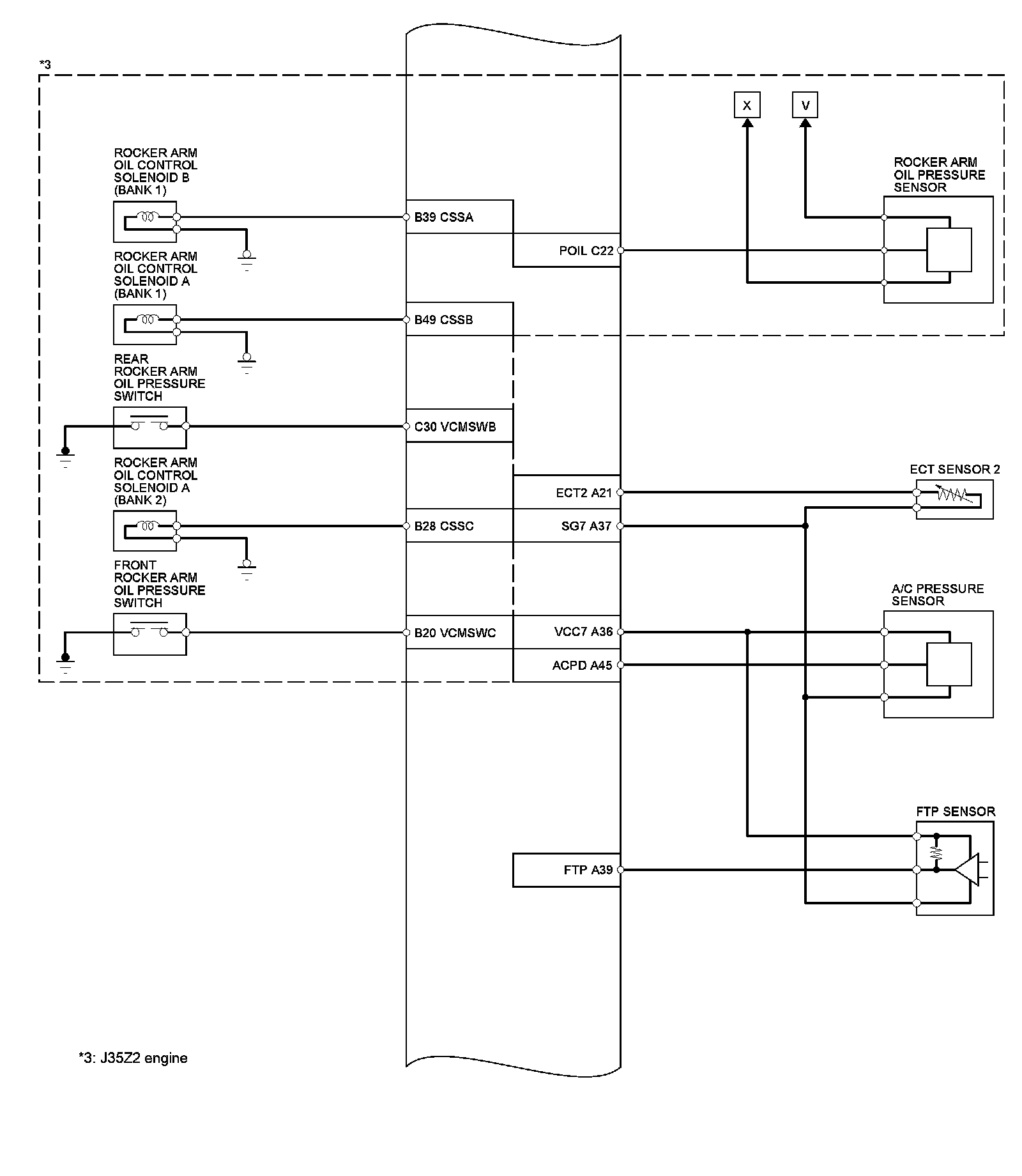
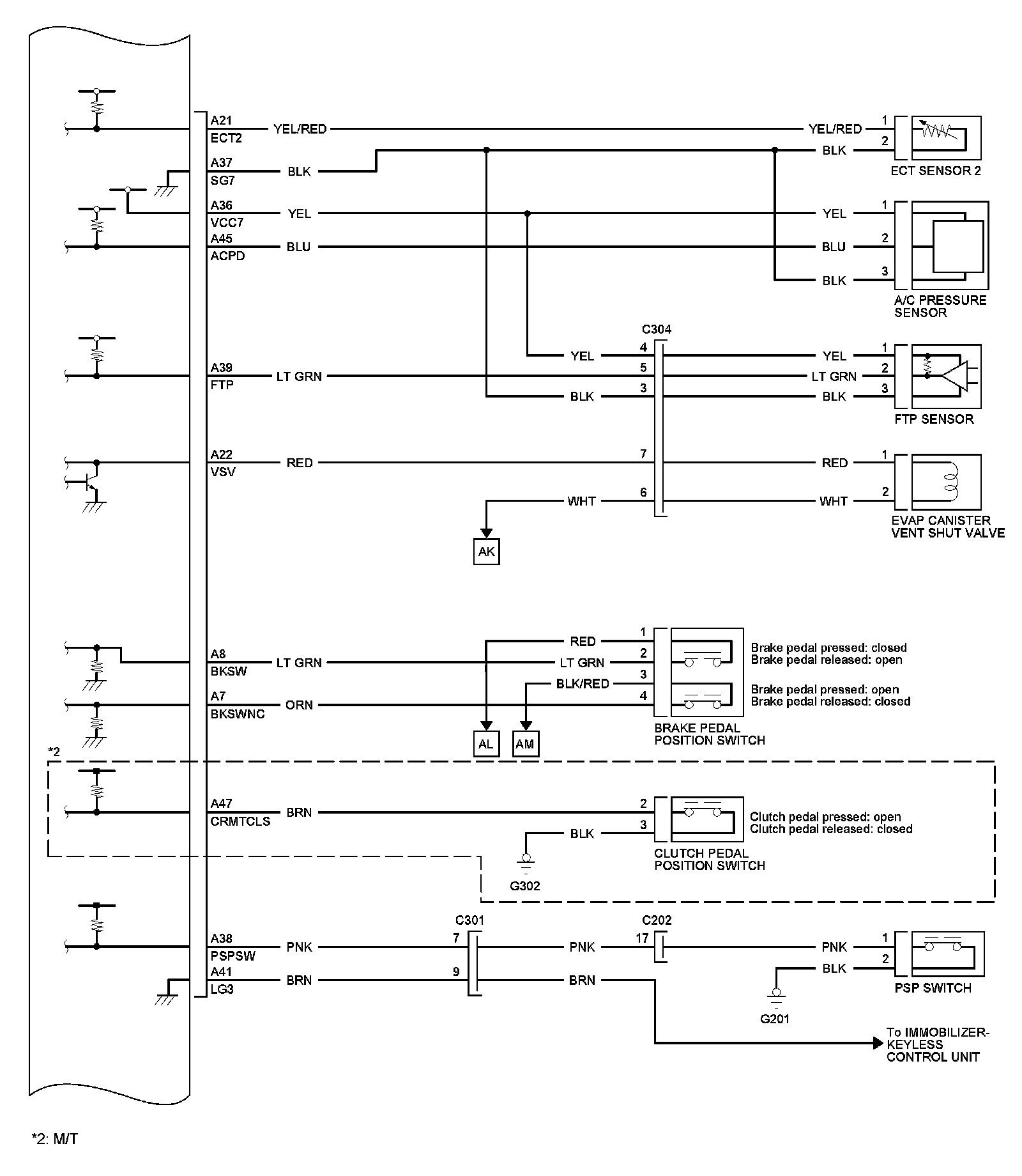
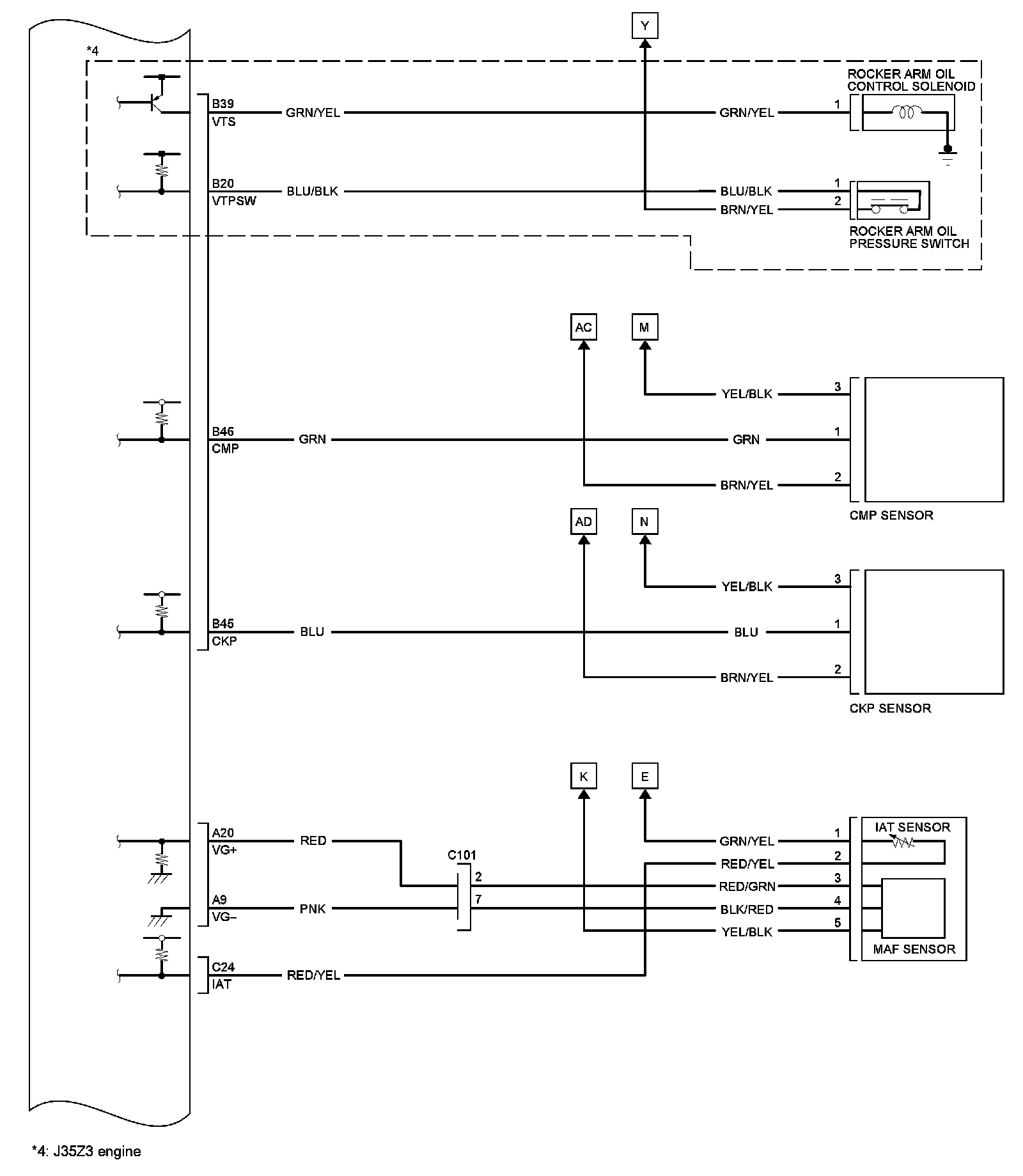
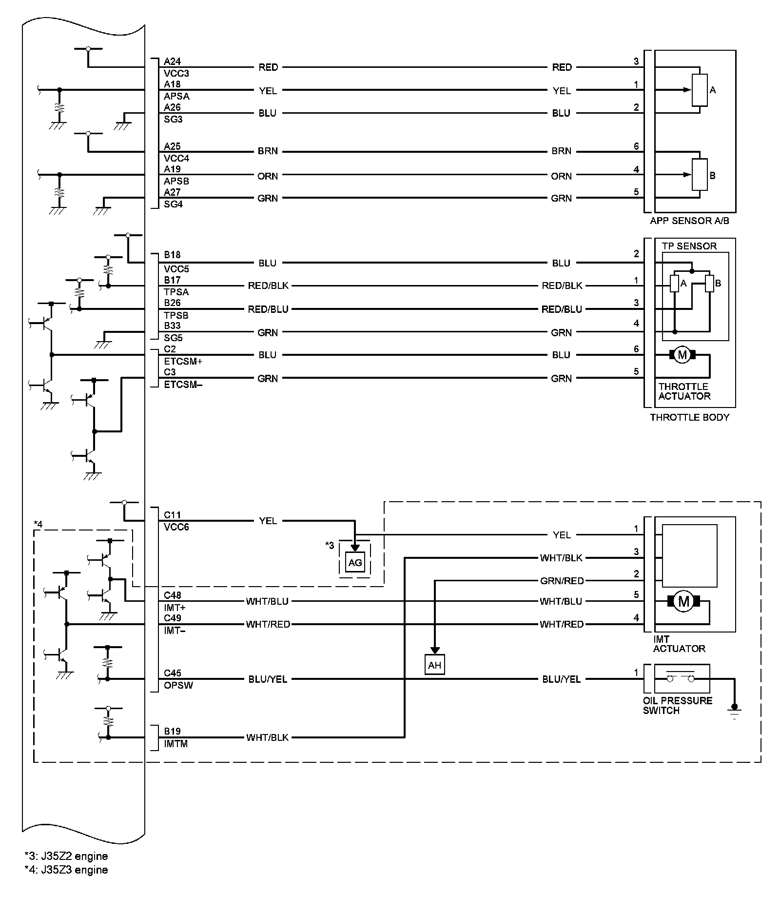
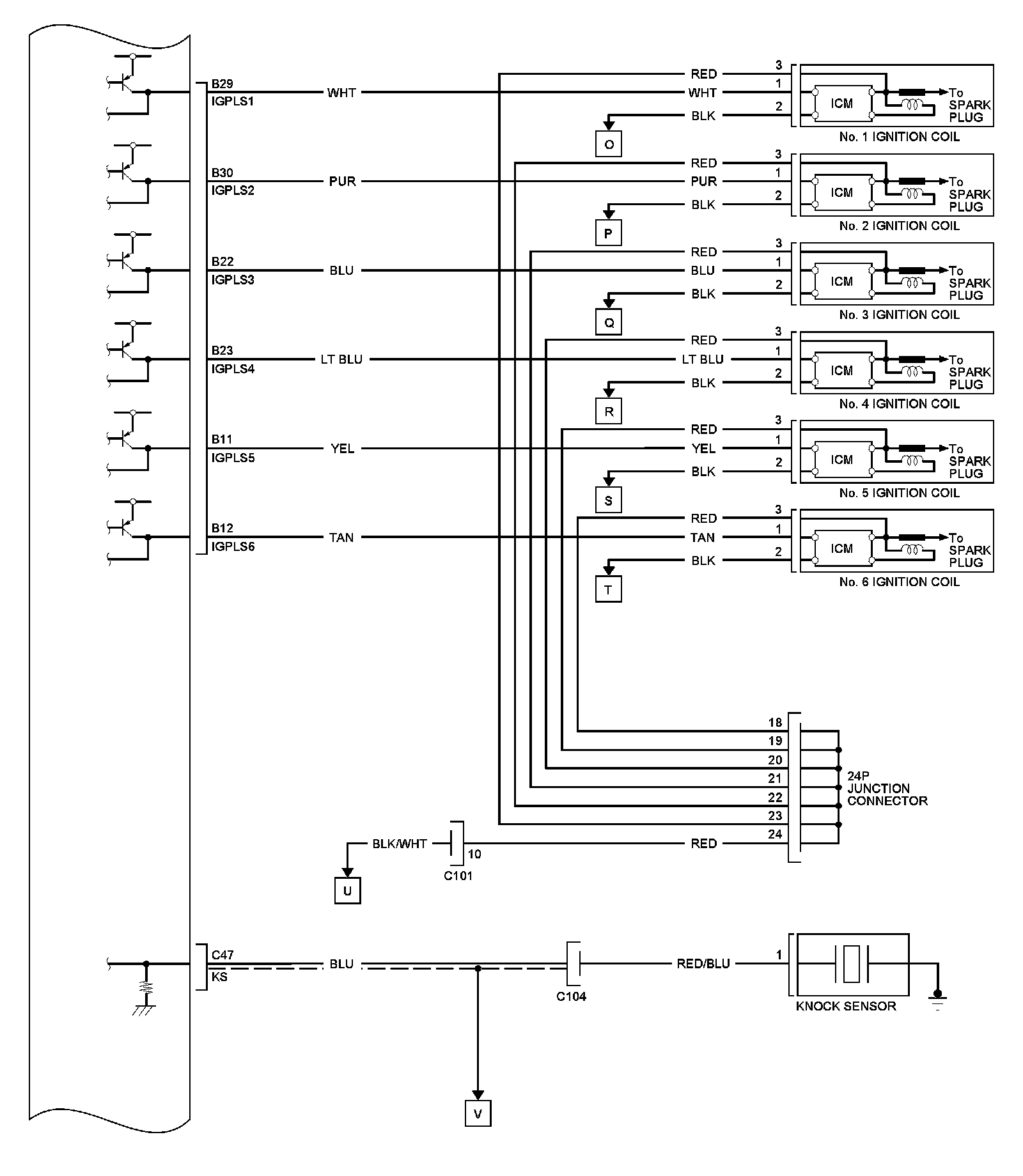
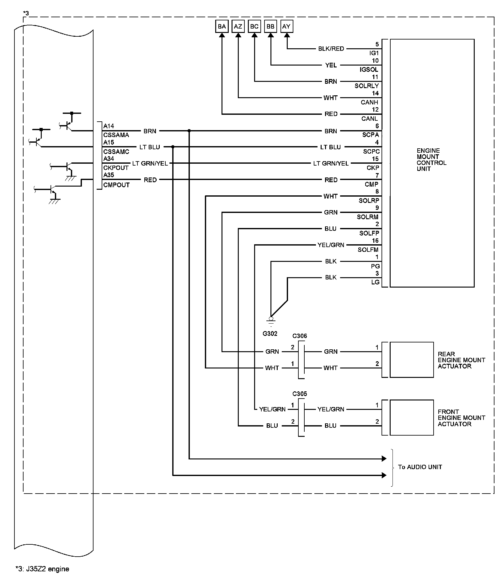
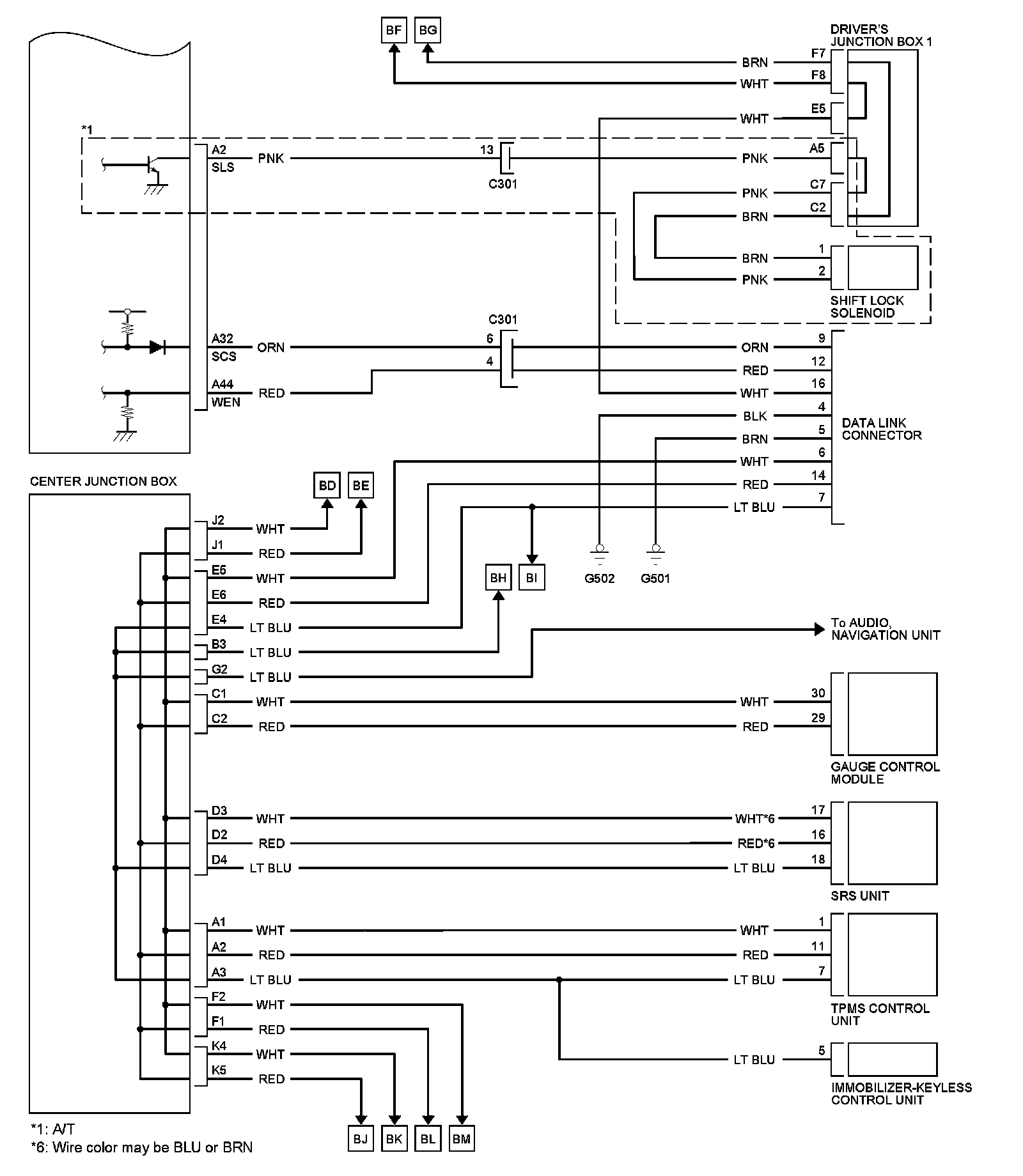
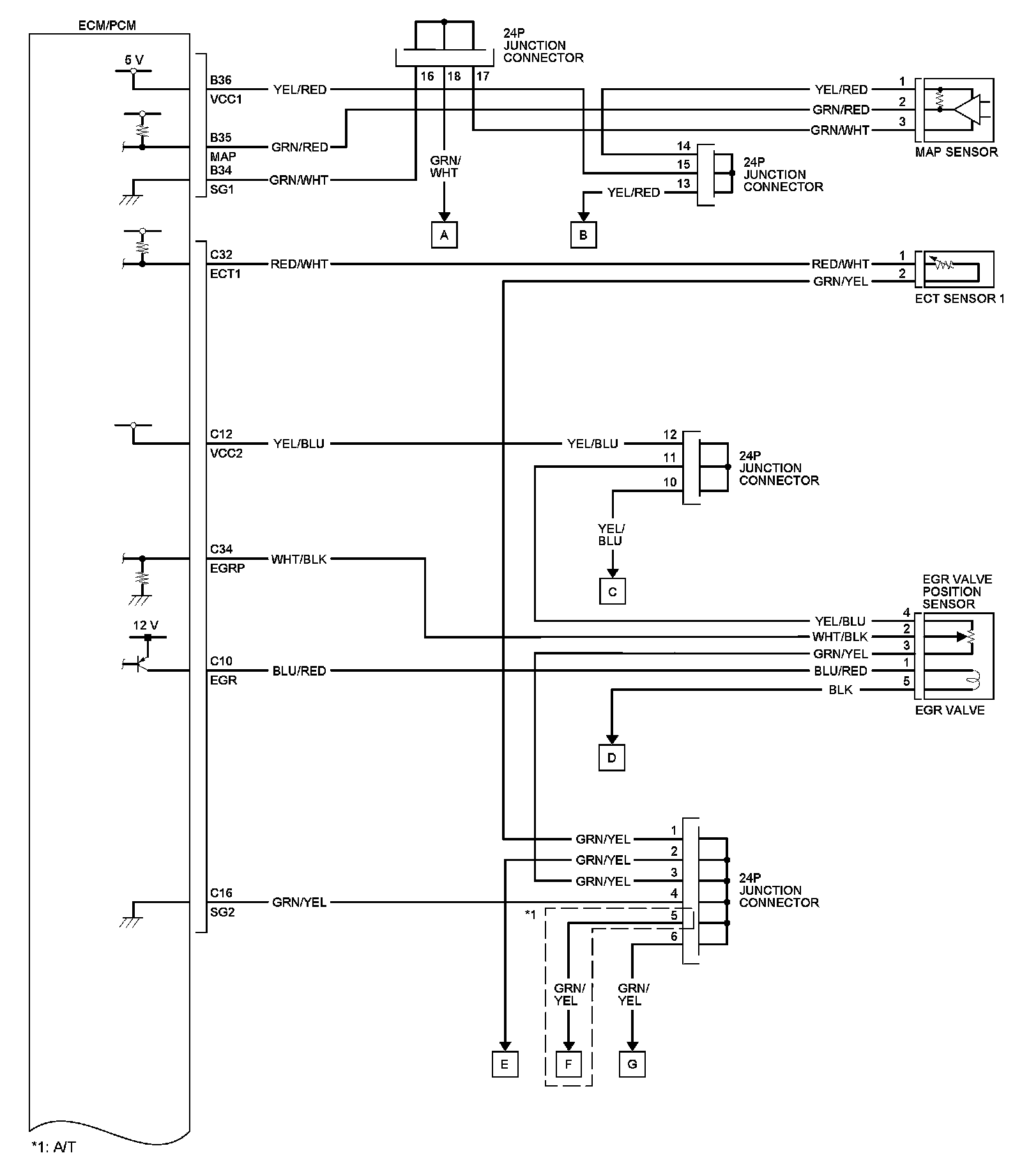
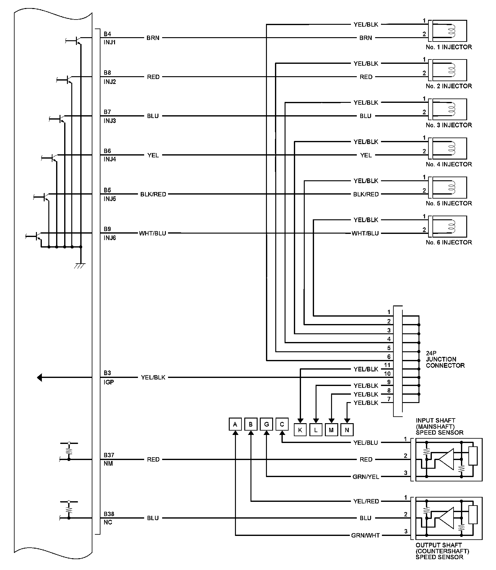
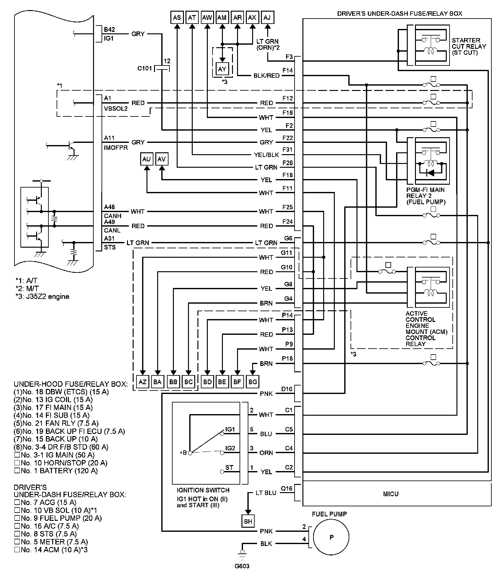
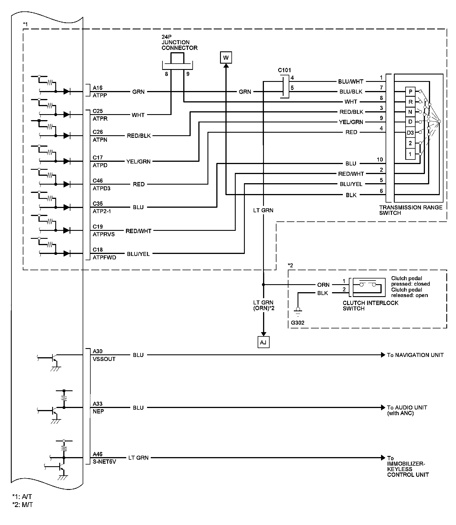
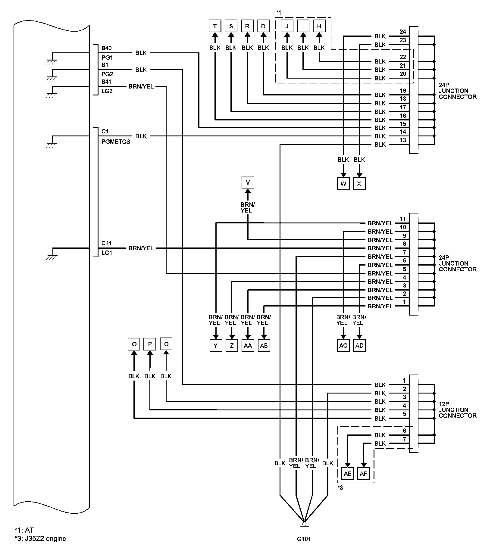
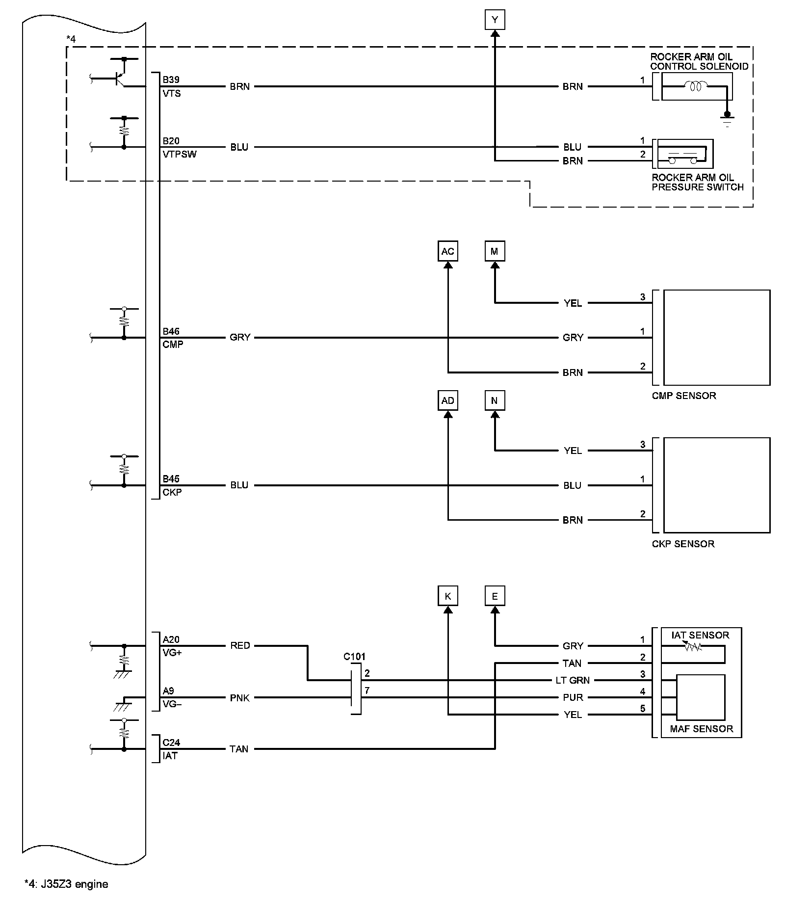
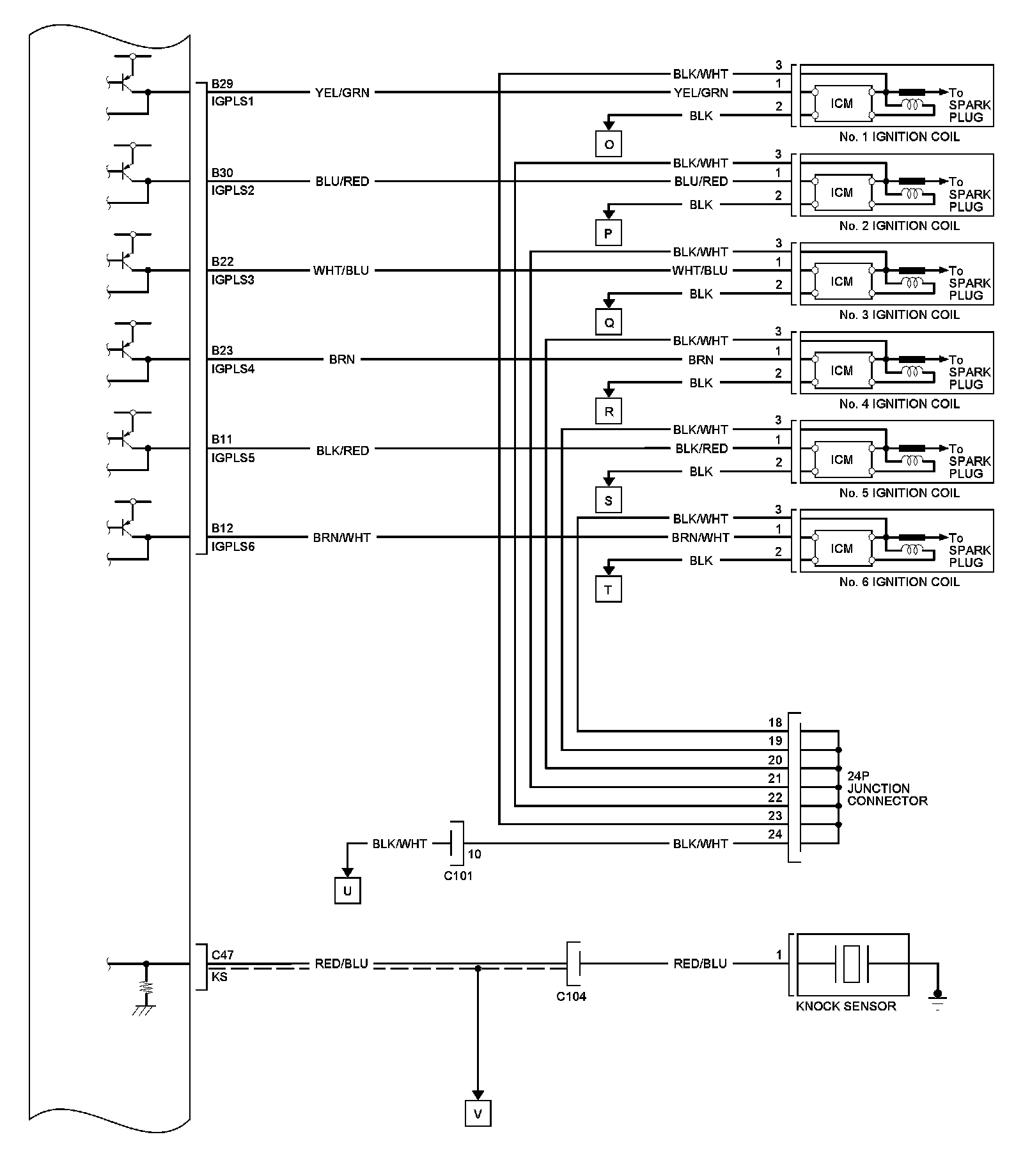
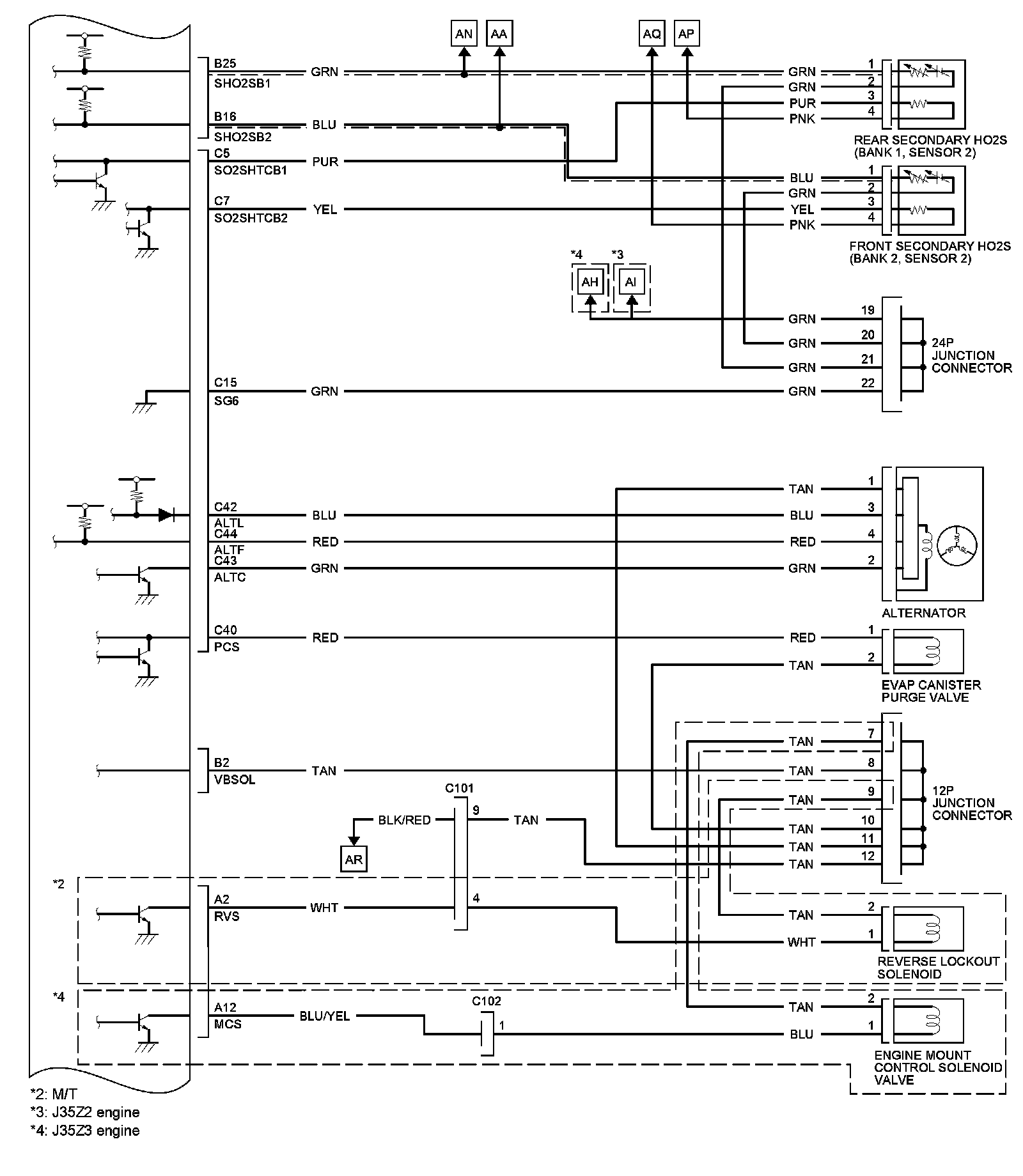
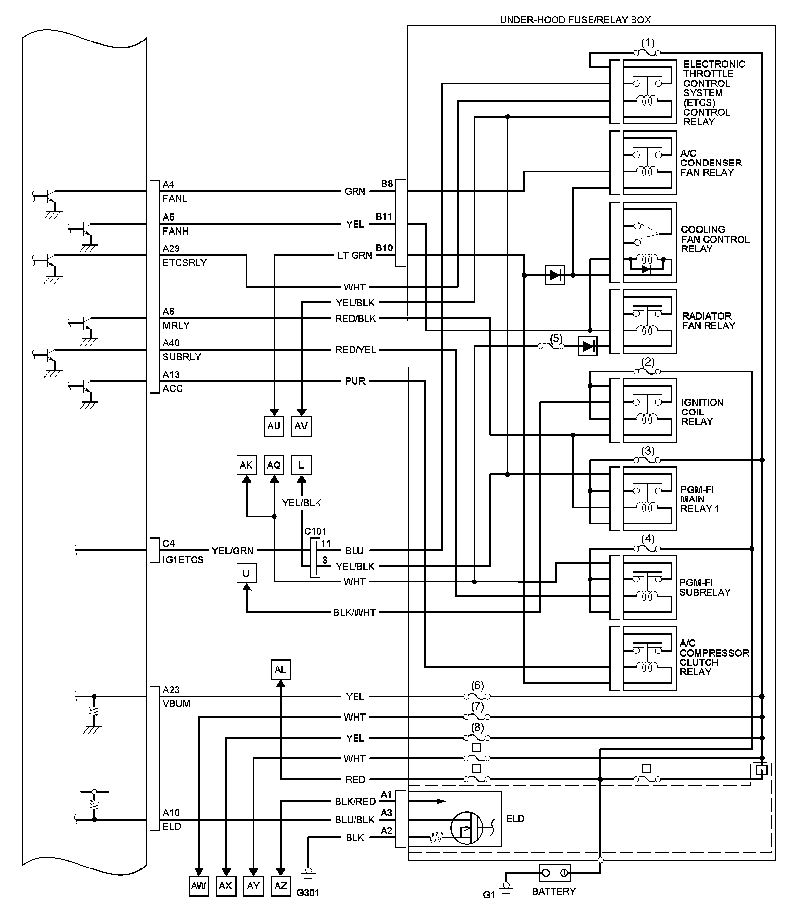
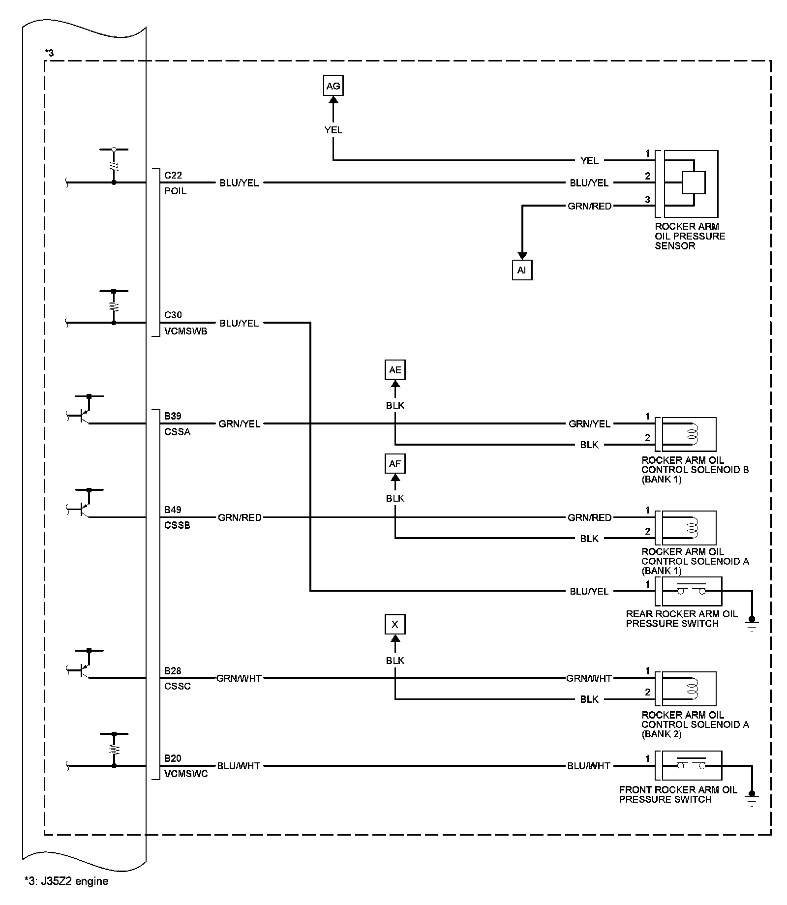
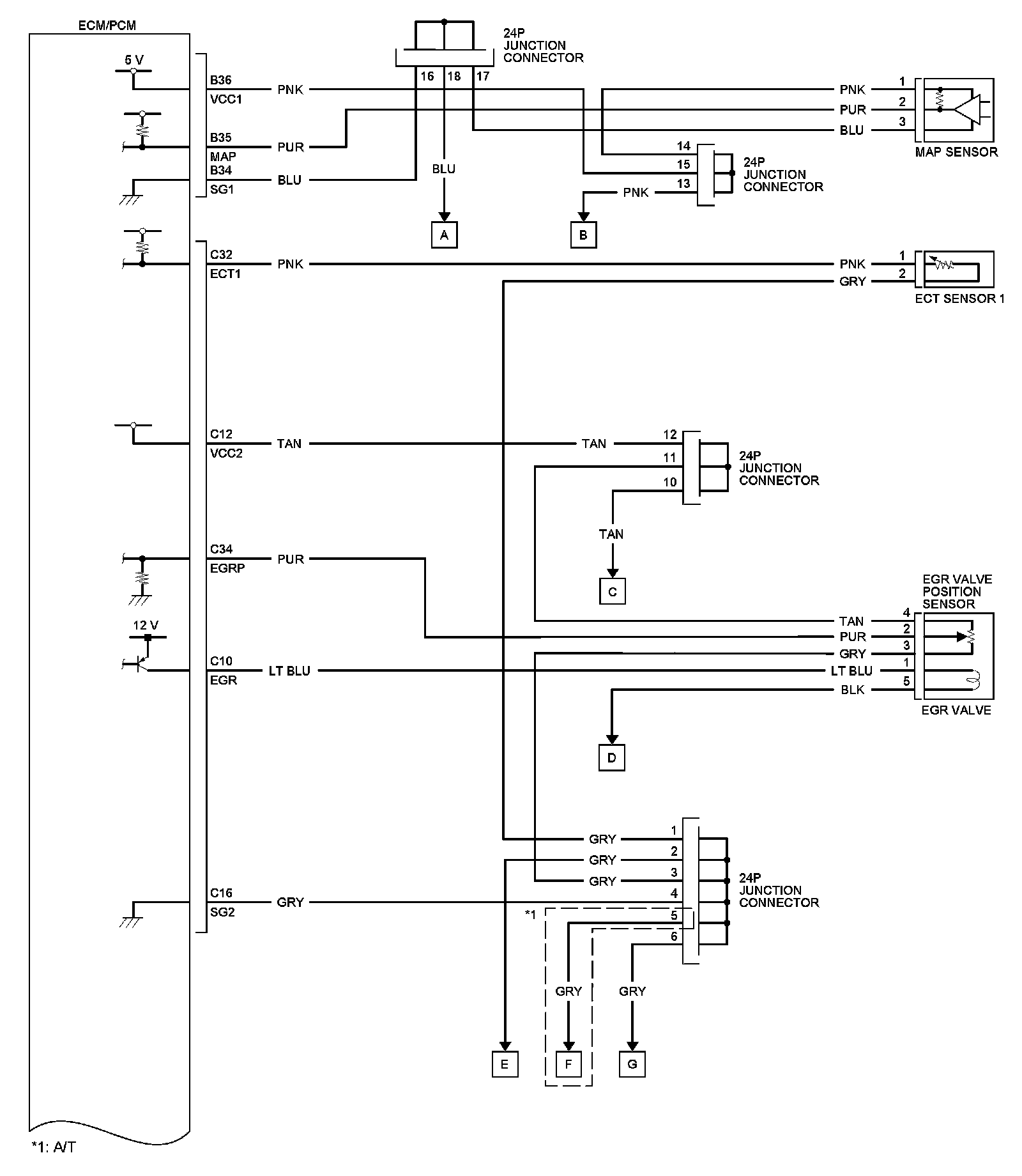
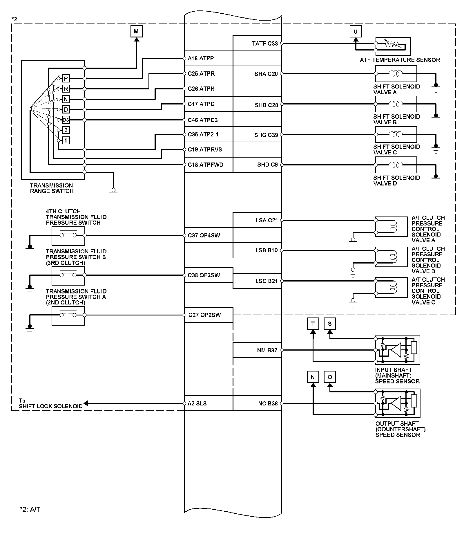
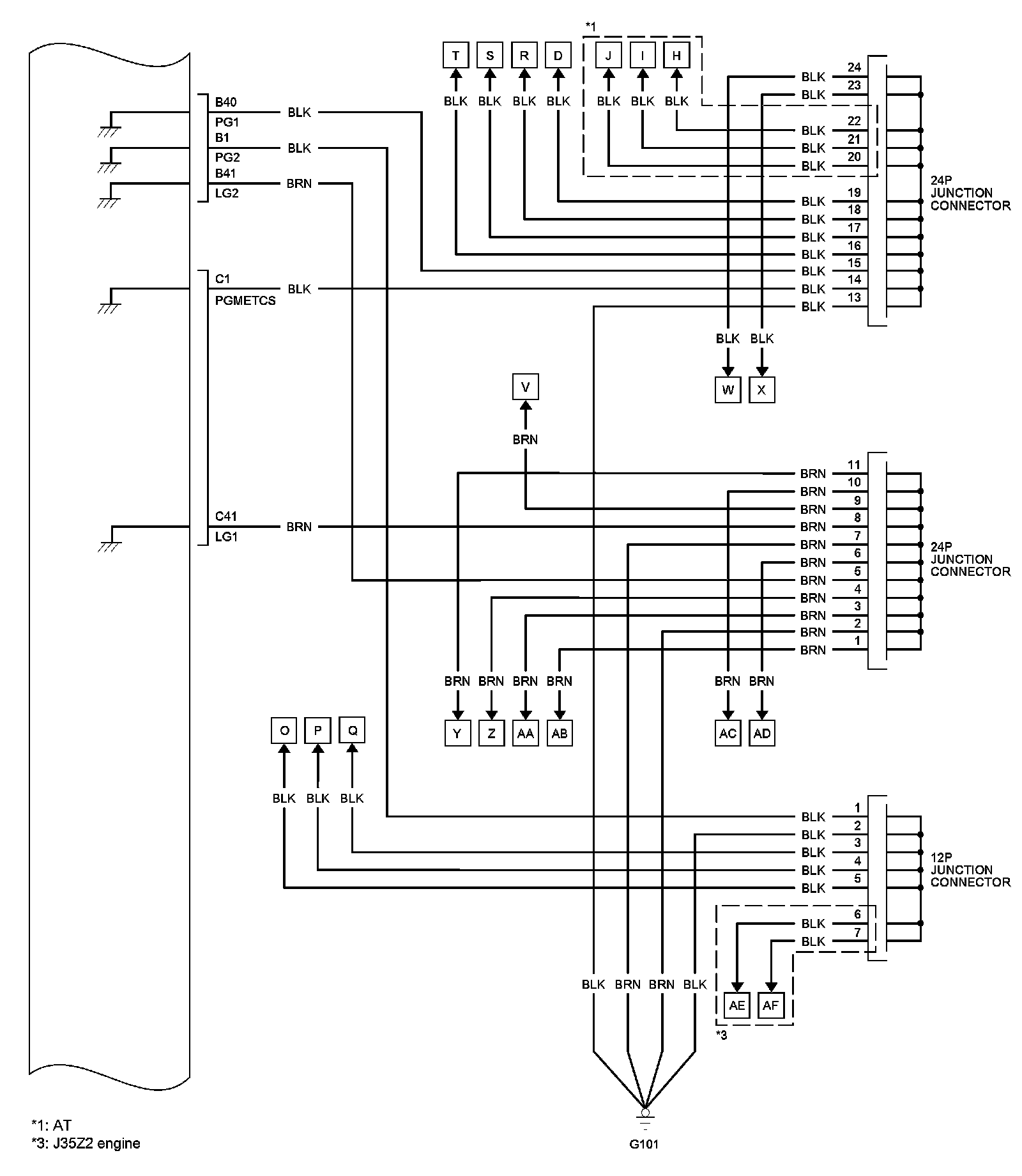
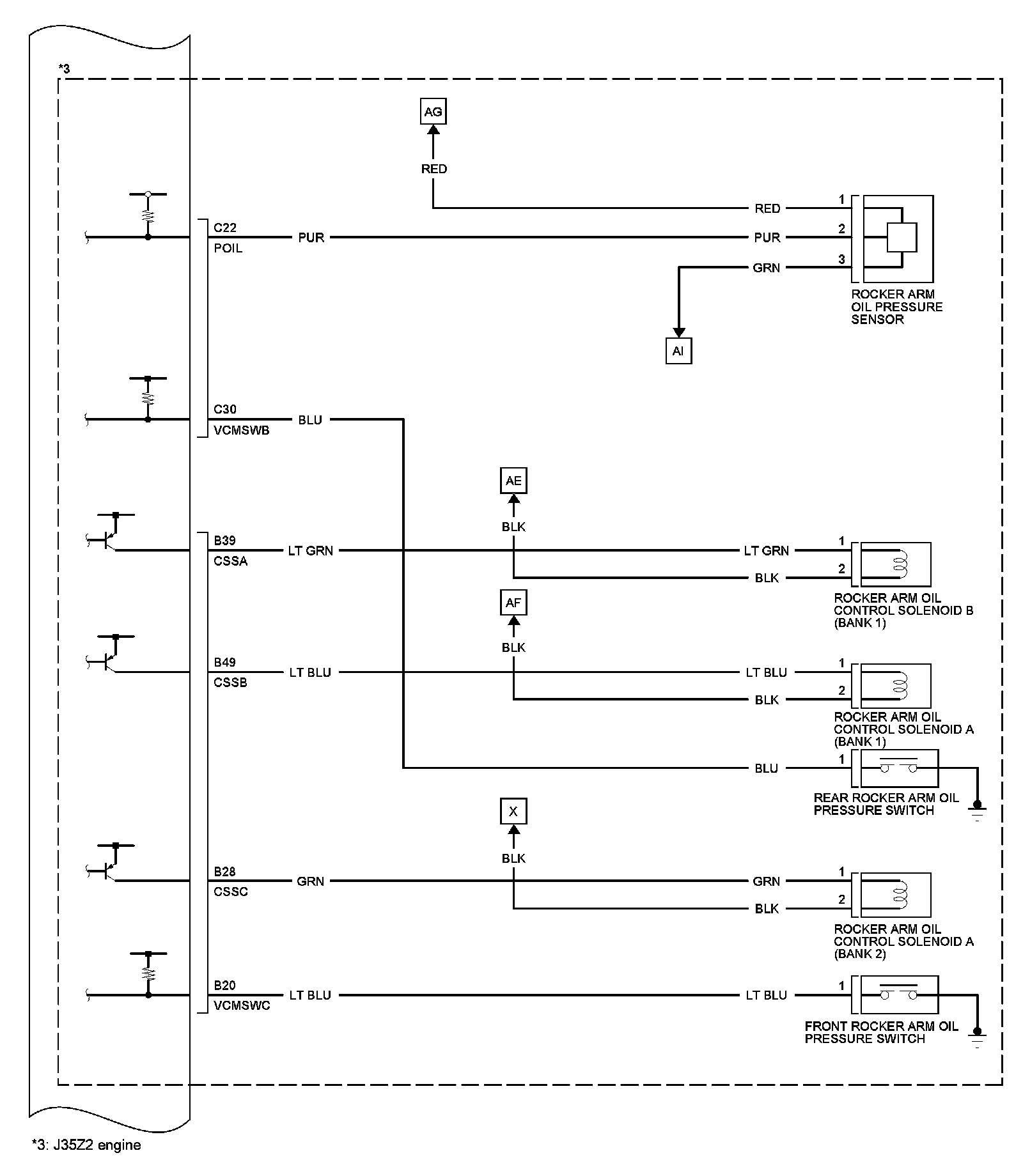
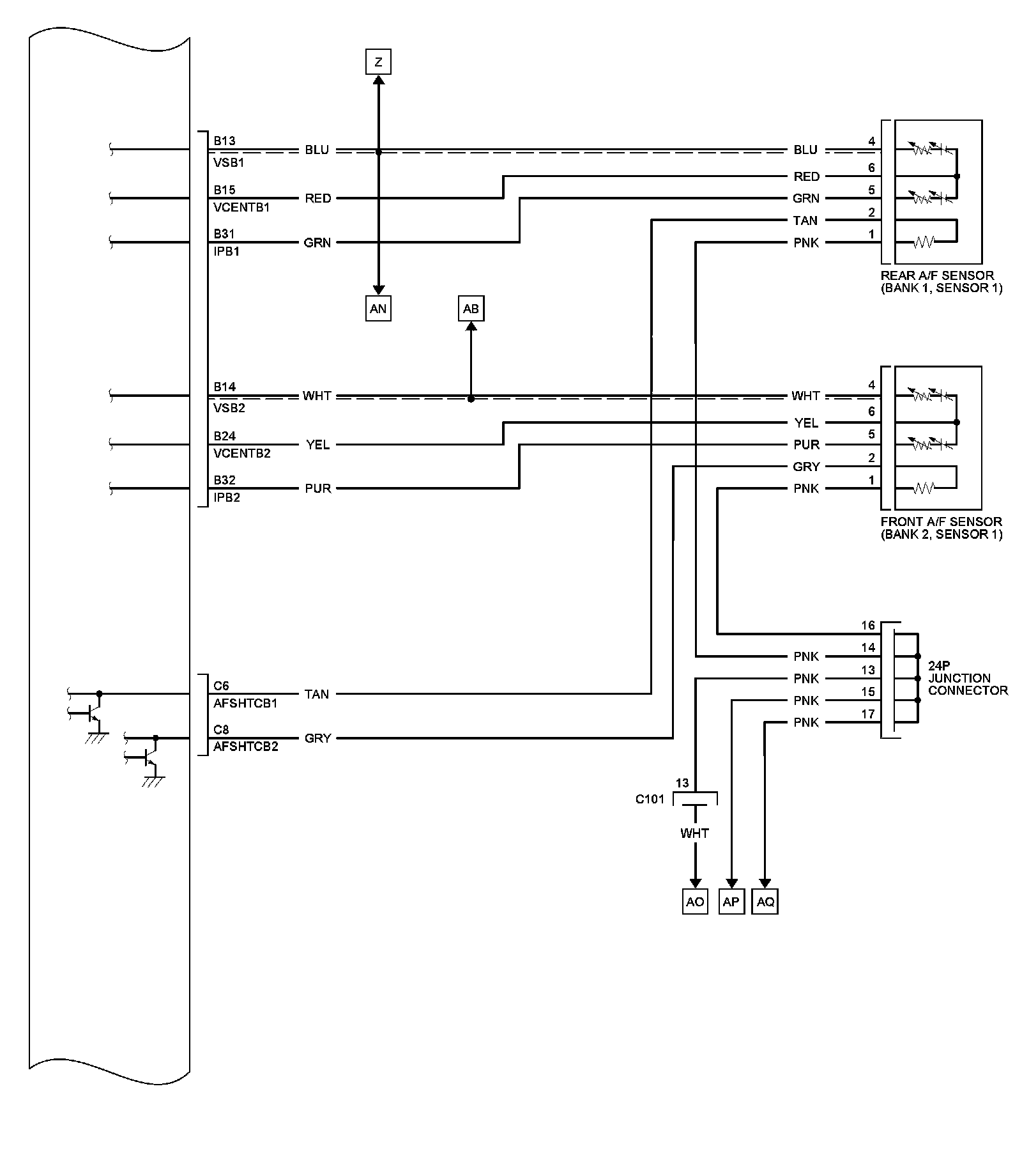
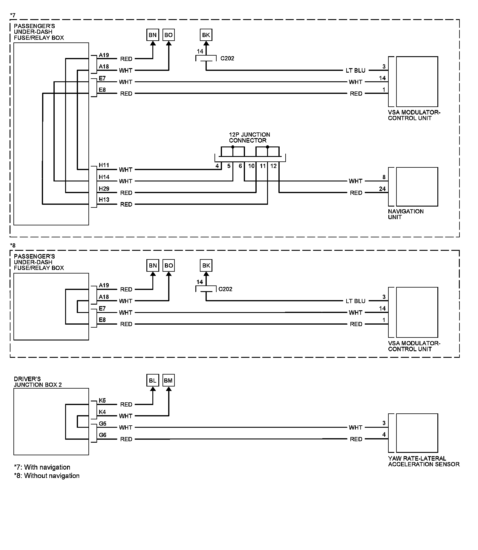
ECM/PCM Electrical Connections
ECM/PCM Circuit Diagram ('08-09 models)
ECM/PCM Circuit Diagram ('10 model)