Curiosii for ever!
: Car repair manuals for everyone.
Home
>>
Honda
>>
2009
>>
S2000 L4-2.2L
>>
Repair and Diagnosis
>>
Powertrain Management
>>
Computers and Control Systems
>>
Diagrams
>>
Diagram Information and Instructions
>>
How To Read Schematics
>>
Ground Distribution Schematics
Ground Distribution Schematics
Ground Distribution Schematics
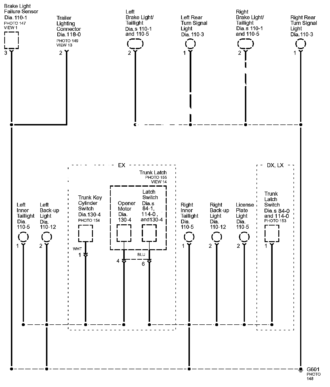
This sample Ground Distribution schematic shows all of the components that share the same ground point.