Curiosii for ever!: Car repair manuals for everyone.

Blower Unit Removal/Installation (Without A/C)




Blower Unit Removal/Installation

1. Remove the passenger's dashboard lower cover Passengers Dashboard Lower Cover Removal/Installation and the right kick panel. Service and Repair

2. Disconnect dashboard wire harness connector C504 from the passenger's door wire harness connector, then remove it. Remove the wire harness connectors and the convertible top control unit from the steering hanger beam.

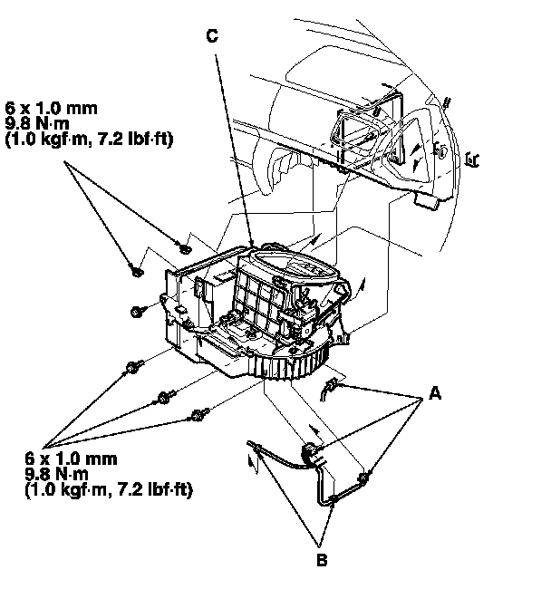
3. Disconnect the connectors (A) from the blower motor, the power transistor and the recirculation control motor, then remove the wire harness clips (B). Remove the self-tapping screw, the mounting bolts, the mounting nuts and the blower unit (C).

4. Install in the reverse order of removal. Make sure that there is no air leakage.