Curiosii for ever!: Car repair manuals for everyone.

System Description




Immobilizer System Description

'06-09 models

The vehicle is equipped with a type IV immobilizer system that disables the vehicle unless a programmed ignition key is used.

This system consists of a transponder located in the ignition key, an immobilizer control unit-receiver, an indicator, the imoes unit ('08-09 models), and the ECM.

'06-07 models

When the immobilizer key is inserted into the ignition switch and turned to ON (II), the immobilizer control unit-receiver sends power to the transponder in the ignition key. The transponder then sends a coded signal back through the immobilizer control unit-receiver to the ECM. The code is a rolling type embedded in the receiver instead of the ECM. A communication agreement with the HDS is required if the ECM is replaced.

When replacing the immobilizer control unit-receiver, all keys are required to be registered in to the new control unit-receiver with the HDS. Any keys that were not registered in the control unit-receiver will not start the vehicle.

'08-09 models

When the immobilizer key is inserted into the ignition switch and turned to ON (II), the immobilizer control unit-receiver sends power to the transponder in the ignition key. The transponder then sends a coded signal back to the immobilizer control unit-receiver which sends a coded signal to the imoes unit, which confirms the code and signals the ECM to supply power to the fuel pump circuit.

A communication agreement with the HDS is required if the ECM or the imoes unit is replaced.

When replacing the immobilizer control unit-receiver, all keys are required to be registered in to the new control unit-receiver with the HDS. Any keys that were not registered in the control unit-receiver will not start the vehicle.






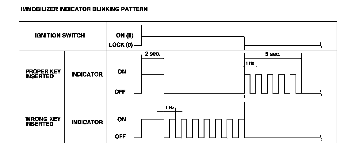
- If a programmed key has been used, the immobilizer indicator will come on for about 2 seconds, then goes off. When the ignition switch is turned to LOCK (0), the indicator will blink for about 5 seconds to signal that the unit has been set correctly, then the indicator will go off.

- If the wrong key has been used whose code was not received or recognized by the system, the indicator will come on for about 2 seconds, then it will blink until the ignition switch is turned to LOCK (0).