Curiosii for ever!: Car repair manuals for everyone.

Engine Installation




Engine Installation

Special Tools Required

- Universal lifting eyelet 07AAK-SNAA120
- 1.8 support bolt 07AAK-SNAA500
- Engine support hanger, A and Reds AAR-T1256*
*: This special tool is available through the Honda Tool and Equipment Program

1. Raise the vehicle on the lift, and position the engine/transmission under the vehicle. Lower the vehicle, and attach the chain hoist to the universal eyelet (A) and the transmission hook (B), then lift the engine/transmission into position in the vehicle.
NOTE: Reinstall the mounting bolts and support nuts in the sequence given in the following steps. Failure to follow this sequence may cause excessive noise and vibration, and reduce engine mount life.






2. Install the side engine mount/bracket assembly (A), then tighten the new side engine mount/bracket assembly mounting bolts (B).

3. Loosely tighten the new side engine mount/bracket assembly mounting nuts (C).

4. Install the ground cable (D).






5. Install the transmission mount bracket (A), and loosely tighten the new transmission mount bracket mounting bolts and nuts (B).

6. Install the ground cable (C).

M/T model





A/T model





7. Install the universal lifting eyelet (A) to the air cleaner housing bracket with the 1.8 support bolt (B). Tighten the bolt by hand.

8. Install the engine support hanger (AAR-T1256), then attach the hook to the slotted hole in the universal eyelet. Tighten the wing nut (C) by hand to lift and support the engine/transmission.

9. Remove the chain hoist from the engine/transmission.






10. Remove the universal lifting eyelet from the chain case.

11. Raise the vehicle on the lift to full height.






12. Install the front subframe, then tighten the new front subframe mounting bolts in the numbered sequence shown.






13. Install the torque rod (A). Install the new bolt with the tab (B) on the bolt head aligned with the guide (C) on the front subframe, then loosely tighten the new torque rod mounting bolt and nut (D).

14. Lower the vehicle on the lift.

15. Remove the engine hanger and universal lifting eyelet.

M/T model





A/T model





16. Tighten the side engine mount/bracket assembly mounting nuts in the numbered sequence shown.






17. Tighten the transmission mount mounting bolts and nuts in the numbered sequence shown.

18. Raise the vehicle on the lift to full height.

M/T model





A/T model





19. Tighten the torque rod mounting bolt and nut in the numbered sequence shown.

M/T model





A/T model





20. Install the steering gearbox and the steering gearbox stiffeners with new bolts, then tighten the bolts in the numbered sequence shown.

21. Install a new set ring on the end of each driveshaft, then install the driveshafts. Make sure each ring clicks into place in the differential and the intermediate shaft.






22. M/T model: Install the driveshaft heat shield.

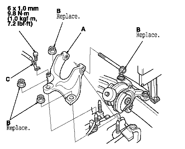
23. Connect the lower arms to the knuckles. Service and Repair

24. Install the stabilizer links to the stabilizer. Service and Repair

25. A/T model: Install the shift cable. Automatic Transmission Installation






26. With A/C: Install the A/C compressor.

27. With A/C: Install the drive belt. Service and Repair






28. Install the under-floor three way catalytic converter (under-floor TWC) (A). Use new gaskets (B) and new self locking nuts (C).






29. Install the splash shields.

30. Lower the vehicle on the lift.






31. Install the heater hoses.

32. Install the radiator. Service and Repair

33. M/T model: Install the clutch slave cylinder, and clutch line bracket mounting bolt. Manual Transmission Installation

34. M/T model: Install the shift cable. Manual Transmission Installation






35. Connect the secondary heated oxygen sensor (secondary HO2S) connector (A), then install the secondary HO2S harness to the clamps (B).






36. Connect the fuel feed hose (A) Fuel Line/Quick-Connect Fitting Installation, then install the quick-connect fitting cover (B) and the fuel feed hose clamp (C).






37. Install the evaporative emission (EVAP) canister hose (A) and brake booster vacuum hose (B).






38. Install the harness holder (A), then install the harness clamp (B).

39. Connect the engine wire harness connector (C) and the engine control module (ECM)/powertrain control module (PCM) connectors (D).






40. M/T model: Install the battery base (A), then install the harness clamp (B).






41. Install the battery cables (A) to the battery terminal fuse box.

42. Install the harness clamps (B).

43. Install the front wheels.

44. Install the under-cowl panel. Service and Repair

45. Do the battery installation procedure. Removal and Replacement

46. Refill the transmission with fluid:
- Manual transmission MTF Inspection and Replacement

- Automatic transmission ATF Replacement

47. Install the air cleaner housing assembly. Service and Repair

48. A/T model: Move the shift lever to each gear, and verify that the A/T gear position indicator follows the transmission range switch.

49. M/T model: Check that the transmission shifts into all gear smoothly.

50. Inspect for fuel leaks. Turn the ignition switch to ON (II) (do not operate the starter) so the fuel pump runs for about 2 seconds and pressurizes the fuel line. Repeat this operation three times, then check for fuel leakage at any point in the fuel line.

51. Refill the radiator with engine coolant, and bleed the air from the cooling system with the heater valve open. Service and Repair

52. Refill the engine with the recommended engine oil. Service and Repair

53. Do the ECM/PCM reset procedure. Initial Inspection and Diagnostic Overview

54. Do the crankshaft position (CKP) pattern clear/CKP pattern learn procedure. Initial Inspection and Diagnostic Overview

55. Inspect the idle speed. Testing and Inspection

56. Inspect the ignition timing. Testing and Inspection