Curiosii for ever!
: Car repair manuals for everyone.
Home
>>
Honda
>>
2009
>>
Civic Si L4-2.0L
>>
Repair and Diagnosis
>>
Powertrain Management
>>
Computers and Control Systems
>>
Variable Valve Timing Solenoid
>>
Locations
>>
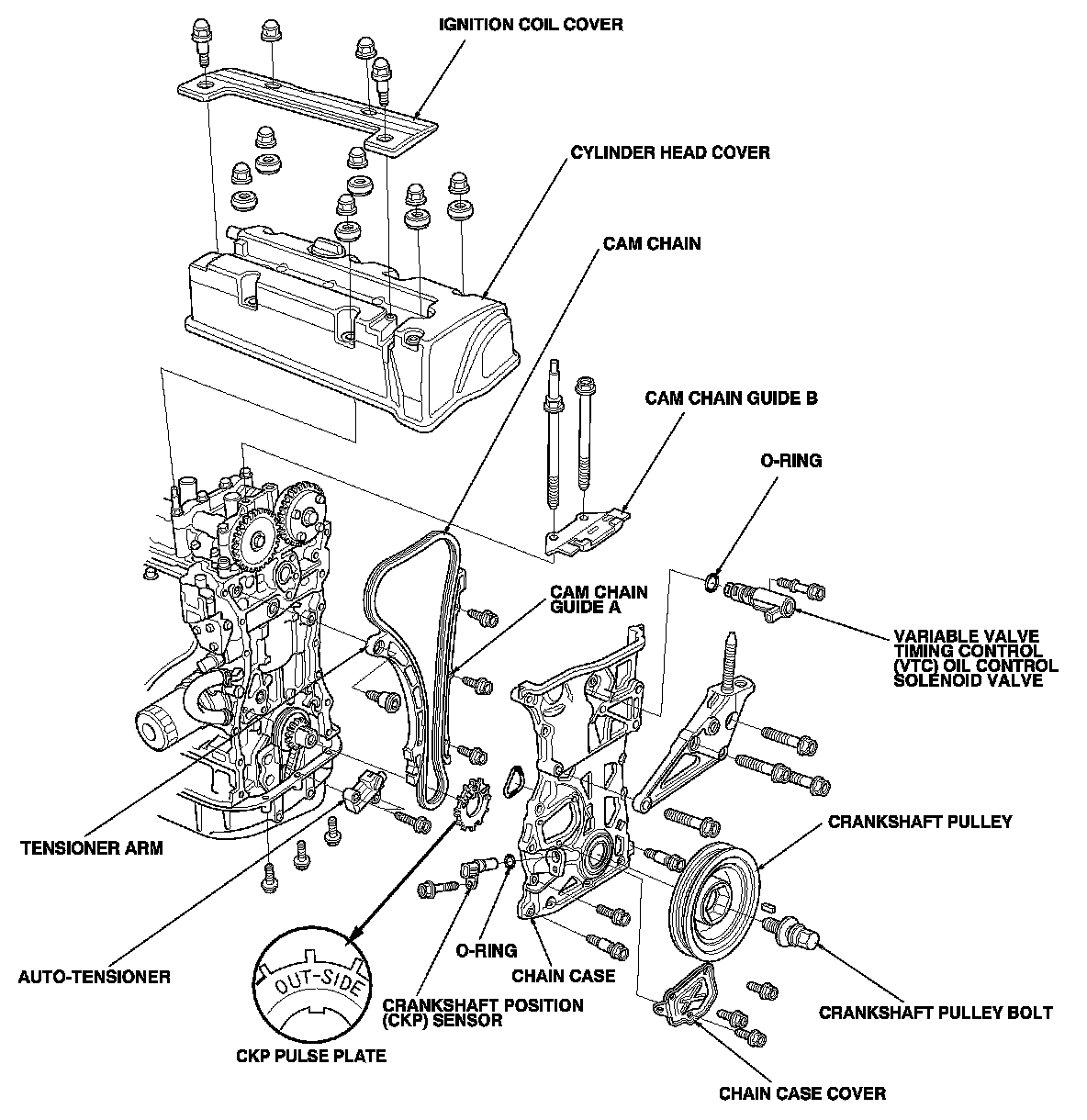
Cylinder Head Assembly Component Location Index
Cylinder Head Assembly Component Location Index
Cylinder Head Assembly Component Location Index