Curiosii for ever!: Car repair manuals for everyone.

Electrical Diagrams

Diagram 21-0:






Diagram 21-2:






Diagram 21-3:






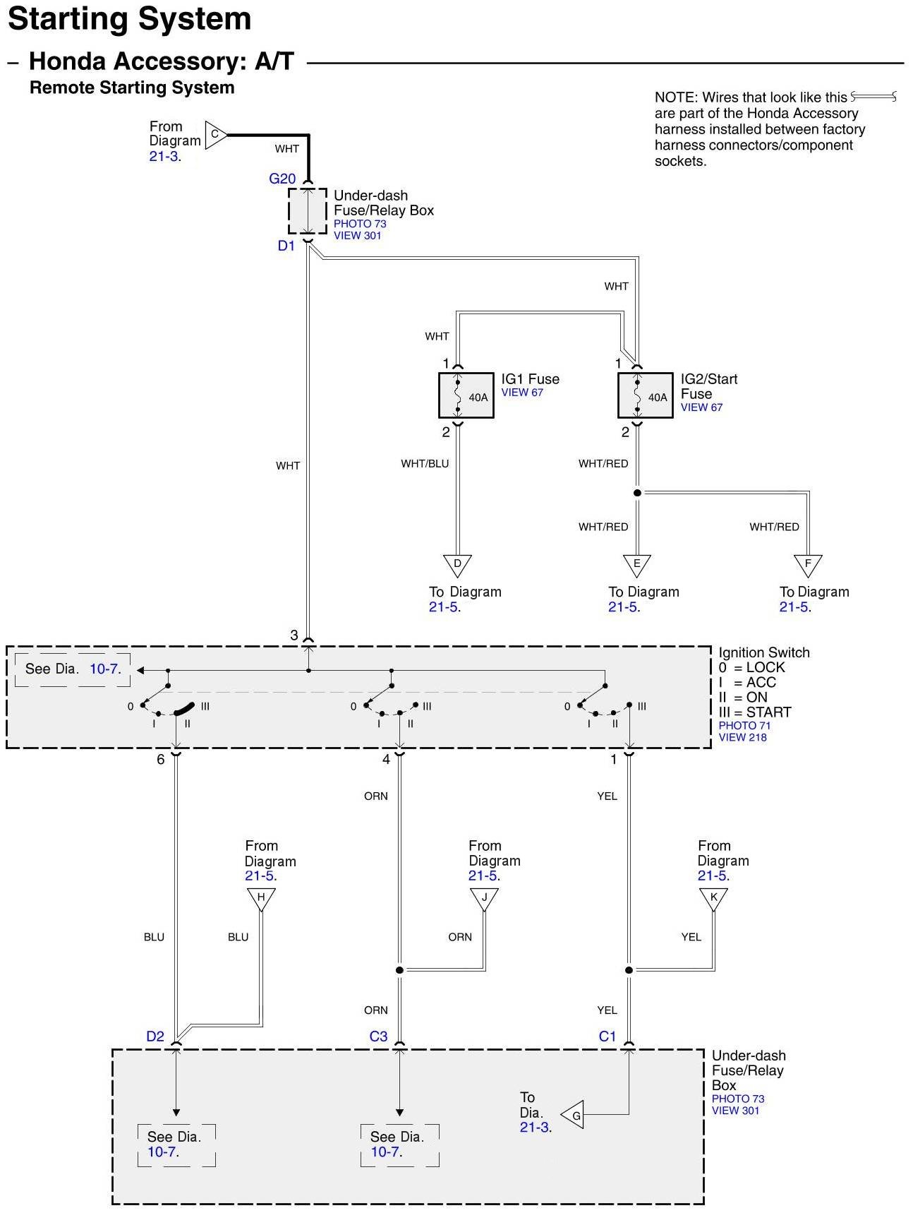
Diagram 21-4:






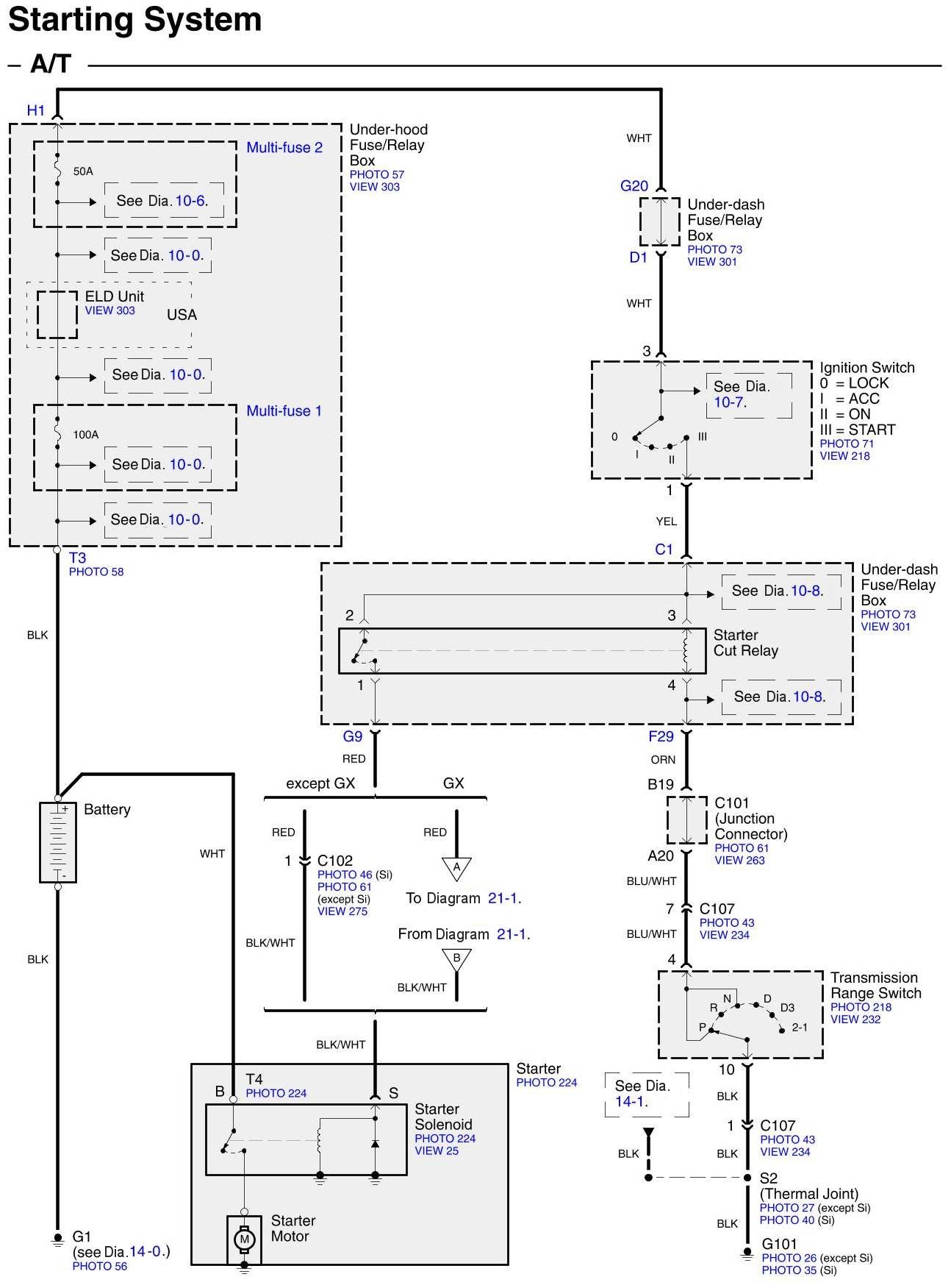
Diagram 21-5:






Diagram 21-6:






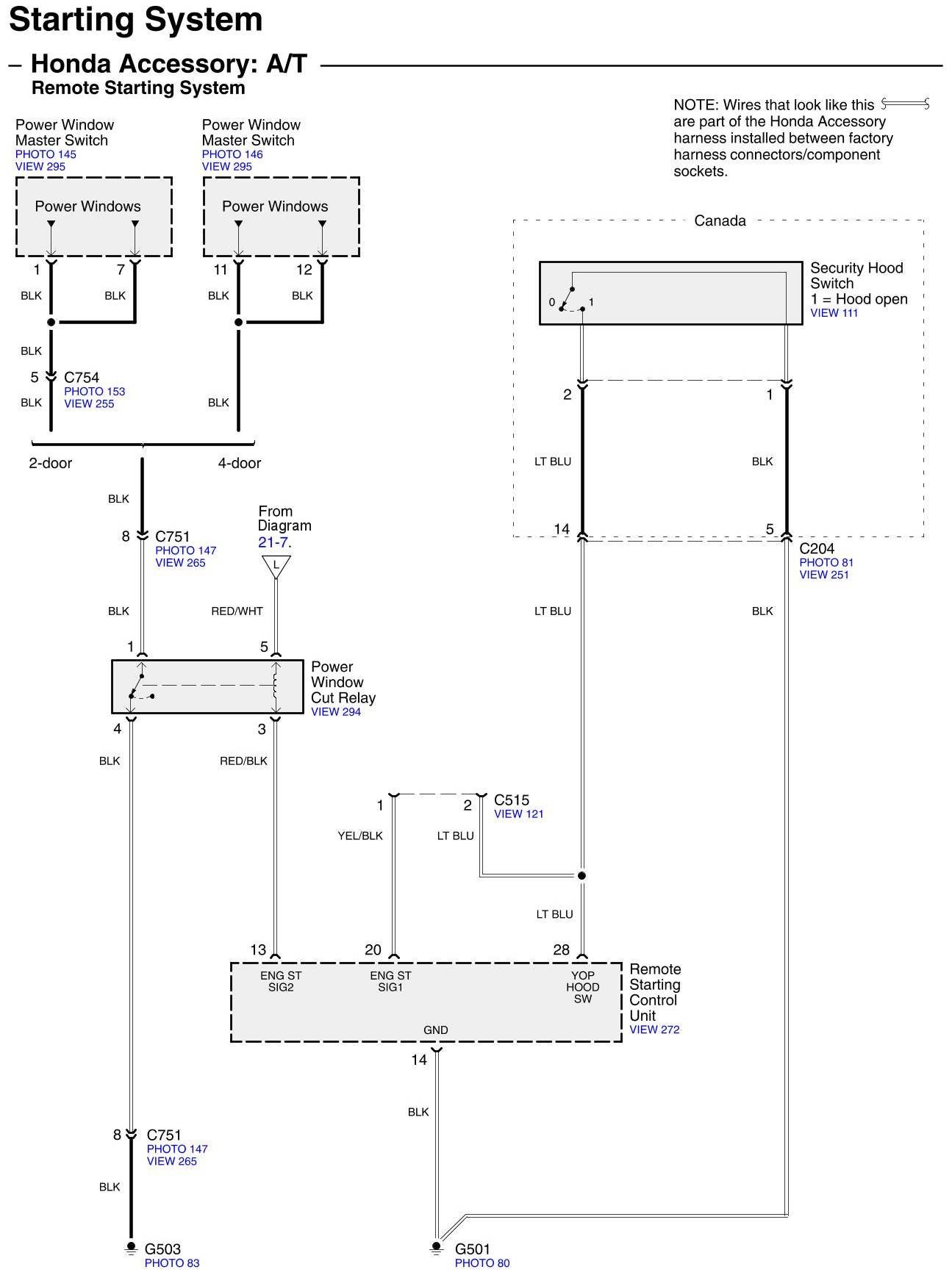
Diagram 21-7:






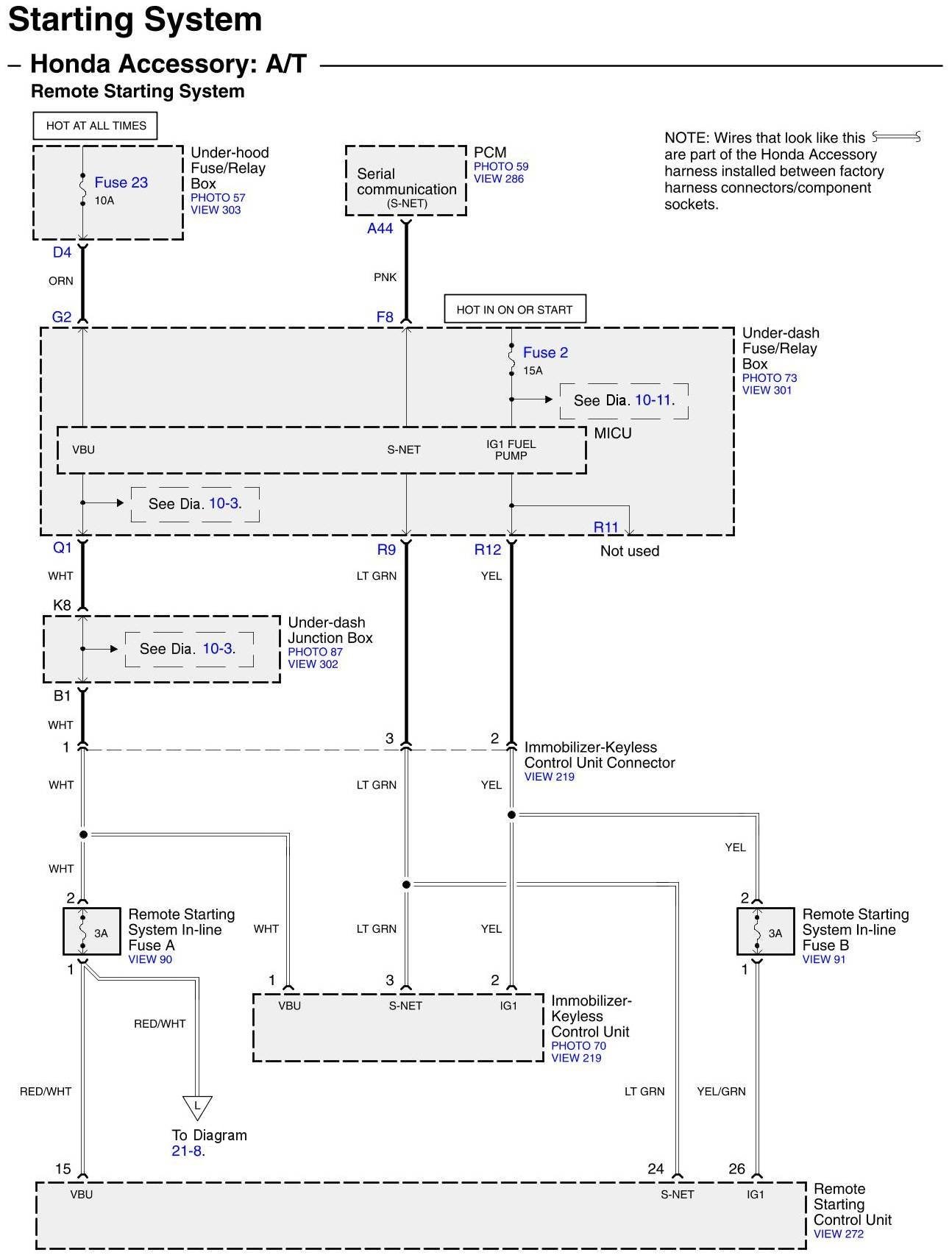
Diagram 21-8:






Diagram 21-9:






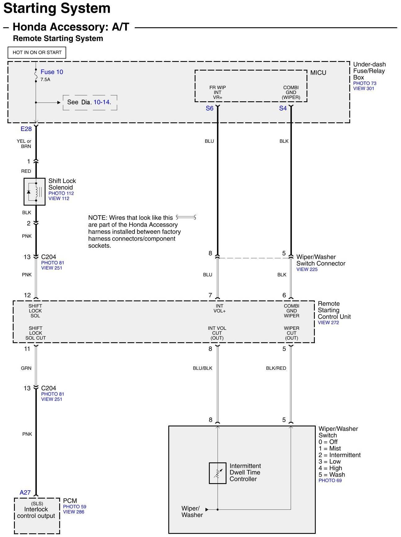
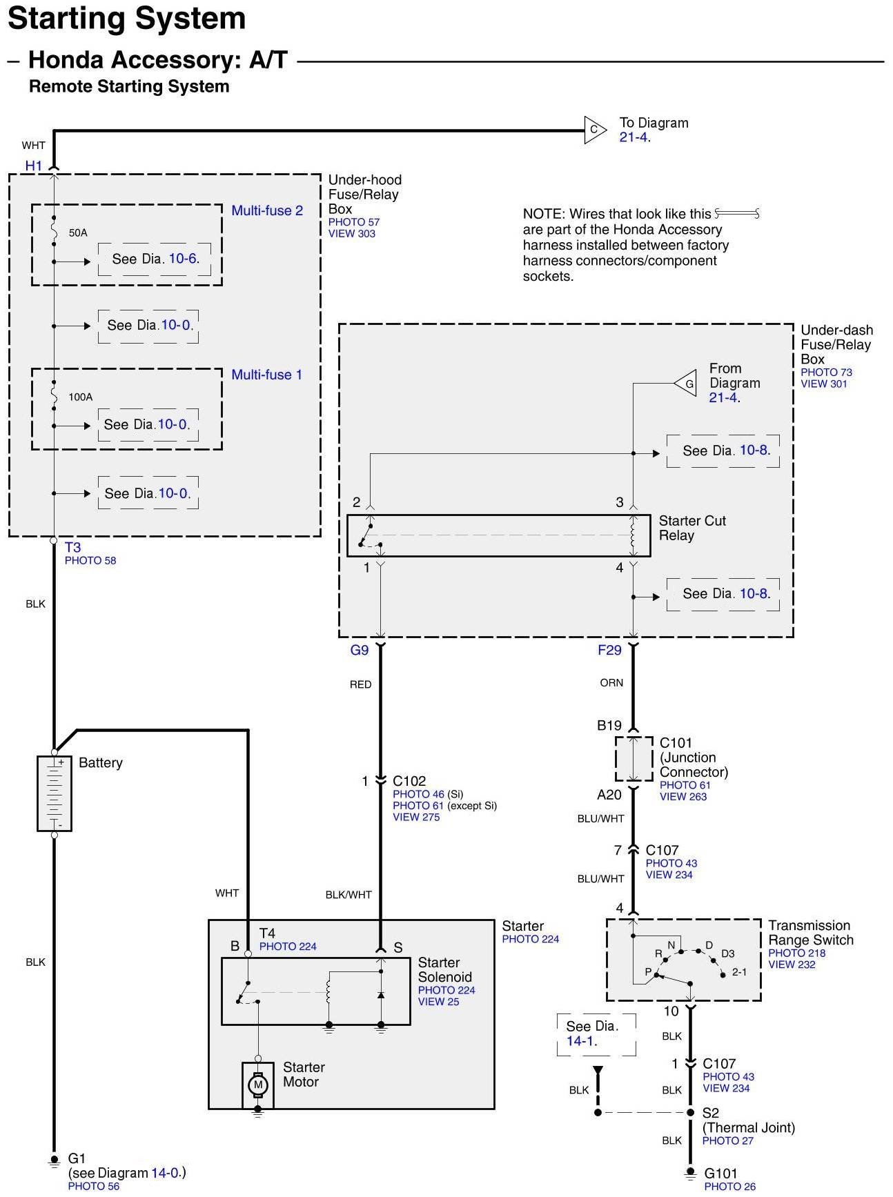
Diagrams: Other diagrams referred to by number (See Diagram ##-#, etc.) within these diagrams can be found at Diagrams by Number. Diagrams By Number

Locations: Location photographs (references to PHOTOS) referred to within these diagrams can be found at Locations by Photo Number. Locations By Photo Number

Connector Views: Connector terminal views (references to VIEWS) referred to within these diagrams can be found at Connector Views by View Number. Connector Views By View Number