Curiosii for ever!: Car repair manuals for everyone.

Heater Unit/Core Replacement (With A/C)




Heater Unit/Core Replacement

SRS components are located in this area. Review the SRS component locations, 4-door, SRS Component Location Index (4-Door) 2-door SRS Component Location Index (2-Door) and the precautions and procedures Technician Safety Information before doing repairs or service.

1. Do the battery terminal disconnection procedure. Procedures

2. Disconnect the A/C line from the evaporator core. Service and Repair

3. Remove the air cleaner housing assembly; R18A1 engine, Service and Repair K20Z3 engine. Service and Repair

4. When the engine is cool, drain the engine coolant from the radiator; R18A1 engine, Service and Repair K20Z3 engine. Testing and Inspection

5. From under the hood, slide the hose clamps (A) back. Disconnect the inlet heater hose (B) and the outlet heater hose (C) from the heater unit. Note the orientation of the hose.
Engine coolant will run out when the hoses are disconnected; drain it into a clean drip pan. Be sure not to let coolant spill on the electrical parts or the painted surfaces. If any coolant spills, rinse it off immediately.






6. Remove the mounting nut from the heater unit. Take care not to damage or bend the fuel lines or brake lines, etc..

7. Remove the dashboard. Side Defogger Vent Trim Removal/Installation






8. Disconnect the connector (A) from the blower motor. Remove the wire harness clip (B).






9. Disconnect the connector (A) from the recirculation control motor.






10. Disconnect the connectors (A) from the mode control motor, the evaporator temperature sensor, and the power transistor. Remove the wire harness clip (B).






11. Disconnect the connectors (A) from the air mix control motor and A/C wire harness. Remove the connector clip (B), the wire harness clips (C), and the wire harness (D).






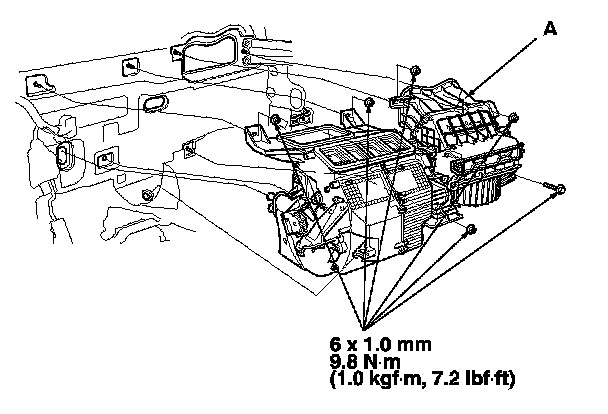
12. Remove the mounting bolt, the mounting nuts, and the blower-heater unit (A).






13. Remove the self-tapping screws, the heater core cover (A), the grommet (B), and carefully pull out the heater core (C).

14. Install the heater core and the evaporator core in the reverse order of removal.

15. Install the heater unit in the reverse order of removal, and note these items:
- Do not interchange the inlet and outlet heater hoses, and install the hose clamps securely.

- Refill the cooling system with engine coolant; R18A1 engine, Service and Repair K20Z3 engine. Testing and Inspection

- Make sure that there is no coolant leakage.

- Make sure that there is no air leakage.

16. Do the battery terminal reconnection procedure. Procedures